Особенности микроконтроллеров Ардуино
Но всё же у большинства, при упоминании МК, в памяти всплывает название «Ардуино», и это не удивительно. Ведь у данной разновидности поликристальных чипов есть характерные особенности, выгодно выделяющие ее на фоне конкурентов:
- Низкий порог входа. Так как программная среда уже написана и протестирована за вас, никаких «велосипедов» придумывать не нужно.
- Оптимизация под конкретные задачи. У создателей есть целая линейка разнообразных чипов, которые сильно различаются по характеристикам, благодаря чему будет проще подобрать подходящий.
- Готовая платформа и множество решений различных проблем или задач в открытом доступе.
Преобразователи напряжения. Виды и устройство. Работа
Преобразователем напряжения называется устройство, которое изменяет вольтаж цепи. Это электронный прибор, который используется для изменения величины входного напряжения устройства. Преобразователи напряжения могут повышать или понижать входное напряжение, в том числе менять величину и частоту первоначального напряжения.
Необходимость применения данного устройства преимущественно возникает в случаях, когда необходимо использовать какой-либо электрический прибор в местах, где невозможно использовать имеющиеся стандарты или возможности электроснабжения. Преобразователи могут использоваться в виде отдельного устройства либо входить в состав систем бесперебойного питания и источников электрической энергии. Они широко применяются во многих областях промышленности, в быту и других отраслях.
Высоковольтный преобразователь напряжения

Такое электронное устройство, которое предназначено для получения переменного или постоянного высокого напряжения (до нескольких тысяч вольт). Например, такие устройства применяются для получения высоковольтной энергии на кинескопы телевизоров, а также для лабораторных исследований и проверки электрооборудования напряжением, повышенным в несколько раз. Кабеля или же силовые цепи масляных выключателей, рассчитанных на напряжение 6 кВ, испытывают напряжением 30 кВ и выше, правда, такая величина напряжения не обладает высокой мощностью, и при пробое сразу же отключается. Эти преобразователи довольно компактны ведь их приходится переносить персоналу от одной подстанции к другой, чаще всего вручную. Нужно заметить, что все лабораторные блоки питания и преобразователи обладаю почти эталонным, точным напряжением. Более простые высоковольтные преобразователи применяются для запуска люминесцентных ламп. Сильно повысить импульс до нужного можно за счёт стартера и дросселя, которые могут иметь электронную или же электромеханическую основу.
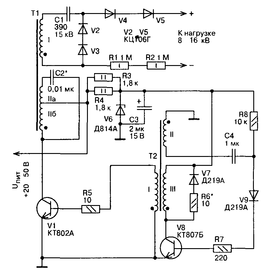
Промышленные установки, выполняющие преобразование более низкого напряжения в высокое, имеют множество защит и выполняются на повышающих трансформаторах (ПТН). Вот одна из таких схем дающая на выходе от 8 до 16 тысяч Вольт, при этом для его работы необходимо всего около 50 В.
Из-за того, что в обмотках трансформаторов вырабатывается и протекает довольно высокое напряжение, то и к изоляции этих обмоток, а также к её качеству предъявляются высокие требования. Для того чтобы устранить возможность появления коронирующих разрядов, детали высоковольтного выпрямителя должны быть припаяны к плате аккуратно, без заусенцев и острых углов, после чего залиты с обеих сторон эпоксидной смолой или слоем парафина толщиной 2…3 мм, обеспечивающим изоляцию друг от друга. Иногда данные электронные системы и устройства называют повышающий преобразователь напряжения.
Следующая схема представляет собой линейный резонансный преобразователь напряжения, который работает в режиме повышения. Он основан на разделении функций повышения U и его чёткой стабилизации в абсолютно разных каскадах.

При этом некоторые инверторные блоки можно заставить работать с минимальными потерями на силовых ключах, а также на выпрямленном мосте, где появляется высоковольтное напряжение.
Питание операционных усилителей
Если выводы питания не указаны, то считается, что на ОУ идет двухполярное питание +E и -E Вольт. Его также помечают как +U и -U, VCC и VEE, Vc и VE. Чаще всего это +15 и -15 Вольт. Двухполярное питание также называют биполярным питанием. Как это понять – двухполярное питание?
Давайте представим себе батарейку
Думаю, все вы в курсе, что у батарейки есть “плюс” и есть “минус”. В этом случае “минус” батарейки принимают за ноль, и уже относительно нуля считают напряжение батарейки. В нашем случае напряжение батарейки равняется 1,5 Вольт.
А давайте возьмем еще одну такую батарейку и соединим их последовательно:
Итак, общее напряжение у нас будет 3 Вольта, если брать за ноль минус первой батарейки.
А что если взять на ноль минус второй батарейки и относительно него уже замерять все напряжения?
Вот здесь мы как раз и получили двухполярное питание.
Области применения

Сфера применения многозонных преобразователей напряжения очень обширна. Они традиционно используются в следующих целях:
- в линейных устройствах для распределения и передачи электроэнергии;
- для проведения таких ответственных технологических операций, как сварка, термическая обработка и им подобных;
- при необходимости электроснабжения нагрузочных цепей в самых различных областях техники.
В первом случае вырабатываемая на электростанциях ЭДС повышается с помощью этих устройств с 6-24 кВ до 110-220 кВ – в таком виде ее легче «перегонять» по проводам на дальние расстояния. На районных подстанциях уже другие трансформаторные устройства обеспечивают ее снижение сначала до 10 (6,3) кВ, а затем – до привычных 380 Вольт.
В промышленности
Самая обширная область применения – обеспечение качественным питанием следующих промышленных образцов потребителей:
- аппаратуры, работающей в линиях автоматического управления и контроля;
- устройств телекоммуникации и связи;
- широкого спектра электроизмерительных приборов;
- специального радио- и телевизионного оборудования и тому подобное.
Особую функцию выполняют так называемые «разделительные» трансформаторы, используемые для развязки нагрузочных линий от высоковольтного входа.
Поскольку такие преобразователи «играют вспомогательную роль», чаще всего они имеют небольшую мощность и сравнительно малые размеры.
В быту, медицине и оборонной промышленности

Преобразователь напряжения 24/12V DC-20
Достаточно широко применяются преобразователи напряжения и в быту. На их основе построено большинство БП, используемых для зарядки бытовой техники, а также более сложных устройств типа:
- стабилизаторы напряжения;
- инверторы;
- резервные блоки питания и т. п.
Источник питания для питания портативных и карманных приемников
Бестрансформаторный источник питания (рис. 23) предназначен для питания портативных и карманных приемников от сети переменного тока напряжением 220 В. Следует учитывать, что этот источник электрически не изолирован от питающей сети. При выходном напряжении 9В и токе нагрузки 50 мА источник питания потребляет от сети около 8 мА.

Рис. 23. Схема бестрансформаторного источника питания на основе импульсного преобразователя напряжения.
Сетевое напряжение, выпрямленное диодным мостом VD1 — VD4 (рис. 23), заряжает конденсаторы С1 и С2. Время заряда конденсатора С2 определяется постоянной цепи R1, С2. В первый момент после включения устройства тиристор VS1 закрыт, но при некотором напряжении на конденсаторе С2 он откроется и подключит к этому конденсатору цепь L1, C3.
При этом от конденсатора С2 будет заряжаться конденсатор C3 большой емкости. Напряжение на конденсаторе С2 будет уменьшаться, а на C3 — увеличиваться.
Ток через дроссель L1, равный нулю в первый момент после открывания тиристора, постепенно увеличивается до тех пор, пока напряжения на конденсаторах С2 и C3 не уравняются. Как только это произойдет, тиристор VS1 закроется, но энергия, запасенная в дросселе L1, будет некоторое время поддерживать ток заряда конденсатора C3 через открывшийся диод VD5. Далее диод VD5 закрывается, и начинается относительно медленный разряд конденсатора C3 через нагрузку. Стабилитрон VD6 ограничивает напряжение на нагрузке.
Как только закрывается тиристор VS1 напряжение на конденсаторе С2 снова начинает увеличиваться. В некоторый момент тиристор снова открывается, и начинается новый цикл работы устройства. Частота открывания тиристора в несколько раз превышает частоту пульсации напряжения на конденсаторе С1 и зависит от номиналов элементов цепи R1, С2 и параметров тиристора VS1.
Конденсаторы С1 и С2 — типа МБМ на напряжение не ниже 250 В. Дроссель L1 имеет индуктивность 1…2 мГн и сопротивление не более 0,5 Ом. Он намотан на цилиндрическом каркасе диаметром 7 мм.
Ширина обмотки 10 мм, она состоит из пяти слоев провода ПЭВ-2 0,25 мм, намотанного плотно, виток к витку. В отверстие каркаса вставлен подстроечный сердечник СС2,8х12 из феррита М200НН-3. Индуктивность дросселя можно менять в широких пределах, а иногда и исключить его совсем.
Акустический датчик: плюсы и минусы
Умные приборы сильно отличаются от остальной, «простоватой» техники. Однако у них тоже есть не только достоинства, но и недостатки. В список преимуществ можно внести:
- значительное сокращение расходов на оплату электроэнергии;
- большой радиус действия, который позволяет сделать жизнь максимально комфортной;
- приемлемая цена, которая дает возможность оснастить жилье таким оборудованием без большого «финансового ущерба».
В большинстве приборов, предназначенных для домов и квартир, выключение света происходит спустя 20-30 секунд, а не сразу после ухода человека из комнаты. Поэтому шанс вдруг оказаться в темноте полностью исключается.
Недостатков у акустических датчиков немного. Первый — невозможность установки в тех помещениях, где жильцы бывают очень часто. Второй минус относится к недорогим моделям акустических приборов, слабое их место — частые ложные срабатывания. Главный недостаток «хлопковых» устройств — невозможность подать сигнал, когда заняты руки. Ассортимент голосовых датчиков сильно ограничен, нередко такие модели изготавливают самостоятельно.
Полезные свойства аппаратов
Часто инверторы из 12 В в 220 В обеспечивают предохранение или ослабление функционирования информационных систем от качества сетей переменного тока. Если внезапно произойдет отключение электроэнергии, то с помощью запасной батареи и выпрямителя восстановится резервное питание и можно прекратить работу компьютера без потери необходимых данных.

Отличительной чертой в этом случае считается наличие высокой частоты напряжения — до 100 кГц. Для эффективной работы дополнительно используются полупроводниковые ключи, магнитные материалы и специальные контроллеры. Чтобы быть удобным для применения, инвертор должен обладать высоким коэффициентом полезного действия, надежностью и иметь компактные габаритные характеристики.
Преобразователи постоянного напряжения
Преобразователь переменного напряжения в постоянное является самым часто используемым видом устройства этого типа. В быту это всевозможные блоки питания, а на производстве и в промышленности это питающие устройства:
- Всех полупроводниковых схем;
- Обмоток возбуждения синхронных двигателей и двигателей постоянного тока;
- Катушек соленоидов масляных выключателей;
- Оперативных цепей и цепей отключения там, где катушки требуют постоянного тока.
Тиристорный преобразователь напряжения — это наиболее часто применяемый для этих целей аппарат. Особенностью этих устройств является полное, а не частичное, преобразование переменного напряжения в постоянное без всякого рода пульсаций. Мощный преобразователь напряжения такого типа обязательно должен включать в себя радиаторы и вентиляторы для охлаждения, так как все электронные детали могут работать долго и безаварийно, только при рабочих температурах.

Ремонт прибора
Ремонт этих устройств для преобразования одного вида напряжения в другой, лучше производить в сервисных центрах, где персонал имеет высокую квалификацию и впоследствии предоставит гарантии выполненных работ. Чаще всего любые современные качественные преобразователи состоят из нескольких сотен электронных деталей и если нет явных сгоревших элементов, то найти поломку и устранить её будет очень сложно.
Некоторые же китайские недорогие устройства данного типа, вообще, в принципе лишены возможности их ремонта, чего нельзя сказать об отечественных производителях. Да может они немного громоздкие и не компактные, но зато подлежат ремонту, так как многие из их деталей можно заменить на аналогичные.
Основные критерии выбора
Чтобы подобрать блок питания светодиодной ленты, нужно обратить внимание на такие ключевые характеристики данного устройства:
- значение выходного напряжения – оно в обязательном порядке должно соответствовать по показателю осветительному прибору;
- показатель мощности устройства – рассчитывается по специальной формуле;
- уровень защиты;
- наличие дополнительных функций.
Выбирая источник питания, также нужно учесть его стоимость. Защищённые от влаги модели будут стоить дороже. На ценообразование влияет метод преобразования устройства и его мощностные показатели.
Метод преобразования

Принцип работы импульсного блока питания
По способу преобразования блоки питания можно разделить на 3 основных типа:
- линейные;
- бестрансформаторные;
- импульсные.
Источники питания линейного типа изобрели ещё в прошлом столетии. Они активно использовались до начала 2000-х годов, до появления на рынке импульсных устройств. Сейчас практически не применяются.
Бестрансформаторные модели малопригодны для питания светодиодных светильников. Они обладают сложной конструкцией – напряжение 220В в них уменьшается посредством RC-цепи с последующей стабилизацией.
Основной серьёзный минус – блок нельзя включать без нагрузки. В противном случае может выйти из строя силовой транзистор. На современных моделях эту проблему решили при помощи обратной связи. В итоге на холостом ходу напряжение на выходе не выходит за пределы допустимого показателя.
Охлаждение
В зависимости от применённой системы охлаждения блоки питания разделяются на 2 типа:
- Активное охлаждение – устройство оснащается внутрикорпусным вентилятором, отвечающим за эффективность охлаждения. Такая конструкция даёт возможность взаимодействовать с достаточно высокими мощностями. При этом вентилятор может гудеть и его периодически нужно чистить, так как с воздушным потоком внутрь корпуса попадает пыль.
- Охлаждение пассивного типа – устройство не оборудуется вентилятором (естественное охлаждение). Такие источники питания очень компактны, но при этом подходят исключительно для использования в быту, так как рассчитаны на малые нагрузки.
Исполнение

Компактный блок питания для светодиодной ленты
По типу исполнения блоки питания разделяются на такие конструкции:
- Малогабаритный пластиковый корпус. Такое устройство внешне схоже с блоками питания от ноутбуков и обладает разборным корпусом из пластика. Модели данного класса функционируют стабильно и будут оптимальным вариантом для использования в сухих помещениях.
- Герметичный корпус из алюминия. Конструкционные особенности, герметичность и прочность используемого материала, позволяют применять такой светодиодный блок в помещениях с повышенной влажностью. Он устойчив к воздействию влаги и выделяется длительным эксплуатационным сроком.
- Корпус из металла с вентиляционными отверстиями. Такие устройства не защищены от внешних воздействий, поэтому монтируются в специальные закрытые коробки. Корпус открытого типа даёт возможность быстро перенастроить блок.
Выходное напряжение
Данная характеристика устанавливает, в какой номинал напряжения преобразует источник питания исходное сетевое напряжение 220В. Обычно это 12В и 24В постоянного или переменного типа. Наиболее распространёнными являются светодиодные ленты на 12В с напряжением постоянного типа. Соответственно, для них нужен блок питания маркировки DC12V.
Мощность

Потребление светодиодов
В отдельных ситуациях в расчёте мощности источника питания просто нет надобности. Например, если нужно подсоединить 1 метр ленты на светодиодах класса SMD с питанием 12В, подойдёт любой блок с неизменным напряжением на выходе 12В. Если же предполагается более мощная нагрузка, нужно будет воспользоваться формулой расчёта.
Подобрать мощность источника питания можно исходя из максимальной длины светодиодной ленты и от показателя потребления 1 метра изделия. Для облегчения такой задачи производители прописывают требования к источнику питания в инструкции к LED-ленте.
Дополнительные функции

Блок питания с пультом управления
Кроме основных характеристик, при выборе блоков питания внимание нужно обращать на наличие в них дополнительных функций:
- могут быть тривиальными и исключительно обеспечивать питание;
- более функциональные модели обладают встроенным диммером;
- отдельные устройства оснащаются инфракрасным датчиком или радиоканалом для управления при помощи пульта ДУ.
Ссылки [ править ]
- Петрочелли, R. (2015). «Одноквадрантные преобразователи мощности с переключаемым режимом». В Бейли, Р. (ред.). Труды Школы акселераторов CAS – CERN: Преобразователи мощности . Женева: ЦЕРН . п. 15. arXiv : 1607.02868 . DOI : 10,5170 / CERN-2015-003 . ISBN 9789290834151 .
- Electric Power Around the World. Архивировано 6 сентября 2009 г.в Wayback Machine , Kropla.com.
- Авраам И. Прессман (1997). Импульсный источник питания . Макгроу-Хилл. ISBN 0-07-052236-7 .
- Нед Мохан, Торе М. Унделэнд, Уильям П. Роббинс (2002). Силовая электроника: преобразователи, применение и дизайн . Вайли. ISBN 0-471-22693-9 .
- Фанг Линь Ло, Хун Е, Мухаммад Х. Рашид (2005). Цифровая силовая электроника и приложения . Эльзевир. ISBN 0-12-088757-6 .
- Фанг Линь Ло, Хун Е (2004). Усовершенствованные преобразователи постоянного тока в постоянный . CRC Press. ISBN 0-8493-1956-0 .
- Минглян Лю (2006). Демистификация схем с коммутируемыми конденсаторами . Эльзевир. ISBN 0-7506-7907-7 .
Высокочастотный преобразователь напряжения
За счёт применения повышающих преобразователей появляется возможность уменьшения габаритов всех электронных и электромагнитных элементов, из которых состоят схемы, а это значит снижается и стоимость трансформаторов, катушек, конденсаторов и т. д. Правда, это может вызывать высокочастотные радиопомехи, которые влияют на работу других электронных систем, да и обычных радиоприёмников, поэтому нужно надёжно экранировать их корпуса. Расчет преобразователя и его помех должен производиться высококвалифицированным персоналом.
Что такое преобразователь сопротивления в напряжение? Это особый вид, который используется только при производстве и изготовлении измерительных приборов, в частности, омметров. Ведь основа омметра, то есть прибора измеряющего сопротивление, выполнена в измерении падения U и преобразовании его в стрелочные или цифровые показатели. Обычно измерения производятся относительно постоянного тока. Измерительный преобразователь — техническое средство, служащее для преобразования измеряемой величины в другую величину или измерительный сигнал, удобный для обработки, хранения, дальнейших преобразований, индикации, а также передачи. Он входит в состав какого-либо измерительного прибора.
Назначение и область применения частотных преобразователей
Частотные преобразователи уже много лет используются в строительстве электромеханических устройств и агрегатов. Они позволяют модулировать частоту тока, что в свою очередь делает возможной точную регулировку скорости вращения двигателя. На сегодняшний день частотники используются во многих отраслях деятельности. Мы рассмотрим лишь некоторые из них:
- Пищевая промышленность. Частотные преобразователи часто используются для регулировки работы фасовочных линий. Они позволяют настроить скорость подачи продукта и движения ленты в соответствии с пропускной способностью самого упаковочного станка. Кроме того, их часто используют в крупных миксерных агрегатах, вентиляционных системах и т.д.
- Механизация производственного оборудования. Без преобразователей частоты не обходятся конвейерные ленты, покрасочные и моющие станки, прессы, штамповочное оборудование и т.д. Такие устройства позволяют контролировать скорость рабочих процессов, снижая вероятность повреждения продукции и повышая качество конечного результата.
- Медицина. Относительно любого медицинского оборудования всегда устанавливаются самые высокие технические требования, добиться соответствия которым невозможно без использования управляемых электродвигателей в связке с частотником. Они устанавливаются в различных системах жизнеобеспечения, подъемных механизмах кроватей и т.д.
- Подъемно-транспортное обеспечение. Лифты, подъемные краны, подъемники – все эти средства уже давно используют преобразователи частоты. Они позволяют точно контролировать скорость выполнения различных операций, а также продлевать срок безремонтной эксплуатации оборудования.
Перечислять области применения частотных преобразователей можно бесконечно, ведь их можно использовать в любом оборудовании, использующем электродвигатели.
Преобразователь 12 в 220 Вольт в машину: какой лучше выбрать из представленных на рынке — обзор вариантов
Сейчас на рынке дополнительного оборудования для автомобилей широко представлены разнообразные инверторы 12/220 Вольт. Перед их приобретением следует, прежде всего, определиться для каких целей вы будете его использовать, какие конкретные электроприборы будете подключать.
Далее необходимо подсчитать или определить мощность потребления таких устройств. Если вы планируете одновременно снабжать электроэнергией несколько устройств, мощности надо суммировать.
Как заявляет производитель, преобразователь напряжения ALCA 313100 12/220В имеет номинальную мощность 150 Вт, а пиковую — 300 Вт.

Учитывая невысокую стоимость устройства (порядка 2000 рублей), не следует рассчитывать на его европейское происхождение. Питание производится от разъема прикуривателя. В характеристиках устройства указаны максимальные входные параметры – 12В/15 Ампер. Нетрудно посчитать максимальную мощность, перемножив 12 на 15: чуть более 180 Ватт. То есть при пиковой нагрузке 300 Вт входные цепи могут не выдержать. Кроме этого, обычно прикуриватель имеет по цепи питания предохранитель номиналом 15 – 20 Ампер. Поэтому при подключении более мощных преобразователей он часто выходит из строя.
Вообще, не стоит выбирать модели мощных преобразователей с питанием от разъема прикуривателя: это ненадежно и опасно — может воспламениться электропроводка, не рассчитанная на мощную нагрузку!
Герметичный автомобильный инвертор Сибконтакт ИС2-12-300Г имеет номинальную мощность 300 Ватт.

Он подключается к электрооборудованию автомобиля отдельной проводкой. Лучше это сделать непосредственно от аккумуляторной батареи через предохранитель номиналом 30 – 40 Ампер.
Герметичность устройства является плюсом с точки зрения минимизации рисков попадания внутрь его влаги и посторонних предметов. Однако при этом значительно уменьшается вентиляция элементов преобразователя, при постоянной мощной нагрузке он перегревается.
Видео — обзор автомобильного инвертора Сибконтакт ИС2-12-300Г:
https://youtube.com/watch?v=Lk8WArBRO18
Такой преобразователь может обеспечить питание ноутбука, бытовых электроприборов, электродвигателей небольшой мощности. Форма выходного напряжения приближается к синусоидальной, это большой плюс.
Кроме этого, Сибконтакт ИС2-12-300Г имеет защиту от перегрузок, переполюсовки, тепловую защиту, защиту от полного разряда АКБ, режим энергосбережения. Стоимость преобразователя порядка 4000 рублей.
Более мощный автомобильный инвертор AcmePower AP-DS600 (600 Ватт) может запитывать электроинструмент небольшой мощности (лобзик, дрель и др.) Он удобен для работы в полевых условиях, проведении выездных мероприятий.

Форма сигнала выходного напряжения – модифицированная (ступенчаиая) синусоида. Имеет необходимые защиты по питанию и перегреву. КПД – более 90%, стоимость – более 4000 рублей.
AVS Energy IN-1500W мощностью 1500 Ватт предназначен для питания чуть более мощных электроустановок и оборудования.

Однако продавцы инвертора AVS Energy IN-1500W не рекомендуют долговременно нагружать устройство потребителями мощностью более 800 Ватт.
Пользователи, которые испытали работу этого инвертора также отмечают, что заявленные 1500 Вт данный автомобильный инвертор «не держит».
Видео — об автомобильном преобразователе напряжения AVS Energy IN-1500W:
Супермощный инвертор Сибвольт 3012 (3000 Ватт) предназначен для питания практически любого оборудования. Он имеет синусоидальный сигнал, соответственно, высокую стоимость – более 33000 рублей. Масса преобразователя около 7 килограммов.

В продаже есть преобразователи мощностью 5000 Ватт и более.
При работе таких устройств на максимальной мощности в цепях питания протекают токи порядка 200 – 400 Ампер. Такой ток потребляет во время запуска двигателя стартер. Поэтому провода электропитания и клеммы преобразователя должны быть не менее мощными, чем стартерные.
При токе нагрузки 250 Ампер (мощность преобразователя около 3000 ватт) аккумуляторная батарея емкостью 100 Ампер-часов разрядится минут за 20. Это следует учитывать, планируя использовать преобразователь для решения задач энергообеспечения.
В механике сплошных сред и классической теории поля
Аналогично вводится понятие действия в механике сплошной среды и классической теории поля. В них действие включает в себя интеграл от лагранжевой плотности, зависящей от параметров среды (поля) в каждой точке пространства и их производных по пространственным координатам и времени. Получаемые варьированием действия уравнения движения становятся уравнениями в частных производных.
Принцип стационарности действия оказался одним из самых простых способов обеспечить релятивистскую инвариантность уравнений движения — для этого достаточно, чтобы лагранжева плотность была скаляром (инвариантом) при преобразованиях системы референции, например, преобразованиях Лоренца. Из-за этого роль принципа существенно возросла в релятивистской физике. В частности, теорема Нётер, определяющая сохраняющиеся величины при временной эволюции полевых систем, относится именно к лагранжевым системам.
Надо заметить, что применение принципа стационарности действия к теории калибровочных полей (например, к электродинамике) иногда сталкивается с некоторыми специфическими проблемами, впрочем, разрешимыми.
Усовершенствования схем инверторов
Приведенные в статье устройства крайне просты и по ряду функций не могут сравниться с заводскими аналогами. Для улучшения их характеристик можно прибегнуть к несложным переделкам, которые к тому же позволят лучше понять принципы работы импульсных преобразователей.
Увеличение выходной мощности
Все описанные устройства работают по одному принципу: через ключевой элемент (выходной транзистор плеча) первичная обмотка трансформатора соединяется с входом питания на время, заданное частотой и скважностью задающего генератора. При этом генерируются импульсы магнитного поля, возбуждающие во вторичной обмотке трансформатора синфазные импульсы с напряжением, равным напряжению в первичной обмотке, умноженному на отношение числа витков в обмотках. Следовательно, ток, протекающий через выходной транзистор, равен току нагрузки, помноженному на обратное соотношение витков (коэффициент трансформации)
Именно максимальный ток, который может пропускать через себя транзистор, и определяет максимальную мощность преобразователя
Следовательно, ток, протекающий через выходной транзистор, равен току нагрузки, помноженному на обратное соотношение витков (коэффициент трансформации). Именно максимальный ток, который может пропускать через себя транзистор, и определяет максимальную мощность преобразователя.
Существуют два способа увеличения мощности инвертора: либо применить более мощный транзистор, либо применить параллельное включение нескольких менее мощных транзисторов в одном плече. Для самодельного преобразователя второй способ предпочтительнее, так как позволяет не только применить более дешевые детали, но и сохраняет работоспособность преобразователя при отказе одного из транзисторов. В отсутствие встроенной защиты от перегрузок такое решение значительно повысит надежность самодельного прибора. Уменьшится и нагрев транзисторов при их работе на прежней нагрузке.
На примере последней схемы это будет выглядеть так:
Автоматическое отключение при разряде аккумулятора
Отсутствие в схеме преобразователя устройства, автоматически отключающего его при критическом падении напряжения питания, может серьезно подвести Вас, если оставить такой инвертор подключенным к аккумулятору автомобиля. Дополнить самодельный инвертор автоматическим контролем будет крайне полезно.
Простейший автоматический выключатель нагрузки можно сделать из автомобильного реле:
Как известно, каждое реле имеет определенное напряжение, при котором замыкаются его контакты. Подбором сопротивления резистора R1 (оно будет составлять около 10% от сопротивления обмотки реле) настраивается момент, когда реле разорвет контакты и прекратит подачу тока на инвертор.
ПРИМЕР: Возьмем реле с напряжением срабатывания (Uр) 9 вольт и сопротивлением обмотки (Rо) 330 ом. Чтобы оно срабатывало при напряжении выше 11 вольт (Umin) , последовательно с обмоткой нужно включить резистор с сопротивлением Rн, рассчитываемым из условия равенства Uр/Rо=(Umin—Uр)/Rн. В нашем случае потребуется резистор на 73 ома, ближайший стандартный номинал – 68 ом.
Конечно, это устройство крайне примитивно и является скорее разминкой для ума. Для более стабильной работы его нужно дополнить несложной схемой управления, которая поддерживает порог отключения гораздо точнее:
Регулировка порога срабатывания осуществляется подбором резистора R3.
Предлагаем посмотреть видео по теме
Что предстваляет собой инвертор
Одним из наследий Теслы (и его делового партнера Джорджа Вестингауза, босса Westinghouse Electrical Company) является то, что большинство приборов, которые мы имеем в наших домах, специально разработаны для работы от сети переменного тока. Приборы, нуждающиеся в постоянном токе, но потребляющие электроэнергию от розетки переменного, нуждаются в дополнительной части оборудования, называемой выпрямителем, как правило, из электронных компонентов, называемых диодами, для преобразования AC в DC.
Инвертор выполняет противоположную работу, и довольно легко понять ее суть. Предположим, у вас есть аккумулятор в фонарике, а переключатель закрыт, поэтому DC течет по цепи всегда в том же направлении, что и гоночный автомобиль вокруг дорожки. Теперь, если вы вытащите батарею и развернете ее, предполагая, что это соответствует другому способу, он почти наверняка все еще подаст свет, и вы не заметите какой-либо разницы в освещение, которое вы получаете, — но электрический ток будет протекать противоположным образом.
Предположим, у вас были молниеносные руки, и они были достаточно ловкими, чтобы переворачивать батарею 50−60 раз в секунду. Тогда бы вы стали своего рода механическим инвертором, превратив питание постоянного тока батареи в переменный на частоте 50−60 Гц.
Конечно, инверторы, которые вы покупаете в электрических магазинах, работают не так, хотя некоторые из них действительно механические: они используют электромагнитные переключатели, которые быстро переключаются на текущее направление. Инверторы, подобные этому, часто производят так называемый прямоугольный выход: ток либо протекает в одну сторону, либо наоборот, или он мгновенно переключается между двумя состояниями.
Такие внезапные перемены направления опасны для некоторых видов электрооборудования. При нормальной мощности AC, он постепенно переходит с одной стороны в другую в виде синусоидальной волны.
Электронные инверторы могут использоваться для создания такого рода плавно изменяющегося выхода переменного от входа постоянного тока. Они используют электронные компоненты, называемые индукторами и конденсаторами, для увеличения и снижения выходного тока, чем резкий, прямоугольный выходной сигнал включения / выключения, который вы получаете с помощью базового инвертора.
Инверторы также могут использоваться с трансформаторами для изменения определенного входного напряжения DC на совершенно другое выходное напряжение переменного (выше или ниже), но выходная мощность всегда должна быть меньше входной мощности. Из закона сохранения энергии следует, что инвертор и трансформатор не может выдавать больше энергии, чем они потребляют, и некоторая энергия должна быть потеряна как тепло, поскольку электричество протекает через различные электрические и электронные компоненты. На практике эффективность инвертора часто превышает 90 процентов, хотя базовая физика говорит нам, что какая-то часть энергии — какой бы она ни была — всегда где-то теряется.
Подключение
В зависимости от комплектации и оборудования можно выбрать следующие схемы подключения.
С контроллером DC-заряда
Суть схемы в подзарядке АКБ через МРРТ-контроллер. Здесь применяется преобразователь, который поддерживает передачу энергии в сеть или нагрузку, если Uакб больше установленного параметра.
Преимущество решения состоит в эффективности применения альтернативной энергии при частых включениях / выключениях.
Второй момент — возможность подключения солнечной батареи после разряда АКБ.
С преобразователем сетевого или гибридного типа
Здесь на выводах АКБ инвертора смонтирован преобразователь сетевого типа. При этом оба конвертора подключены к разным солнечным источникам питания.
Преобразователь гибридного типа поводится к фотоэлектрическому элементу для заряда АКБ, а сетевой объединяется с главным модулем солнечной батареи.
Особенности:
- необходимость регулировки сетевого инвертора;
- бесперебойность питания вне зависимости от напряжения сети;
- заряд АКБ с выводов;
- работа аккумуляторов по буферному принципу, что продлевает срок их действия.
Общая мощность сетевого устройства должна быть меньше мощности гибридного девайса. В таком случае проще утилизировать электричество от солнечных панелей при разрядке АКБ и выключении питания.
Общие моменты:
- Длина проводов для постоянного тока не должна быть больше трех метров. Если это необходимо, лучше увеличить соединение АС.
- Оптимальная установка инвертора — на уровне глаз. Так лучше видны данные с экрана.
- Устройство нельзя устанавливать в коробке, изготовленной из горючих изделий.
Если инвертор имеет мощность больше 0,5 кВт, важно обеспечить жесткость соединения между изделием и проводами





































