Назначение трансформаторов тока простыми словами
Основная задача
Трансформатор тока (сокращенное общепринятое обозначение ТТ) создан для работы в электрических схемах как простой преобразователь, способный с высокой точностью пропорционально понижать токи высоких величин до номинальных вторичных значений без изменения частоты сигнала.
На его вход подается первичный переменный ток большой величины, а по выходной цепочке протекает уменьшенное, преобразованное значение нагрузки.
Этот процесс легко представить совмещенными графиками синусоид обоих токов с их отображением на простой векторной диаграмме единичной окружности.

Синусоида первичного тока I1, проходящего по силовым шинам, показана графиком с высокой амплитудой, которая может превышать, например, 100 или 200 ампер. Допустим, что она отстоит от начала координат на какой-то угол α.
Ее форма и величина станет преобразовываться в ТТ во вторичную величину I2 со значительно меньшей амплитудой, например, 1 или 5 ампер.
Графики синусоидальных гармоник легко упрощаются векторными выражениями, построенными на плоскости единичной окружности. Они облегчают понимание происходящих процессов, позволяют проще их анализировать.
Векторная диаграмма просто рисуется и наглядно показывает пропорции величин каждой составляющей и их направление.
Сейчас же сделаем простой вывод: в любой момент времени ti синусоида I2 повторяет форму сигнала I1 и отличается от нее строго на определенную величину, называемую коэффициентом трансформации Ктт.
Его так и записывают на шильдике корпуса: выражением отношения первичного тока, показанного на первом месте, ко вторичному, например, 200/5.

В принципе здесь используется та же технология и маркировка, что у обычного трансформатора напряжения, где вместо ампер показываются вольты.

Практическое применение
Трансформаторы тока создаются в качестве измерительных приборов, обладающих определенными метрологическими характеристиками. Они работают в цепях измерения и схемах защитных устройств.
Их оценивают классами точности по двум параметрам:
- Отклонению реальной амплитуды вторичного тока от расчетного значения, вычисленного по коэффициенту трансформации.
- Смещению по времени угла вторичной синусоиды ẟ относительно первичного сигнала.
Для сведения: в результате трансформации ТТ частота вторичного сигнала не меняется, остается прежней. Погрешности образуются только по углу ẟ и амплитуде, но они не существенны для измерений, осуществляемых в бытовой электропроводке.
Далее разбираемся с конструкцией и принципами работы.
Разные виды трансформаторов и их коэффициенты
Хотя конструктивно преобразователи мало чем отличаются друг от друга, назначение их достаточно обширно. Существуют следующие виды трансформаторов, кроме рассмотренных:
- силовой;
- автотрансформатор;
- импульсный;
- сварочный;
- разделительный;
- согласующий;
- пик-трансформатор;
- сдвоенный дроссель;
- трансфлюксор;
- вращающийся;
- воздушный и масляный;
- трехфазный.
Особенностью автотрансформатора является отсутствие гальванической развязки, первичная и вторичная обмотка выполнены одним проводом, причем вторичная является частью первичной. Импульсный масштабирует короткие импульсные сигналы прямоугольной формы. Сварочный работает в режиме короткого замыкания. Разделительные используются там, где нужна особая безопасность по электротехнике: влажные помещения, помещения с большим количеством изделий из металла и подобное. Их k в основном равен 1.

Пик-трансформатор преобразует синусоидальное напряжение в импульсное. Сдвоенный дроссель – это две сдвоенные катушки, но по своим конструктивным особенностям относится к трансформаторам. Трансфлюксор содержит сердечник из магнитопровода, обладающего большой величиной остаточной намагниченности, что позволяет использовать его в качестве памяти. Вращающийся передает сигналы на вращающиеся объекты.
Воздушные и масляные трансформаторы отличаются способом охлаждения. Масляные применяются для масштабирования большой мощности. Трехфазные используются в трехфазной цепи.
Более подробную информацию можно узнать о коэффициенте трансформации трансформатора тока в таблице.
| Номинальная вторичная нагрузка, В | 3 | 5 | 10 | 15 | 20 | 30 | 40 | 50 | 60 | 75 | 100 |
|---|---|---|---|---|---|---|---|---|---|---|---|
| Коэффициент, n | Номинальная предельная кратность | ||||||||||
| 3000/5 | 37 | 31 | 25 | 20 | 17 | 13 | 11 | 9 | 8 | 6 | 5 |
| 4000/5 | 38 | 32 | 26 | 22 | 20 | 15 | 13 | 11 | 10 | 8 | 6 |
| 5000/5 | 38 | 29 | 25 | 22 | 20 | 16 | 14 | 12 | 11 | 10 | 8 |
| 6000/5 | 39 | 28 | 25 | 22 | 20 | 16 | 15 | 13 | 12 | 10 | 8 |
| 8000/5 | 38 | 21 | 20 | 19 | 18 | 14 | 14 | 13 | 12 | 11 | 9 |
| 10000/5 | 37 | 16 | 15 | 15 | 14 | 12 | 12 | 12 | 11 | 10 | 9 |
| 12000/5 | 39 | 20 | 19 | 18 | 18 | 12 | 15 | 14 | 13 | 12 | 11 |
| 14000/5 | 38 | 15 | 15 | 14 | 14 | 12 | 13 | 12 | 12 | 11 | 10 |
| 16000/5 | 36 | 15 | 14 | 13 | 13 | 12 | 10 | 10 | 10 | 9 | 9 |
| 18000/5 | 41 | 16 | 16 | 15 | 15 | 12 | 14 | 14 | 13 | 12 | 12 |
Почти у всех перечисленных приборов есть сердечник для передачи магнитного потока. Поток появляется благодаря движению электронов в каждом из витков обмотки, и силы токов не должны быть равны нулю. Коэффициент трансформации тока зависит и от вида сердечника:
Коэффициентом трансформации трансформаторов называется отношение напряжения обмотки высшего напряжения (ВН) к напряжению обмотки низшего напряжения (НН) при холостом ходе:
Где: Кл- коэффициент трансформации линейных напряжений;
U1 — линейное напряжение обмотки ВН;
U2 — линейное напряжение обмотки НН.
При определении коэффициента трансформации однородных трансформаторов или фазного коэффициента трансформации трехфазных
трансформаторов отношение напряжения можно приравнять к отношению чисел витков обмотки
где: Кф — фазный коэффициент трансформации;
U1ф,U2ф — фазные напряжения обмоток ВН и НН соответственно;
WI,W2 — число витков обмоток ВН и НН соответственно.
При измерении линейного коэффициента трансформации трехфазного трансформатора равенство отношения высшего и низшего линейных напряжения обмоток и соответственно числа витков ВН и НН сохраняется лишь при одинаковых группах соединения этих обмоток.
Если первичная и вторичная обмотки соединены по одинаковой схеме, например, обе в звезду, обе в треугольник и так далее, фазный и линейный коэффициенты трансформации равны друг другу. При различных схемах соединений обмоток, например, одной в звезду, а другой в треугольник, линейньй и фазный коэффициенты трансформации неодинаковы (они в данном случае отличаются друг от друга в 3 раз).
Определение коэффициента трансформации производится на всех ответвлениях обмоток и для вех фаз. Эти измерения, кроме проверки самого коэффициента трансформации дают возможность проверить также правильность установки переключателя напряжения на соответствующих ступенях, а также целостность обмоток.
Для определения коэффициента трансформации применяют метод двух вольтметров (рис.2)

Рис.2 Определение коэффициента трансформации.
Со стороны высокого напряжения (ВН) подводится трехфазовое напряжение 220 В и измеряется напряжение на вторичной обмотке.
Внимание! Напряжение подводится только к обмоткам ВН (А, В, С). Результаты измерений заносятся в таблицу 2
Пределы измерения вольтметров: PV1-250 В,PV2-15В
Пределы измерения вольтметров: PV1-250 В,PV2-15В
Результаты измерений заносятся в таблицу 2. Пределы измерения вольтметров: PV1-250 В,PV2-15В.
Примечание: В данной работе трансформатор имеет одно положение переключателя.
Коэффициент трансформации отдельных фаз, замеренных на одних и тех же ответвлениях не должен отличаться друг от друга более чем на 2%.
Понятие о коэффициенте трансформации
Для произведения рационального контроля электроэнергии на крупных объектах используется специальное оборудование, снижающее мощность на выходах электросчетчика. Данные устройства не соединены напрямую с электросетью здания, что обозначает невозможность прямого включения высоковольтного напряжения к общей электросети. Отсюда следует, чтобы минимизировать возникновение неисправностей надо уменьшать мощность с помощью трансформаторного оборудования. В таком случае электросчетчики зафиксируют нагрузку, сниженную в десятки раз. Полученные таким образом результаты и будут КТ, а, чтобы определить настоящий расход электричества, следует умножить показания электросчетчика на используемый расчетный коэффициент.
Виды электросчетчиков
Каждый хозяин, прежде чем совершить покупку оборудования для контроля расхода электроэнергии, должен понимать, что работа такого устройства будет зависеть от принципа действия. Именно принцип действия счетчиков электроэнергии разделяет их на два основных вида: электронные и индукционные. Электронные электрические счетчики всегда основываются на том, что проводят прямое измерение силы тока и напряжения на силовой линии, проходящей через систему. Шкала такого типа оборудования представляет собой электронный тип циферблата, а также имеет уникальную возможность сохранять значения потребленной электроэнергии во встроенной памяти.

В данном типе счетчика электроэнергии отсутствует механика, а сам ток будет проходить через микросхемы и полупроводники напрямую. К преимуществам данного типа оборудования относят его небольшой размер и вес, удобство в подключении, благодаря разнообразию производимых моделей. Электронные счетчики электроэнергии могут производиться специально для ведения одно- или двухтарифного учета. Их можно устанавливать в специальную автоматизированную систему для коммерческого учета потребляемого электричества.
Несмотря на то, что у данных приборов более широкий ассортимент функционала, чем у другого типа, его интерфейс достаточно простой и понятный. Благодаря цифровым значениям на шкале хозяева получают возможность точно считывать необходимую информацию с электронного счетчика. Данный вид считывающего оборудования имеет меньший гарантийный срок, поскольку он не так надежен как индукционный тип.

Индукционные электрические счетчики являются на текущий момент самыми распространенными. Они представляют собой механическую конструкцию, в которой установлено две специальные катушки – для тока и напряжения. Когда работает этот счетчик, то образовывается магнитное поле, которое и приводит эти катушки в движение. Диски, в свою очередь, начинают двигать шкалу со значениями на циферблате, что в результате выводит объем потребляемой электроэнергии.
Скорость работы системы будет напрямую зависеть от уровня напряжения в электрической сети. Чем больше будет значение мощности, чем выше будет и скорость оборота диска. При подсчете индукционный вид счетчиков энергоснабжения имеет погрешности при подсчете. Для того чтобы повысить класс точности показаний, потребуется дорогостоящая трата. Средний срок службы для такого оборудования обычно составляет около 15 лет.
Во время приобретения можно ознакомиться с техническим паспортом определенной модели электрического счетчика, чтобы узнать обо всех характеристиках и параметрах оборудования, которыми оно обладает. Это позволит подобрать оптимальный образец для вашего дома. Коэффициент трансформации электрического считывающего устройства напрямую не относится к самой конструкции, а является промежуточным показателем, которые преимущественно зависит от трансформатора.
Что такое коэффициент трансформации?
С целью учета электрической энергии, которая потребляется крупными объектами, включая жилые многоэтажные здания, используется специализированное оборудование, способствующее понижению показателей мощности напряжения, которое передаётся на контакты общедомового прибора учёта. Такие электрические счётчики не имеют непосредственного соединения с электросетью дома, что обуславливается отсутствием возможности выполнить подключение высокого напряжения посредством традиционных приборов прямого включения.
Таким образом, чтобы предотвратить поломку счетчиков, требуется уменьшать мощностные показатели на подаваемое напряжение посредством трансформаторного стандартного оборудования. На выбор такого оборудования оказывает непосредственное влияние уровень необходимой нагрузки.
Коэффициент трансформации приборов учёта электрической энергии может варьироваться в зависимости от характеристик установленного оборудования. В результате приборы-счётчики для учета затрат электроэнергии, функционирующие с трансформаторами, фиксируют нагрузку, которая снижена в несколько десятков раз.
Полученные прибором учёта данные и являются коэффициентом трансформации, а чтобы определить реальное потребление электроэнергии, потребуется умножить показания электрического счетчика на КТ.
https://youtube.com/watch?v=BqL8acq4LLE
Подключение электросчетчика с трансформаторами тока
Одной из важнейших характеристик любого электросчетчика является его номинальный ток. То есть ток, который прибор может не только посчитать, но и долговременно через себя пропускать. Если в вашем доме стоит очень мощное оборудование, а потребляемый им ток имеет большие значения, то подобрать подходящий электросчетчик не удастся – счетчиков для таких мощностей просто не существует в природе. Как тут быть? Выход из положения – установка трансформаторов тока (ТТ).
Как работает и для чего нужен
Основной задачей прибора является пропорциональное преобразование тока одной величины в ток другой. Конструктивно изделие представляет собой железный сердечник, на котором размещены две обмотки. Первая включается в разрыв сети, состояние которой нужно контролировать, а вторая – к электросчетчику. Электроэнергия, проходя по первой обмотке, будет наводить ЭДС во второй, а отношение токов в этих катушках будет пропорционально отношению количества их витков.
Принцип работы токового трансформатора
Если, к примеру, первичная обмотка имеет 2 витка, а вторичная 20, то введенный во вторичной обмотке ток будет в 10 раз ниже тока первичной. В этом случае говорят, что коэффициент трансформации прибора 10 к 1 (10/1). Предположим, ваш токарный станок потребляет ток в 200 А. Такую мощность не выдержит ни один электросчетчик. Но если вы подключите прибор через ТТ, рассмотренный выше, то максимальная нагрузка через счетчик не будет превышать 200/10 = 20 А.
Совсем другое дело – токи такой величины легко сможет контролировать практически любой электросчетчик. Подбирая трансформаторы с тем или иным коэффициентом трансформации, вы легко можете вести учет расхода электроэнергии практически любой мощности обычными электросчетчиками.
Как подключить ТТ к трехфазной сети
А теперь о схеме включения счетчика через ТТ. Конечно, она будет несколько сложнее конструкции прямого включения, но не настолько, чтобы в ней не разобрался человек, имеющий представление о простейших электрических цепях.
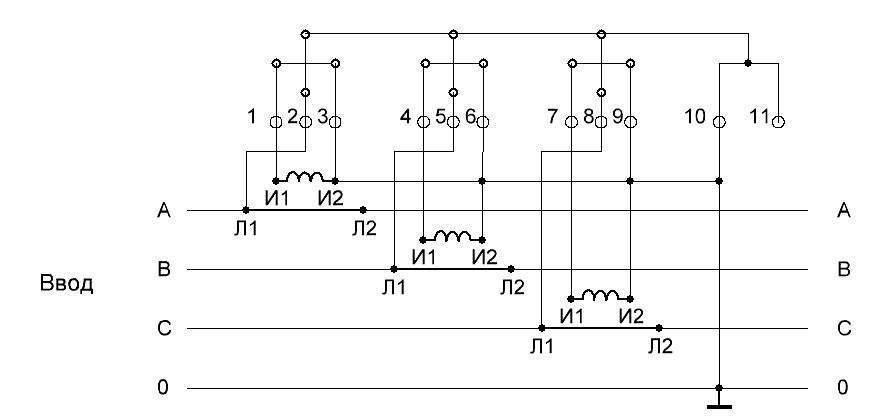
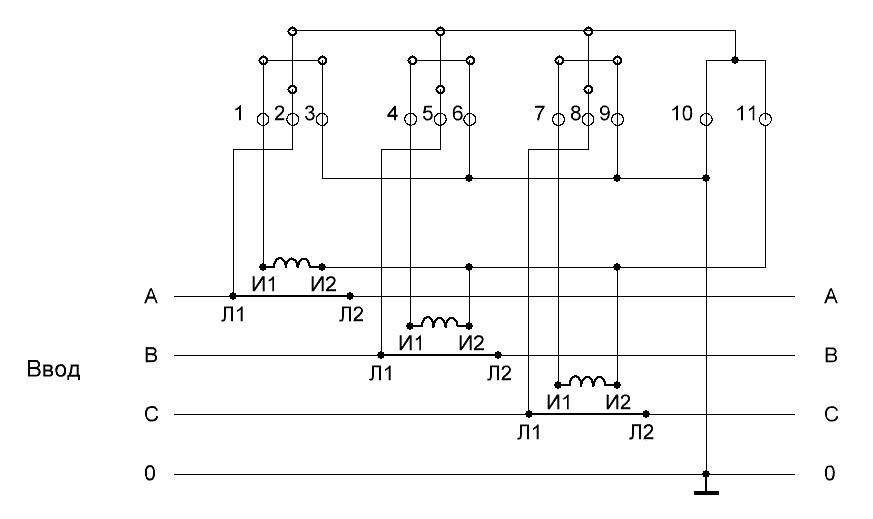
Схема подключения трехфазного счетчика через трансформаторы тока
В этой схеме электросчетчик подключен не в разрыв сетевых проводов, а ко вторичным обмоткам ТТ, которые обозначены как И1, И2. А в этот самый разрыв подключены первичные обмотки трансформатора (на схеме Л1, Л2).
Прежде чем взяться за сборку вышеприведенной схемы, необходимо четко разобраться в нескольких вопросах. От правильного их решения будет зависеть не только безопасная и долговременная работа схемы, но и ее работоспособность. Вот основные из них:
- Правильный выбор сечения монтажных проводов.
- Фазировка катушек ТТ.
Если вы не врезаете ТТ непосредственно в линию, то соединяющие провода первичной обмотки должны иметь то же сечение, что и проводка линии. Проводники, соединяющие ТТ и счетчик, конечно, могут быть тоньше, но они должны уверенно выдерживать ток, обозначенный на корпусе электросчетчика.
На фазировку (правильное подключение концов катушек) ТТ нужно обратить особое внимание. В противном случае прибор учета либо не заработает, либо будет врать, а то и закрутится в другую сторону, если он двунаправленный. Как разобраться с фазировкой? В этом поможет рисунок ниже:
Как разобраться с фазировкой? В этом поможет рисунок ниже:
Набор токовых трансформаторов для трехфазной сети
Даже если ваши трансформаторы не совсем похожи на приведенные, особой разницы нет – в любом случае все выводы обмоток маркируются единообразно. Контакты первичной, силовой обмотки отличить несложно – они гораздо мощнее контактов вторичной и расположены с противоположных сторон изделия. Маркируются они Л1 и Л2. Выводы обмотки 2, подключаемой к электросчетчику, в этом варианте исполнения закрыты прозрачной крышкой и имеют обозначение И1, И2. Если взглянуть на схему подключения счетчика, то можно увидеть, что катушки не только должны быть подключены каждая на свое место, но и правильно сфазированы:
- Л1 – на ввод питающей линии;
- Л2 – выход на нагрузку;
- И1 – на ввод счетчика;
- И2 – выход счетчика.
Что касается расцветки корпуса ТТ, она условна и служит только для удобства монтажа. Фактически все три трансформатора абсолютно идентичны.
Как быть, если в вашем доме однофазная сеть, но ток потребления слишком велик для электросчетчика? Такая ситуация достаточно редка, но она случается. И здесь выручит токовый трансформатор, причем всего один. Как подключить однофазный электросчетчик через ТТ понятно из рисунка ниже:
Схема подключения однофазного электросчетчика с трансформатором тока
Схемы подключения трехфазного счетчика электроэнергии
Только верно присоединенный счетчик правильно определяет и контролирует количество используемого тока. Поэтому прибор следует верно присоединить. Схема монтирования обусловливается видом.
Полукосвенная
В сеть монтируется с ТТ. Поэтому возможно присоединять в сети с высокими мощностями. Разрешается до 60 кВт. Применяя этот метод учета, для установления трат стоит разность показателей умножать на определенное значение трансформации.

Десятипроводная
Она пользуется большой популярностью. Именно ее эксперты советуют устанавливать сейчас. Ведь она имеет ряд преимуществ. У них нет гальванической связи токовых цепей прибора учета и цепей напряжения. Поэтому подключать ее гораздо безопаснее. А еще благодаря ей удобнее проводить манипуляции.
Не нужно отключать установки при смене счетчика или при проведении различных манипуляций. Он отличается правильностью. Ведь сбор сведений по всем фазам происходит независимо. Если происходит нарушение цепей учета по какой-то из фаз, функционирование учета на других фазах продолжается.
3х-фазный счетчик для правильного функционирования монтировать аккуратно
Особенное внимание стоит уделить маркировке. 10-проводная требует больше проводов, чем остальные схемы
10-проводная имеет недостаток: значительный расход проводника для сборки вторичных цепей учета.

Семипроводная
Свое название получила из-за числа проводов, применяемых во время присоединения. Считается устаревшей, хоть и встречается.
Трансформаторный счетчик должен иметь контактную панель. Если ее нет, то должна присутствовать колодка. Они служат проводником соединения. Их располагают посреди электрического шнура и счетчика.

Звезда
- все типы КЗ проводят ток индивидуально. А гарантия безопасности и функционирования, созданная данным способом, откликается на любое КЗ;
- ток в реле принадлежит к фазному;
- ток нулевой последовательности, не проходящий через реле, не выйдет за грани треугольника ТТ.


Неполная
Устанавливать неполную звезду стоит лишь в сетях, где есть нулевые изолированные точки. Они ограждают от междуфазных КЗ. Она откликается лишь на отдельные появления КЗ однофазного.
Полная
Если есть глухозаземлённая нейтраль, то нужно присоединение ТТ к трём фазам.
Косвенное
Если в сети аппараты, использующие энергию электричества, тратят ее больше номинального значение силы тока, проходящего сквозь счётчик тогда стоит вмонтировать разделительные ТТ. Присоединяют их в разрыв силовых токоведущих шнуров.

С двумя ТТ
В сетях 380 В, при образовании систем учёта расходуемой мощи больше 60кВт, 100А электросчетчик устанавливают, применяя косвенную схему присоединения трехфазного через ТТ. Это помогает измерять большую используемую мощь при помощи аппаратов учёта для меньшей мощи, используя коэффициент пересчёта показателей устройства.
Меркурий 230
Схемы сборки счетчика Меркурий с применением ТТ отличаются сложностью. Подключающий не должен забывать в процессе об ответственности. Обычно он применяется в сети 380 вольт.
Если есть однофазовое и двухфазное КЗ “земля”, то выявляются токовые объемы в реле.
Разновидности приборов учета электроэнергии
Устройства для подсчета электроэнергии – это многофункциональные механизмы, которые могут отражать текущее положение данных, сохранять и передавать важную информацию. На сегодняшний день используют три разных варианта счетных механизмов.
Механические или индукционные приборы учета

Однофазные индукционные счетчики электроэнергии
Классический тип устройств, который встречается чаще всего. Конструкция состоит из двух обычных катушек. Одна из них ограничивает данные переменного напряжения, предотвращая искажения и получая электрический ток. Вторая преобразует поток переменного напряжения.
Основные плюсы – простота в эксплуатации, долговечность устройств. Срок службы счетчиков подобного типа высокий, а стоимость – низкая. Минус – габариты механизма.
Электронные приборы учета

Модульный трехфазный электронный электросчетчик
Устройства имеют более высокий уровень точности в подсчетах, но и цена их выше. Дополнительный плюс – возможность функционировать в нескольких режимах (например, утро и ночь, двух- и трехтарифные приборы).
Электронные счетчики преобразуют входящие аналоговые показатели в специальную цифровую кодировку, которые в свою очередь преобразуются небольшим микроконтроллером. Полученные данные можно увидеть на дисплее. Такие приборы стараются устанавливать все чаще, заменяя устаревшие механические модели.
Другие преимущества – компактный размер, возможность дистанционного контроля.
Гибридные приборы учета

Гибридный электросчетчик
Являются средним вариантом между счетчика электронного и механического типа работы. С одной стороны – устройства оснащают цифровым дисплеем для удобства. С другой – используют классический индукционный способ получения и обработки данных.
Гибридные устройства устанавливают редко, предпочитая аналоговые или электронные механизмы.
Понятие коэффициента трансформации
Трансформаторы напряжения
Хотя трансформатор и называют преобразователем, на деле он не превращает характеристику в другую. Установка меняет значение какого-либо параметра цепи в сторону возрастания или уменьшения. Такое преобразование влияет и на остальные показатели тока, но по сравнению с «главным» они остаются вторичными.
В быту такие приборы встречаются очень часто. Например, чтобы зарядить телефонный аккумулятор, необходим источник питания в 6В. Однако в розетке напряжение достигает 220 единиц. Чтобы не сжечь телефон, нужно каким-то образом понизить напряжение в 36,7 раз. Это и делает «зарядка» – преобразователь, снижающий напряжение.
Схемы подключения счетчика через трансформаторы тока
Для правильного учета электроэнергии с применением ТТ необходимо соблюдать полярность подключения их обмоток: начало и конец первичной имеют обозначение Л1 и Л2, вторичной — И1 и И2.
Схемы полукосвенного подключения трехфазных электросчетчиков (с применением только ТТ) могут быть выполнены в разных вариантах:
Семипроводная. Это устаревшая и наименее предпочтительная в плане электробезопасности схема ввиду наличия связи токовых и измерительных цепей — токовые цепи электросчетчика находятся под напряжением.
Десятипроводная схема. Более предпочтительная и рекомендуемая для использования в настоящее время. Отсутствие гальванической связи токовых цепей прибора учета и цепей напряжения делает подключение счетчика более безопасным.
Схема подключения электросчетчика через испытательную колодку .Согласно требований ПУЭ п. 1.5.23 должна применяться при включении образцового счетчика через ТТ. Наличие испытательной коробки позволяет осуществлять шунтирование, отключение токовых цепей, подключение прибора учета без отключения нагрузки, пофазное снятие напряжение с измеряемых цепей.
Подключение выполняется на основе десятипроводной схемы, ее отличие от последней состоит в наличии специального испытательного переходного блока между электросчетчиком и ТТ.
С соединением ТТ в “звезду”. Одни выводы вторичных обмоток ТТ соединяются в одной точке, образуя соединение «звезда», другие — с токовыми катушками счетчика, также соединяемые по схеме «звезда».
Недостаток такого способа подключения учета — большая сложность коммутации и проверки правильности сборки схемы.
Советы и рекомендации
На сегодняшний день в многоквартирных жилых домах и частном загородном секторе домовладений в основном устанавливаются однофазные приборы учёта электрической энергии, которые рассчитаны на стандартное напряжение в 220 В. Тем не менее, в условиях использования большого количества бытовых приборов с разными показателями мощности, рекомендуется отдавать предпочтение трехфазным счетчикам, что позволяет подключать энергоемкие устройства, которые рассчитаны на напряжение в 220 В и 380 В.
При выборе прибора нужно обязательно обращать внимание на расчётные показатели тока, а также класс точности, представленный наибольшей допустимой относительной погрешностью, выраженной в процентах. Все вновь устанавливаемые трехфазные счетчики обязательно должны иметь пломбы государственной поверки, давность которых не превышает двенадцать месяцев. Срок давности пломбы на однофазном счетчике не может превышать два года
Срок давности пломбы на однофазном счетчике не может превышать два года
Все вновь устанавливаемые трехфазные счетчики обязательно должны иметь пломбы государственной поверки, давность которых не превышает двенадцать месяцев. Срок давности пломбы на однофазном счетчике не может превышать два года.
Начнем с классификации
Как и любой электроприбор, подобрать трансформатор можно по параметрам и установочным характеристикам:
- Назначение: измерительный, управляющие и лабораторные. Нас интересует, как подключить измерительный вариант.
- Номинальное напряжение первичной обмотки, один из основных параметров: до 1000 В или свыше 1000 В.
- Конструкция первичной обмотки. Одновитковые, многовитковые, стержневые, шинные, катушечные. От конструкции первички зависит способ монтажа.
- Способ установки: трансформаторы могут встраиваться в электроустановку, накладываться на силовые шины, монтироваться в распределительные шкафы или трансформаторные подстанции. Кроме того, существуют переносные приборы для организации контроля или временного учета электроэнергии.
- Тип монтажа: в зависимости от выбранного способа установки и подключения, монтаж может быть проходным или опорным. На иллюстрации проходной тип монтажа.
- Количество ступеней трансформации. При работе с высоким напряжением, может потребоваться каскадное снижение выходных параметров. При этом можно выбирать, куда подключать измерительные (управляющие) приборы: на один или несколько каскадов трансформации.
- Тип изоляции между обмотками и сердечником. Как и в обычных трансформаторах: сухая (керамика, бакелит, некоторые виды пластмасс) или мокрая (классическая бумажно-маслянная). Современные компактные трансформаторы заливаются компаундом. Параметр учитывается при выборе температурного режима эксплуатации: высокий нагрев или наружная установка при минусовых температурах.





































