Ток утечки и разряд аккумулятора на стоянке
Аккумулятор с течением времени постепенно теряет свой заряд. Происходит это из-за
- естественного саморазряда;
- наличия токов утечки.
Потери электрической энергии восполняются бортовым генератором при заведенном двигателе. С саморазрядом современного аккумулятора можно не считаться на протяжении нормативного срока эксплуатации, а утечка тока в автомобиле при исправной электросистеме достаточно мала. Даже в автомобилях с обилием электроники, постоянно остающейся под напряжением, они не увеличиваются слишком сильно. Например, бортовые электронные цифровые часы работает при токе 1-2 мА, память отключенной магнитолы потребляет 3 мА и т.д. Общий ток зависит от конкретной марки, но ориентируйтесь на то, что всего в общей сложности “набегает” максимум 30 мА. Если же спустя несколько часов после выключения двигателя при попытке его запуска стартер крутит слабо или даже не срабатывает вообще, то вероятными причинами разряда становятся:
- Халатность или невнимательность водителя, который забыл выключить аудиосистему, фары или даже просто габаритные огни.
- Разряд аккумулятора недопустимо высокими утечками тока.
Превышение последними некоторого разумного предела, который установлен разработчиком автомобильного электрооборудования, означает, что аккумулятор находится под большой нагрузкой при выключенном двигателе и, соответственно, быстро теряет способность выполнять прямые функции.
Что такое селективное УЗО
УЗО — это устройство защитного отключения. Ни одна современная электрическая сеть не обходится без его применения. Основная цель монтажа такого прибора — повышение безопасности человека от возможного поражения электрическим током, а всей цепи — от возгораний и токовых утечек.
Возникновение последовательных защитных устройств помогает поддерживать противопожарные меры
Такие ситуации вполне могут возникнуть из-за нарушения старого или нового изоляционного слоя проводки, а также из-за некачественного электрического соединения проводов. Чтобы это не переросло в пожар или аварию, используют устройства, которые мгновенно перекрывают сеть.
Кнопка «Тест» для проверки работоспособности
К сведению! Селективность УЗО выражается в избирательности, означающей, что прибор самостоятельно может выбрать участок цепи с проблемами и отрезать его от общей сети
При этом крайне важно не обесточить других потребителей электроэнергии
Утечка тока и способы ее устранения
Поскольку нашей главной аудиторией являются читатели с небольшими знаниями в области электротехники, ограничимся общим описанием подобного явления. Рассматриваемая сегодня утечка тока по своей сути является нежелательным протеканием электричества по пути, непредназначенному для этого. Чаще всего происходит движение по трубам, корпусам приборов, отсыревшей штукатурке и другим конструктивным элементам в доме.
Причинами возникновения могут быть многие факторы, но на практике благоприятные условия для утечки возникают при повреждениях изоляционного слоя. Разрушение его целостности происходит в результате термических процессов, постепенного старения, механического воздействия. Спровоцировать нежелательные моменты способно длительное нахождение токопроводников под перегрузкой. Более детально во всем этом постараемся разобраться в сегодняшней статье.
Как защититься от утечки тока
Первая половина 20 века ознаменовалась бурным развитием электричества. Естественно, потребовались дополнительные меры безопасности. Одной из таких мер является заземление в розетке или в вилке электроприбора. Это придумано для того, чтобы в случае возникновения утечки тока он уходил в землю по линии наименьшего сопротивления. Этот метод в теории должен исключить поражение током от аварийного прибора, который питается от электричества. Но даже если вы установили в доме все розетки с заземлением, и вся современная аппаратура имеет вилку с заземлением, это не может дать стопроцентной гарантии защиты от утечки тока.
В качестве альтернативного варианта можно рассматривать дифференциальный автомат, который совмещает в себе устройство защитного отключения и автоматический выключатель. Такие автоматы помогают защититься от неблагоприятных явлений, которые могут возникнуть в результате утечки тока. Он срабатывает моментально и обеспечивает сеть при возникновении малейшей опасности.
Главная потенциальная угроза при утечке тока заключается в проводке скрытого типа. Вы можете получить поражение при наклейке обоев или нанесения штукатурки. Однако, существуют способы, которые позволяют определить утечку тока, не обращаясь к профессионалам. Самый проверенный и популярный вариант — это транзисторный приемник с диапазоном приема длинных и средних волн. Перед тем как проводить тестирование, нужно убедиться в том, что все электроприборы отключены. Нужно настроить приемник на частоту, свободную от вещания, и медленно продвигаться вместе с ним вдоль предполагаемых зон прокладки кабеля. В непосредственной близости от места утечки в динамике приемника появятся специфический фоновый шум.
Как проверить утечку тока
Для проверки понадобится амперметр, либо мультиметр с функцией измерения постоянного тока

А также гаечный ключ на 10 мм, чтобы отключить клемму 31 АКБ (минусовая клемма).
Внимание! Для замера отключать можно любую клемму (хоть плюс, хоть минус), но в целях безопасности лучше отключать минусовую! Если отключать плюсовую, то по неосторожности можно ключом коснуться металлических частей кузова и устроить короткое замыкание. Внимание! Перед отключением клеммы от АКБ все потребители должны быть выключены. Ключ извлечен из замка зажигания и взят с собой
Это, во-первых, защитит электрооборудование от скачков напряжения. А, во-вторых, обезопасит Вас от проблем, если при подключении клеммы обратно, сработает охранная система и закроет замки дверей, а доводчик закроет стекла
Ключ извлечен из замка зажигания и взят с собой. Это, во-первых, защитит электрооборудование от скачков напряжения. А, во-вторых, обезопасит Вас от проблем, если при подключении клеммы обратно, сработает охранная система и закроет замки дверей, а доводчик закроет стекла
Внимание! Перед отключением клеммы от АКБ все потребители должны быть выключены. Ключ извлечен из замка зажигания и взят с собой
Это, во-первых, защитит электрооборудование от скачков напряжения. А, во-вторых, обезопасит Вас от проблем, если при подключении клеммы обратно, сработает охранная система и закроет замки дверей, а доводчик закроет стекла.
Отключаем клемму 31 АКБ

«Минусовой» щуп мультиметра подключаем к минусовой клемме АКБ
Возможно будет полезно — Как выбрать аккумулятор

Это удобно сделать через отрезок провода, так как щуп не всегда можно зафиксировать на клемме

А «плюсовой» щуп подключаем к проводу, который мы отключили от АКБ. То есть, подключаем мультиметр последовательно (в разрыв цепи)

После этого отработает центральный замок (если есть) и на дисплее отобразится ток потребления системами автомобиля. Мы видим 140 мА

А теперь внимание! Не спешите делать выводы и проводить расчеты, через сколько этот ток разрядит АКБ. Просто сядьте на табурет и ждите примерно одну минуту
Через это время все системы авто перейдут в состояние покоя и Вы увидите реальный ток потребления или утечки
Просто сядьте на табурет и ждите примерно одну минуту. Через это время все системы авто перейдут в состояние покоя и Вы увидите реальный ток потребления или утечки

Как видим, показания обрели нулевые значения.
Примечание. На этом автомобиле отсутствует сторонняя сигнализация и отключена магнитола.
Вот так можно легко проверить ток утечки и ток потребления.
Виды и появления блуждающих токов
Одна из причин связана с массовым применением рельсового электротранспорта. Электрифицированные ЖД магистрали, трамваи и метро, рудничная локомотивная контактная откатка становятся причиной появления блуждающих токов и наносят ущерб газовым трубопроводам, водопроводным линиям, бронированным кабельным сетям, металлоконструкциям.

Общая схема происходящего в этом случае следующая:
- Рельсовый путь используется в качестве проводника, по которому ток возвращается к обратному фидеру тяговой подстанции.
- На участках, которые плохо изолированы от земной поверхности, происходит утечка части энергии в грунт. Так как потенциал в этой точке максимален, появляется блуждающий ток, который движется в зону с небольшим потенциалом. А таким участком и становится труба или кабель в оплётке, любая металлическая конструкция, расположенная в земле.
- Пройдя по металлу, как по пути наименьшего сопротивления, в зону, где потенциал существенно уменьшается, ток выходит в грунт и возвращается в рельсовый путь.
В результате таких процессов в анодных зонах, участки выхода токов из рельсов и трубопровода, возникает процесс электрохимической коррозии. При этом скорость разрушения металлов может достигать десятка миллиметров в год. Для рельсового пути такие повреждения несущественны из-за большой толщины стали, хотя также снижают срок службы конструкции.
А вот для труб с небольшой стенкой такие повреждения становятся критичными. Выглядят они как сквозные отверстия небольшого диаметра. Если трубопровод находится в зоне длительного воздействия блуждающих токов без надлежащей защиты, может возникнуть ситуация, когда его поверхность напоминает решето.
Среди двух других потенциальных источников возникновения блуждающих токов выделяют:
- Трансформаторные подстанции, распределительные устройства с заземляющим оборудованием, линии ЛЭП с глухозаземлённой нейтралью. В случае постоянных небольших утечек на землю, уровень которых не достигает предела срабатывания защитных устройств, в зоне вокруг этих сооружений также возникают паразитные блуждающие токи.
- Электрокабельные сети подземного заложения также становятся причиной подобного эффекта при снижении диэлектрических свойств изоляции или её пробое.
Объяснение схемы выше: нулевой провод (PEN) одним концом соединен с ЗУ электроподстанции, а вторым подключен к шине PEN потребителя, которая соединена с заземляющим устройством объекта. Соответственно, разница электрических потенциалов между выводами нулевого проводника будет передаваться ЗУ, что создаст условия для образования цепи. Величина утечки будет незначительной, поскольку основная нагрузка пойдет по пути наименьшего сопротивления (нулевому проводнику), но, тем не менее, часть ее пойдет по земле.
Понятно, что в большинстве случаев разрушающее воздействие в таких условиях будет меньше, чем в зонах расположения рельсовых путей электротранспорта, но оно также оказывает своё влияние.
Причина появления тока в домашнем быту
Существует ещё один вид блуждающего тока, который правда не связан с процессами, происходящими в земле. Речь идёт о появлении аналогичных повреждений на стальных полотенцесушителях, радиаторов отопления, установленных в обычных зданиях. Основной причиной становится разница потенциалов на этих устройствах и заземлённых участках водопровода или системы отопления.
Раньше все эти сети монтировались из металлических труб и обязательно заземлялись. Поэтому в пределах одного здания разницы потенциалов на отдельных участках или элементах системы не существовало или она была настолько минимальной, что не приносила никакого вреда.
Сейчас ситуация кардинально изменилась, и причиной этого стало массовое применение полипропиленовых и металлопластиковых труб. Полимерные материалы обладают высоким удельным сопротивлением, поэтому их можно считать хорошими диэлектриками. В результате получают изолированные друг от друга участки сети. При этом вода остаётся хорошим проводником, она отлично переносит скапливающийся статический заряд.
Поэтому и происходит появление эффекта блуждающих токов, вызванного разницей потенциалов на заземлённом участке сети и отдельных полотенцесушителях или батареях. В этом случае электрохимическая коррозия быстро разрушает тонкостенные металлические устройства.
Как отыскать потребителя энергии?
Дальнейший поиск утечки тока в автомобиле производится с помощью блока предохранителей (как правило, установлен под капотом вблизи лобового стекла). Порядок действий такой:
- Оставьте амперметр подключенным к контактам аккумуляторной батареи, снимите крышку блока предохранителей.
- Поочередно выдергивая из гнезд предохранители, следите за показаниями на дисплее мультиметра. Если манипуляция не дает результата и величина тока остается прежней, вставляйте элемент обратно в гнездо и переходите к следующему.
- Когда заметите падение тока до нормы, выясните, какие электроприборы «висят» на цепи выдернутого предохранителя. Ищите «виновника» методом исключения, проверяя каждого потребителя отдельно.
Несколько потребителей запитано от аккумулятора напрямую, минуя блок предохранителей. Сюда относится электронный блок управления двигателем, стартер и генератор. Если манипуляции с плавкими вставками не принесли результата и показания дисплея не изменились, переходите к проверке электрогенератора:
- Отсоедините положительную клемму аккумулятора.
- Открутите от генератора питающий провод и обмотайте оголенный конец любым диэлектриком (можно ветошью), дабы избежать короткого замыкания.
- Подсоедините к разрыву цепи батареи мультиметр и проверьте величину тока. Если в генераторе вышел из строя диодный мост, потребление снизится до нормы.
Как правило, пробитый диод генератора вызывает большое потребление тока, измеряемого амперами. Нагруженная обмотка выступает в качестве электромагнита, что легко проверяется с помощью металлического ключа, приложенного к шкиву агрегата. Если ключ притягивается, электрогенератор наверняка неисправен и расходует энергию аккумулятора впустую.
Аналогичным образом можно замерить утечку тока в других цепях, подключенных напрямую. Загляните в электрическую схему авто и поочередно отсоединяйте провода, минующие блок предохранителей. Если по разным причинам мультиметр отсутствует, попытайтесь решить проблему такими способами:
- внимательно осмотрите автомобиль внутри на предмет горящей лампочки в бардачке либо багажнике;
- попробуйте рукой стекла, куда встроены электрические подогреватели;
- проверьте, не нагреваются ли сиденья;
- полностью отключите охранную сигнализацию и магнитолу с усилителем.
Столкнувшись с утечкой тока и разрядкой батареи, вспомните, какое нештатное оборудование довелось установить на машину в последние дни. Причина наверняка кроется в неправильном подключении устройства.
Причины утечки тока АКБ
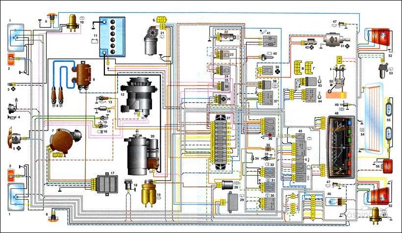
Напомним общую схему электрики автомобиля.
Когда двигатель работает, источником энергии выступает генератор. Он
вырабатывает напряжение около 14 В для подзарядки АКБ и питания всех бортовых
систем. При выключенном зажигании источником электроэнергии становится
аккумулятор с напряжением 12 В.
От АКБ отходит две клеммы — “плюс” и
“минус”. Плюсовой кабель ведется ко всем потребителям (фары,
оборудование), а минусовой — обычно запитан на кузов, выступающий общей массой.
Чтобы оборудование заработало, необходимо один контакт присоединить к плюсу, а
второй запитать на массу (кузов).
Электрическая схема автомобиля
Схема
электрики авто
Для размыкания цепи используется кнопка,
встраиваемая в плюсовую линию. Большинство потребителей дополнительно
“отсекается” замком зажигания, чтобы при выключенном зажигании
перекрывать подачу тока к двигателю, головной оптике, обогреву стекла и т. д.
Это нужно для защиты авто и предупреждения разрядки аккумулятора,
если владелец приехал и забыл отключить электрообогрев стекла или фары. С
поворотом ключа против часовой стрелки эти потребители выключатся
самостоятельно.
Но часть
приборов остается запитанной, минуя замок зажигания. Это необходимо для доступа
к ним электроэнергии даже с заглушенным двигателем или без ключа. К ним
относится: магнитола, освещение салона, часы, габаритные огни.
Летом при ярком дневном свете легко не
заметить оставленные включенными габариты или освещение салона, поэтому эти
элементы продолжат потреблять энергию от АКБ на стоянке. Задетая случайно
кнопка включения магнитолы запустит еще один потребитель, а минимальная
громкость или шум на улице не дадут вовремя обнаружить это, и машина может всю
ночь простоять с работающей музыкой.
Перечисленные выше ситуации — это утечка тока
из-за невнимательности владельца авто. Но напряжение может уходить и по
независящим от человека факторам. Среди них:
- Поломка концевика. В багажном
отделении, под капотом и у каждой двери автомобиля есть концевик, определяющий
закрытое положение. Тогда освещение в указанных местах гаснет. Если концевик
неисправен (сломался механически, заклинил, забилась грязь, отпал провод), то
даже при закрытых дверях будет утечка тока. Заметить горящий свет в салоне не
сложно, а вот в багажнике он может гореть неделями, пока аккумулятор не сядет. - Нарушение целостности изоляции.
Обмотка проводов перетираются от вибрации, рассыхается из-за старости,
оплавляется под действием высоких температур. Нагрев проводов случается из-за
повышенной мощности потребителя и длительной работе или ввиду близкого
расположения линии к двигателю, выпускному коллектору. Целостность изоляции
нарушается сильным прижимом проводов металлическими держателями, клипсами. В
результате проводники замыкаются на кузов и расходуют ток. - Близкое расположение клемм. Если контакты оборудования находятся
близко друг к другу, то при тряске на кочках или случайном задевании рукой во
время ремонта их можно замкнуть. Тогда это место станет причиной утечки тока. - Образование “мостиков”
из полупроводников и проводников. Открытые контакты могут обрастать слоем пыли
и грязи. Если в ней будет металлическая стружка, графит и прочие проводники и
полупроводники, создастся “мостик” для перехода напряжения. Замкнуть
контакты способна вода, попавшая в электрический блок. - Установленное дополнительное
электрооборудование. Если
дополнительный электроподогрев сидений, телевизор и прочие приспособления
подключены с ошибками, они будут “воровать” ток даже при выключенном
зажигании.
Испорченная проводка
В таких
проводах легко перетирается оплетка и случается короткое замыкание
Какие ошибки могут быть допущены при подключении УЗО?
Даже самые грамотные монтажники иногда допускают ошибки. Если неправильно соединить заземление с нулевым проводником, то произойдет сбой. Такого допускать нельзя. Данное правило знают все люди, которые работают с электричеством, но все равно допускают ошибки. Нарушения будут дорого стоить человеку, производящему работы. От удара током можно погибнуть. Необходимо строго следовать правилам заземления. Когда прибор выбрали с подходящими характеристиками и правильно установили на нужное место в электрической цепи, то он будет работать без сбоев.
Часто поступают жалобы от людей, что водонагреватель «Термекс» выбивает УЗО. Такое происходит при неправильном подключении устройства, или когда выбрано устройство другой мощности.
Замеры напряжения
Для сети с переменным напряжением стрелка переключателя устанавливается на ACV. К разъемам СОМ и «VΩmA» подсоединяются щупы. Если вы не уверены в примерном диапазоне тестируемого напряжения, выбирайте максимальное значение. При появлении на дисплее значения меньше установленного переключатель переводится на более низкую по вольтности ступень. Методом подбора довольно быстро можно определиться с приблизительной величиной искомого значения. Для сети с постоянным напряжением такой процесс выполняется аналогичным образом. Чаще всего во втором варианте выбирается отметка 20 В. Примером могут быть ремонтные работы электрообрудования автомобиля.
Можно с уверенностью утверждать, что каких-то больших затруднений такое мероприятие не вызывает. Необходимо всего лишь придерживаться основных мер безопасности – исключить прикосновение к оголенным участкам щупов руками.
Как производится проверка утечки тока в автомобиле мультиметром
При появлении первых признаков такой неисправности, необходимо произвести проверку утечки тока в автомобиле с помощью прибора.
Последовательность проверки:
1. Перед выполнением работ необходимо найти схему расположения предохранителей автомобиля. Это можно сделать, скачав руководство по эксплуатации авто, задав соответствующий запрос в поисковике. В некоторых автомобилях расшифровка предохранителей имеется на крышке блока предохранителей. Необходимо найти все места, где имеются предохранители в автомобиле.
2. Снимается положительная клемма аккумуляторной батареи. Зажигание и все электрооборудование авто должны быть выключены. Некоторые специалисты рекомендуют вести контроль по отрицательно клемме. Принципиальных отличий нет, цепь все равно одна. При контроле по положительной клемме проще производить поиск конкретного места утечки.
3. Мультиметр переключается в режим измерения постоянного тока 10 Ампер, щупы устанавливаются в соответствующие разъемы. На щупы лучше надеть наконечники-крокодилы.
4. Далее положительный (красный) щуп тщательно закрепляют на плюсовой клемме АКБ, минусовой – на снятой клемме, идущей к оборудованию автомобиля. Место этого соединения необходимо защитить от случайного контакта с кузовом авто (можно просто временно заизолировать ветошью), чтобы не было короткого замыкания.

5. На цифровом дисплее мультиметра будет индицироваться ток утечки. Если его величина меньше, чем 0,2 Ампера, можно дальнейший контроль не производить. Если ток больше 0,5 Ампер, то есть критического значения, необходимо перейти к дальнейшим операциям.
В случае, когда его величина находится в пределах от 0,2 до 0,5 Ампера, решение о целесообразности дальнейших действий принимается самостоятельно. Если ток превышает верхний предел измерений (как это показано на следующем фото), следует немедленно прекратить измерения и пригласить специалиста.
6. Если ток утечки в автомобиле больше критического значения, приступают к поиску конкретной причины и ее источника.
Для этого необходим помощник. Он будет последовательно доставать и вставлять на прежние места предохранители. В это время «оператор» мультиметра должен контролировать изменение показаний прибора.
Если при демонтированном предохранителе, показания значительно не изменятся (более, чем на 5%), значит, через этот предохранитель ток утечки практически не идет.
Правильнее начинать отключение — включение с мощных предохранителей, рассчитанных на большие токи. Это может ускорить процесс поиска. Обычно по цепи предохранителей большого номинала стоит еще несколько меньших предохранителей.
Если, например, при демонтаже предохранителя, отвечающего за блок управления кузовом, ток утечки значительно уменьшился, необходимо перейти к контролю малых предохранителей отвечающих за световое оборудование, дворники, омыватель и другие элементы оборудования кузова.
Видео — поиск утечки тока в автомобиле:
Лучше всего таким методом перебрать все предохранители. Предохранители автосигнализации обычно устанавливаются не на штатные места, они могут «висеть» рядом с основным блоком сигнализации.
Некоторые автоэлектрики используют усложненный метод контроля. Для него помощник не требуется.
7. Усложненный метод. В этом случае обратно накидывается положительная клемма АКБ. Последовательно достаются предохранители. Щупы мультиметра устанавливаются в разъемы вынутого предохранителя, контролируя ток по конкретной цепи. Данный метод более трудоемок, но точен.
8. Расшифровав по схеме расположения предохранителей все цепи, по которым утекает ток, приступают к установке конкретной причины утечки в этих цепях. Для этого нужен опыт работы со схемами электрооборудования автомобиля. Наиболее распространенные причины:
- замыкание проводки;
- залипание реле;
- выход из строя электронных блоков.
9. Для временного устранения проблемы утечки тока, можно не вставлять на место предохранитель, через который идет утечка. Например, если причина утечки находится в неисправности автомагнитолы, на время стоянки можно выключать соответствующий предохранитель.





































