Счетчики прямого включения
Этот тип приборов учета имеет предельное значение тока 100 А и применяется при небольшом количестве и малой мощности потребителей (до 60 кВт) и подключается к сети напрямую через установленную в счетчике клеммную колодку с восемью контактами по следующей схеме:

LA; LB; LC – фазовые проводники. N – нулевой рабочий проводник.
При выполнении монтажных работ крайне важно соблюдать фазировку проводов – неправильные соединения вызывают появление дополнительных погрешностей прибора. Чередование фаз напряжений осуществляется по часовой стрелке: ABC – BCA – CAB, правильную последовательность подключения проводов можно определить при помощи фазомера или прибора ВАФ
Разновидности схем подключения
Трехфазный счетчик прямого подключения

 Устройство предназначено для монтажа в электролиниях с силой тока до 100 А. Так можно снизить нагрузку техники, совместимой с приборами учета до 60 кВт. Особенность прямых счетчиков – невозможность присоединения контактов к проводникам большого сечения. Подключаться следует так:
- С кабеля снимается изоляционный слой на 5 мм. Окисления удаляются при помощи растворителя.
- Проводники подсоединяются на трехполюсный автомат, установленный для счетчика. Это выполняется с целью его защиты от замыкания на линии питания.
- В клеммном отделе прибора находятся контакты.
- На нечетные подкидываются 3 провода фазы от автовыключателя питания.
- Вводные и выходные нейтрали соединяются с клеммами № 7 и № 8.
- После установки учетного модуля ставится автомат, аналогичный вводному изделию.
- Выключатель подсоединяется на четные клеммы.
- Проводится разбивка техники на группы и на каждую фазу ставятся автоматы (для сетей с напряжением 220 В).
Особенности схемы подключения можно посмотреть на крышке клеммника.
Подсоединение прибора учета полукосвенным способом
Полукосвенный электросчетчик подкидывается на трансформаторы учета. Считать количество использованной энергии нужно, ориентируясь на преобразовательный индекс. Для этого используется одна из схем:
- Десятипроводная. Понадобится 11 проводов, которые подключаются справа влево. На первые 3 подсоединяется фаза А, на вторые 3 – фаза В. На кабели № 7-9 подкидывается фаза С, на десятый – нейтраль. Подключать трехфазник нужно испытательными колодками.
- Звезда. Применение схемы позволяет сократить количество проводников. Вначале в одной общей точке собираются первые однополярные выходы вторичной обмотки. Следующие 3 точки от выходов направляются на счетчик. Токовые обмотки соединяются.

 Звезда

 Десятипроводная
Полукосвенные модели также допускается подкидывать при помощи сцепки цепи тока с цепью напряжения.
Косвенный метод подключения счетчика

 Схема включения трехэлементного счетчика к трехпроводной линии — два трансформатора тока, три трансформатора напряжения При минимальных энергозатратах актуально косвенное соединение. Поскольку через учетные изделия проходит повышенный ток, требуется раздельный трансформатор. Преобразователь разрывает токовую обмотку при подключении. Схема реализуется последовательно:
- Подбор материалов для первичного и вторичного контуров. Для первички понадобится толстый проводник, пропущенный через центр трансформатора. Вторичка навивается из тонкой проволоки.
- Трансформаторы подкидываются на каждую из фаз и крепятся к задней стенке распредшкафа.
- Концы проводов первички подключаются к автомату на вводе.
- Вторая часть контактов первичного контура отдельными проводниками сечением 1,5 мм2 подсоединяется на клеммы № 2, 5 и 8.
- Вторичную катушку подсоединяют аналогичными кабелями на выводы учетного прибора – 1 к 3, 4, а 6 и 7 к 9.
- На клеммники № 10 и 11 подкидывают нейтральный провод.
Подключение электросчетчика с трансформаторами тока
Одной из важнейших характеристик любого электросчетчика является его номинальный ток. То есть ток, который прибор может не только посчитать, но и долговременно через себя пропускать. Если в вашем доме стоит очень мощное оборудование, а потребляемый им ток имеет большие значения, то подобрать подходящий электросчетчик не удастся – счетчиков для таких мощностей просто не существует в природе. Как тут быть? Выход из положения – установка трансформаторов тока (ТТ).
Как работает и для чего нужен
Основной задачей прибора является пропорциональное преобразование тока одной величины в ток другой. Конструктивно изделие представляет собой железный сердечник, на котором размещены две обмотки. Первая включается в разрыв сети, состояние которой нужно контролировать, а вторая – к электросчетчику. Электроэнергия, проходя по первой обмотке, будет наводить ЭДС во второй, а отношение токов в этих катушках будет пропорционально отношению количества их витков.
Принцип работы токового трансформатора
Если, к примеру, первичная обмотка имеет 2 витка, а вторичная 20, то введенный во вторичной обмотке ток будет в 10 раз ниже тока первичной. В этом случае говорят, что коэффициент трансформации прибора 10 к 1 (10/1). Предположим, ваш токарный станок потребляет ток в 200 А. Такую мощность не выдержит ни один электросчетчик. Но если вы подключите прибор через ТТ, рассмотренный выше, то максимальная нагрузка через счетчик не будет превышать 200/10 = 20 А.
Совсем другое дело – токи такой величины легко сможет контролировать практически любой электросчетчик. Подбирая трансформаторы с тем или иным коэффициентом трансформации, вы легко можете вести учет расхода электроэнергии практически любой мощности обычными электросчетчиками.
Как подключить ТТ к трехфазной сети
А теперь о схеме включения счетчика через ТТ. Конечно, она будет несколько сложнее конструкции прямого включения, но не настолько, чтобы в ней не разобрался человек, имеющий представление о простейших электрических цепях.
Схема подключения трехфазного счетчика через трансформаторы тока
В этой схеме электросчетчик подключен не в разрыв сетевых проводов, а ко вторичным обмоткам ТТ, которые обозначены как И1, И2. А в этот самый разрыв подключены первичные обмотки трансформатора (на схеме Л1, Л2).
Прежде чем взяться за сборку вышеприведенной схемы, необходимо четко разобраться в нескольких вопросах. От правильного их решения будет зависеть не только безопасная и долговременная работа схемы, но и ее работоспособность. Вот основные из них:
- Правильный выбор сечения монтажных проводов.
- Фазировка катушек ТТ.
Если вы не врезаете ТТ непосредственно в линию, то соединяющие провода первичной обмотки должны иметь то же сечение, что и проводка линии. Проводники, соединяющие ТТ и счетчик, конечно, могут быть тоньше, но они должны уверенно выдерживать ток, обозначенный на корпусе электросчетчика.
На фазировку (правильное подключение концов катушек) ТТ нужно обратить особое внимание. В противном случае прибор учета либо не заработает, либо будет врать, а то и закрутится в другую сторону, если он двунаправленный
Как разобраться с фазировкой? В этом поможет рисунок ниже:
Набор токовых трансформаторов для трехфазной сети
Даже если ваши трансформаторы не совсем похожи на приведенные, особой разницы нет – в любом случае все выводы обмоток маркируются единообразно. Контакты первичной, силовой обмотки отличить несложно – они гораздо мощнее контактов вторичной и расположены с противоположных сторон изделия. Маркируются они Л1 и Л2. Выводы обмотки 2, подключаемой к электросчетчику, в этом варианте исполнения закрыты прозрачной крышкой и имеют обозначение И1, И2. Если взглянуть на схему подключения счетчика, то можно увидеть, что катушки не только должны быть подключены каждая на свое место, но и правильно сфазированы:
- Л1 – на ввод питающей линии;
- Л2 – выход на нагрузку;
- И1 – на ввод счетчика;
- И2 – выход счетчика.
Что касается расцветки корпуса ТТ, она условна и служит только для удобства монтажа. Фактически все три трансформатора абсолютно идентичны.
Как быть, если в вашем доме однофазная сеть, но ток потребления слишком велик для электросчетчика? Такая ситуация достаточно редка, но она случается. И здесь выручит токовый трансформатор, причем всего один. Как подключить однофазный электросчетчик через ТТ понятно из рисунка ниже:
Схема подключения однофазного электросчетчика с трансформатором тока
Электронные
 Устройство электросчетчика. Для увеличения нажмите)
Устройство электросчетчика. Для увеличения нажмите)
Данный измеритель — новый, усовершенствованный аппарат, что стал отличной заменой старого индуктивного.
Устроен он следующим образом: электроток и напряжение влияют на электронные элементы, по итогу создаются импульсы, численность которых измеряется пропорционально измеряемой энергии.
Проще говоря, принцип действия подобных счетчиков базируется на преобразовании напряжения и аналоговых входных сигналов тока в счетный импульс. В результате создаются импульсы, численность которых пропорционально активна энергии, которую можно измерить.
Данные аппараты имеют много плюсов и преимуществ перед старыми образцами измерителей:
 
- небольшие габариты;
- учетность по многим тарифам;
- контроль суточного расхода энергии;
- безошибочность;
- возможность удаленного контроля работы счетчика;
- высокий уровень безопасности;
- многофункциональность.
Примите во внимание: несмотря на многочисленные преимущества, электронные счетчики электроэнергии очень чувствительны к перепадам напряжения, практически не подлежат ремонту и имеют высокую стоимость
Подключение через трансформаторы тока
Максимальный ток счетчика электроэнергии, как правило, ограничен значением 100 А, поэтому применить их в мощных электроустановках невозможно. В этом случае подключение к трехфазной сети идет не напрямую, а через трансформаторы. Это также позволяет расширить диапазон измерения приборов учета по току и напряжению. Однако, основная задача входных трансформаторов – уменьшить первичные токи и напряжения до безопасных значений для ЭС и защитных реле.
Полукосвенное
При подключении счетчика через трансформатор необходимо следить за полярностью начала и конца обмоток трансформатора тока, как первичной (Л1, Л2), так и вторичной (И1, И2). Аналогично нужно следить за полярностью при использовании трансформатора напряжения. Общую точку вторичных обмоток трансформаторов необходимо заземлять.
Назначение контактов трансформатора тока:
- Л1 — вход фазной (силовой) линии.
- Л2 — выход фазной линии (нагрузка).
- И1 — вход измерительной обмотки.
- И2 — выход измерительной обмотки.
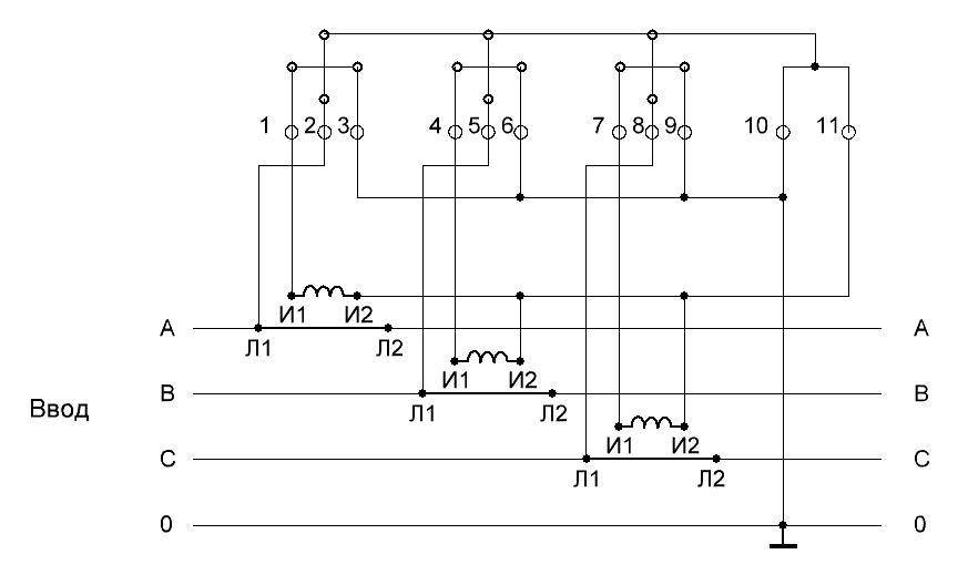
Рисунок 5 – Десятипроводная схема подключения через ТТ
Такой тип включения электросчетчика в сеть 380 Вольт позволяет разделить цепи тока и напряжения, что повышает электробезопасность. Минусом данной электрической схемы трехфазного подсоединения счетчика является большое количество проводов, необходимых для подключения ЭС.
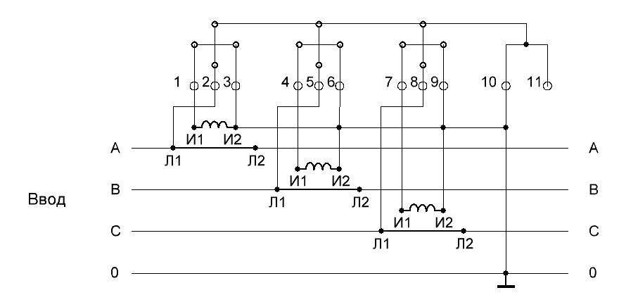
Такой тип подключения счетчика электроэнергии с заземлением к сети 380 В требует меньшего количества проводов. Включение по схеме звезда достигается объединением вывода И2 всех обмоток ТТ в одну общую точку и подсоединением к нулевому проводу (рисунок 6).
Рисунок 6 – Включение трансформаторов «звездой»
Недостатком этого способа подключения электросчетчика в сеть 380 Вольт является ненаглядность схемы соединений, что может усложнить проверку включения для представителей энергоснабжающих компаний.
Такая схема подключения трехфазного счетчика используется на высоковольтных присоединениях. Такой тип непрямого присоединения используется в большинстве случае лишь на крупных предприятиях и приведен лишь для ознакомления (рисунок 7).
Рисунок 7 – Косвенное включение
В этом случае используются не только высоковольтные трансформаторы тока, но и трансформаторы напряжения. Для трехфазного подключения необходимо заземлять общую точку трансформаторов тока и напряжения. Для минимизации погрешности измерений если присутствует несимметрия фазовых напряжений необходимо, чтобы нулевой проводник сети был связан с нулевым зажимом счетчика.
Напоследок рекомендуем просмотреть еще одно полезное видео по теме:
Предложенные в статье электросхемы являются типовыми. В случае если возникает необходимость, схему подключения счетчика всегда можно посмотреть в паспорте ЭС. Надеемся, что информация была для Вас интересной и полезной!
Электромонтаж трехфазного прибора учета
Подсоединение счетчика к сети 220 Вольт
Здравствуйте. Имеется гаражный кооператив, к которому подведена электроэнергия — 3 фазы по четырёхпроводному проводу. Общее потребление кооператива определяется по трёхфазному трансформаторному счётчику. В каждый бокс подведены все три фазы. В нескольких боксах стоят трёхфазные счётчики. Все подключены по трёхфазной четырёхпроводной схеме. В нескольких боксах счётчиков нет. Потребление боксов без счётчиков рассчитывается вычитанием из показаний общего счётчика показаний счётчиков боксов и делением остатка на число боксов без счётчиков. В некоторых из боксов со счётчиками нагрузка однофазная, т.е. все потребители питаются от одной фазы. Разгорелся спор — владельцы боксов без счётчиков заявили что при этом счётчики значительно занижают показания и расчёты не корректны, что надо умножать показания счётчиков при однофазной нагрузке на корень из трёх, разумеется счётчиковладельцы с этим не согласны. Не допустите кровопролития, разрешите спор. (если возможно, со ссылкой на какую-нибудь литературу). Спасибо.
Включение в однофазную цепь
Чтобы подключить счетчик, рассчитанный на трехфазное питание, в однофазную сеть, сначала потребуется ознакомиться с отличиями этих двух видов электропитания. При каждом из них в составе кабеля, подводящего напряжение с трансформаторной подстанции, имеется нулевой рабочий проводник N и фазы (одна или три).
В однофазной сети разность напряжений между фазными жилами A, B, C и нулем составляет 220 Вольт, а между самими фазами – 380 Вольт. Так называемое «линейное» напряжение образуется за счет того, что векторы действующих потенциалов на каждой из фаз сдвинуты относительно друг друга на 120 градусов.
При обилии на рынке продаж различных моделей однофазных измерителей тока включение трехфазного счетчика в однофазную сеть применяется крайне редко. В большинстве случаев схема такой коммутации аналогична прямому включению. Отличие состоит в том, что линии B и C не подключаются к счетчику, подсоединению подлежит только одна фаза. Существенным недостатком такого включения является возможность проблем с контролирующими организациями, которым очень не нравятся все варианты расключений, не соответствующие действующим нормативам и стандартам.
Выбор прибора учета
Перед тем как подключать 3х фазный счетчик, подходящий для частного дома, нужно убедиться в том, что использование этой марки прибора предусмотрено типом питающей сети. Далее потребуется выяснить, на какой рабочий ток должен быть рассчитан приобретаемый счетчик. При этом следует исходить из величины учитываемой прибором и потребляемой в нагрузке мощности. Как правило, в этом случае ориентируются на номинал вводного автомата, в соответствии с которым возможны следующие варианты:
- при использовании выключателя с уставкой «40» рабочий ток счетчика должен быть 60 Ампер;
- при номинале автомата 40-60 Ампер приобретать следует учетный прибор с предельным токовым показателем в 100 Ампер.
Большим плюсом трехфазного счетчика считается наличие в нем возможности фиксировать график нагрузки и вести учет потребленной мощности за любой временной отрезок
При выборе такого прибора важно поинтересоваться его классом точности (от 0,2 до 2,5) и допустимым температурным диапазоном. Желательно чтобы последний показатель был как можно шире (от – 20º C до 50º C)
Принцип работы счетчика
Однофазные и трехфазные счетчики устроены по одному принципу. Разница только в том, что в сети 380 вольт учет ведется отдельно по каждой из фаз, а затем суммируется. Давайте разберемся, как работает счетчик для одной фазы, после чего понять устройство з-х фазного несложно. Ниже изображена блок-схема современного прибора с прямым подключением.
Клеммы для подключения проводов обычно располагаются в указанном на рисунке порядке, но лучше проверить по паспорту конкретного счетчика
Электронные модели
Электронные счетчики электроэнергии могут работать как в сетях переменного, так и в сетях постоянного тока
Постоянное напряжения обычно используется на предприятиях, так что для квартир и частных домов оно не слишком важно. Если сравнивать с электромеханическими моделями, по размерам электронные намного меньше, так как в них мало крупногабаритных элементов
Кроме того, они надежнее, так как нет подвижных деталей. Есть у электронных еще один плюс — они учитывают как активную, так и реактивную нагрузку (сумма индуктивной и емкостной составляющей).
Трансформатор напряжения подключен между фазой и нулем, трансформатор тока — в разрыв фазного проводника. Данные с трансформаторов передаются на преобразователь, где трансформируются в частотные сигналы и поступают в микроконтроллер. В нем расшифровываются показания и записываются в ОЗУ (оперативное запоминающее устройство). Параллельно микропроцессор руководит электронным реле и дисплеем.
Блок-схема электронного счетчика электроэнергии
Данные в ОЗУ сохраняются продолжительный период времени, записи делаются по типу дневника. В нем фиксируется расход электроэнергии по датам и времени, что позволяет провести анализ расхода. В некоторых модификациях, электронные трехфазные счетчики могут передавать информацию о расходе по специальному каналу. Этот канал может быть подключен к домашнему компьютеру, системе умный дом. При определенных настройках может автоматически передавать данные в абонентскую службу для проведения расчетов.
Еще одна функция электронных приборов учета — многотарифный учет. При наличии нескольких тарифных сеток, зависящих от времени, величина потребленной в разное время энергии, записывается в разные ячейки. При снятии показаний, данные списываются, умножаются на свой тариф. Использование многотарифного учета позволяет экономить на счетах за электричество.
Электромеханические или индукционные
Учет энергии в индукционных счетчиках построен на отслеживании параметров переменного магнитного поля, поэтому работать такие устройства могут только с переменным током.
Устройство индукционного электромеханического счетчика
Основной элемент индукционного 3-х фазного счетчика — специально сконструированный магнитопровод с прорезью. В прорезь вставляется край диска, закрепленного на оси. Через одну из катушек магнитопровода проходит ток, вторая подключена параллельно. К плоскости диска при помощи шестеренок подключен механический счетчик, отсчитывающий повороты диска.
Ток, проходя по магнитопроводу, создает магнитное поле, а оно вихревые потоки в алюминиевом диске. Взаимодействие магнитного поля и вихревых потоков создает крутящий момент, который заставляет диск крутиться вокруг своей оси. Чем больше сила тока, тем более мощное генерируется поле, тем быстрее вращается диск, тем быстрее сменяются показания на счетчике.
Необходимость в трёхфазном учете
Согласно требованиям действующих нормативов, при возрастании величины потребляемой объектом мощности до значений 15-20 кВт и выше должна применяться трехфазная система питания. Объясняется это тем, что при указанных мощностях величина электрического тока в цепях может достигать 70-ти Ампер, что считается недопустимым для городских квартир.
Дополнительная информация. Для обеспечения нормального режима работы многоквартирной сети потребуется электрический кабель с сечением жил порядка 10 мм², монтаж которых практически невозможен в реальных условиях.
При данных показателях потребления действующими положениями ПУЭ предписывается использование системы энергоснабжения, рассчитанной на 380 Вольт. Учёт расходуемой энергии в этом случае обеспечивается подключением трехфазного электросчетчика непосредственно в питающую цепь.
Потребляемая при этом мощность распределяется между тремя фазными жилами, вследствие чего ток в каждой из них снижается примерно до 2,5 Ампер. Благодаря такому подходу, сечение жил подводящего кабеля, к которому подключается вся электросеть, можно будет уменьшить до значения порядка 2,5 мм².
Зависимость сечения проводников от протекающего по ним тока или от потребляемой нагрузкой мощности представлена в отдельной таблице (смотрите https://elquanta.ru/schetchiki/podklyuchenie-schetchika.html). Понятно, что при уменьшении этого параметра снижается и стоимость всей электропроводки, а также существенно упрощается ее монтаж.
Переход на современную и универсальную трехфазную схему питания предпочтителен и с точки зрения поддержания требуемого температурного баланса, обеспечивающего безопасные условия эксплуатации всей системы электроснабжения.
Естественно, что этот способ организации электропитания и учёта в частном доме потребует значительных по величине материальных издержек. Так что всем желающим воспользоваться преимуществами трехфазного подключения необходимо заранее определиться со своими финансовыми возможностями.
Советы по эксплуатации счетчика
Устанавливая счетчик на улице нужно помнить, что в данном случае он может неверно показывать количество потребляемой энергии. Это зависит от некоторых факторов, а именно:
- при низкой температуре;
- при повышенной влажности;
- при попадании прямых солнечных лучей.
Чтобы не допустить подобных погрешностей, нужно правильно выбрать место для установки, поместить устройство в защитный бокс и обязательно утеплять в зимнее время.
Счетчик, установленный на улице.Источник nord-camping.ru
При неправильном подключении счетчик может иметь самоход. Чтобы проверить это, необходимо полностью отключить все электроприборы, выключить освещение и автоматы. Отключить всею электротехнику от розеток. После этого проследить за табло устройства. Если счетчик продолжает считать и цифры медленно сменяют друг друга, это значит, что у прибора есть самоход. В этом случае нужно немедленно обратиться в организацию энергоснабжения.
Чтобы обеспечить свободный доступ представителям компании энергоснабжения, прибор контроля лучше всего установить на лестничной площадке. Кроме того, ответственность за сохранность устройства будет нести компания, которая обслуживает ваш дом.
Если постает вопрос, какой счетчик лучше выбрать – однофазный или трехфазный, нужно принять во внимание, где именно он будет устанавливаться. Если это квартира, то соответственно все приборы, которыми пользуются легко работают от однофазного питания. Соответственно устанавливается и однофазный прибор
Соответственно устанавливается и однофазный прибор.
Обслуживание электросчетчиков.Источник grani21.ru
В индивидуальном хозяйстве часто используют трехфазное питание. Но, поскольку от трехфазного счетчика можно провести и однофазный кабель, то экономичнее будет подсоединять трехфазный прибор.
Об обслуживании и неисправностях счетчика в видео:
Подключение трехфазного счетчика прямого включения
Здравствуйте, уважаемые читатели сайта . Для учета потребляемой электрической энергии в трехфазных четырехпроводных цепях переменного тока применяют трехфазные электрические счетчики, разделяющиеся по типу подключения на счетчики непосредственного включения, полукосвенного
икосвенного включения .
Счетчики полукосвенного
икосвенного включения предназначены для работы в мощных электрических сетях и применяются для учета энергии на крупных строительных объектах, промышленных предприятиях, заводах и т.п.
Счетчик измеряет потребляемую энергию с помощью разделительных трансформаторов тока
, которые устанавливают на каждую фазу. Трансформаторы преобразуют входной сигнал тока до определенной величины, который затем поступает в измерительную часть счетчика.
Отсюда и происходит название способа включения, потому что в процессе измерения ток сначала проходит через трансформаторы и понижается до рабочего диапазона счетчика, и только потом попадает в его измерительную часть. Поэтому за счет применения трансформаторов счетчики косвенного и полукосвенного включения могут работать с нагрузкой в несколько раз превышающей их рабочий ток.
Счетчики непосредственного включения применяются для учета потребляемой энергии в электрической сети маломощного потребителя. Измерение электроэнергии осуществляется внутренней схемой самого счетчика, которая подключается непосредственно к трехфазной четырехпроводной сети переменного тока. И хотя такое включение ограничено максимальным током, который способен пропустить счетчик и ограничено величиной 100 Ампер, однако этого тока вполне достаточно для домашней электрической сети.
На примере трехфазного счетчика непосредственного включения «Энергомера» я расскажу Вам, как его включить в трехфазную сеть
. В принципе, схема подключения дается в руководстве по эксплуатации и дополнительно изображена на корпусе счетчика, поэтому проблем с подключением возникнуть не должно. Однако эти схемы имеют один минус – на них не показано включение коммутационной аппаратуры.
Сейчас мы этот минус устраним. Итак. Для подключения нам понадобится счетчик
, дваавтоматических выключателя инулевая шинка . Автомат, который будет стоять на вводе (перед счетчиком), желательно установитьчетырехполюсный , чтобы при необходимости или возникновении аварийной ситуации можно было полностью отключить себя от линии.
Чтобы добраться до клеммной колодки необходимо открутить винт и снять нижнюю крышку. На рисунке винт обозначен кружком.
Сначала подключим вводной автомат
. С выходных клемм автомата фазы А, В, С (белый провод) подключают на входные клеммы счетчика 1-3-5, а ноль N (синий провод) на клемму 7.
В процессе монтажа провод от изоляции очищают следующим образом: конец провода, подключаемый к выходной клемме автоматического выключателя, очищают от изоляции на длину 8 – 10 мм, а конец, подключаемый к клемме счетчика, очищают на длину 27 – 30 мм.
При подключении провода к счетчику откручивают оба винта контактного зажима. Провод вставляют до упора и первым закручивают верхний винт. Легким подергиванием провода убеждаются, что он плотно зажат и если зажат, то затягивают нижний винт.
Совет
. Если счетчик предполагается использовать в частном доме или квартире, то монтаж внутренних соединений выполняется медным проводом сечением 4мм². Использовать провод сечением свыше 4мм² нет смысла, так как для домашнего потребителя Россеть более 15 кВт не дает и по техническим условиям вводной автомат разрешает устанавливать на нагрузку не более 25 Ампер. А рабочий ток медной жилы сечением 4мм² составляет приблизительно 32 Ампера, чего вполне достаточно.
Продолжаем. С выходных клемм счетчика 2-4-6 провода фаз А, В, С подключаются на входные клеммы автоматического выключателя, с выхода которого трехфазное напряжение поступает в домашнюю электрическую сеть. С клеммы 8 нулевой провод N подключается к нулевой шинке.
А вот как выглядит полная монтажная схема включения трехфазного счетчика.
Теперь если подать напряжение на счетчик, то на его лицевой панели должен зажечься световой индикатор «Сеть». А при подключении нагрузки световой индикатор «600 imp/kW•h» (или «400 imp/kW•h» — в зависимости от исполнения) должен мигать.
Также рекомендую посмотреть ролик о включении трехфазного счетчика прямого включения в трехфазную электрическую сеть.
Удачи!
Преимущества подключения на 3 фазы
  Три фазы в частном доме
 Три фазы в частном доме
Устанавливая многотарифный счетчик, владельцы дома или квартиры получают множество выгод:
- экономия – у некоторых моделей есть режимы дневной и ночной тарификации, что позволяет использовать меньше энергии ночью, чем днем;
- универсальность – устройства можно подсоединить со стандартной сети 220 В или новой сети 380 В прямым способом или через трансформатор;
- постоянный контроль – счетчик уравновешивает сетевое напряжение;
- точность – учет затраченной электроэнергии производится с погрешностью от 0,2 до 2,5 %;
- дополнительные функции – счетчики оснащаются журналом событий, электросиловым модемом, фиксацией пользователей, монитором для вывода данных.
Однофазный вариант дает погрешность показаний до 5 %.
Подключение трехфазного счетчика косвенного подключения
Как выбрать трехфазный счетчик?
Вначале необходимо убедиться, что подключение прибора предусмотрено типом питающей сети – трехфазные счетчики могут использоваться в четырехпроводных сетях 220/380 В или 230/400 В. Далее следует установить рабочий ток счетчика, исходя из величины учитываемой прибором нагрузки, который соответствует номинальному току вводного автоматического выключателя помещения.

Существенной экономии электроэнергии позволяет добиться использование многотарифных счетчиков, имеющих позицию «день – ночь» и рассчитывающих потребление электричества в ночное время по сниженным тарифам. Значительным преимуществом будет наличие в устройстве внутреннего тарификатора и профиля мощности, что дает возможность управлять тарифными переходами, фиксировать график нагрузки и вести учет значений потребляемой мощности электроприемников на любом отрезке времени. Также при выборе прибора учета большое значение имеет его класс точности (от 0,2 до 2,5) и температурный диапазон (от – 20º C до 50º C).
Монтажные работы по установке трехфазного счетчика
Существует два способа крепления прибора учета в распределительном щите:
- На три винта (для корпусов типа S или Ш);
- На DIN-рейку (корпуса R. Или P).
При втором варианте установки положение DIM-рейки регулируется таким образом, чтобы все крепежные отверстия в платформе прибора и в щите совпадали.
Виды электросчетчиков
Производители выпускают три вида 3-фазных электросчетчиков:
- Прямого включения – аналогично однофазным подсоединяются к сети 380 или 220 В. Пропускная мощность аппаратов – до 60 кВт, максимальный ток не превышает 100 А. Для подсоединения подходят провода сечением 1,5-2, мм2.
- Полукосвенного включения – подкидываются через трансформатор, поэтому подходят для сети с большой нагрузкой. Показания подсчитываются путем умножения разницы предыдущих и последующих данных на коэффициент трансформации.
- Косвенного включения – подсоединение осуществляется через трансформаторы напряжения и тока. Применяются для учета электроэнергии при высоковольтной интеграции.
Схема подключения прибора будет зависеть от его типа.
Использование трехфазного счетчика в качестве однофазного

Согласно техуказаниям для сети от 15 кВт можно устанавливать 3-х фазные счетчики. Сетевые организации и Энергосбыт не имеют полномочий для указания количества подключенных фаз. Но это касается только временного использования на период строительных работ.
Пользователям, решившимся на включение трехфазника как однофазника, нужно знать следующее:
- после прибора можно ставить 3 раздельных автомата и подкидывать 3-х фазный кабель,
- к счетчику делается ввод, от которого идет 1 фаза,
- официальное разрешение на такую линию получить невозможно, поскольку счетчик 3-фазный используется только на трехфазной четырехпроводной сети,
- на аналоговых моделях нельзя объединять фазы,
- при установке электронного проверяется по очереди каждая фаза,
- нагрузка на сеть будет несимметричной, что приведет к поломкам оборудования, авариям, травматизму.
Сети с питанием на 3 фазы обеспечивают качественное подключение большого количества мощной техники – кондиционеров, электроплит, обогревателей. Трехфазный электрический счетчик позволяет с высокой точностью проконтролировать энергозатраты, отличается несколькими тарифами и возможностью монтажа на улице.
Монтаж электрощитка
Для монтажа счетчика СО 505 используем Щиток Квартирный пластиковый типа ЩК (напоминаю, это малобюджетный вариант замены). Вот нижняя часть электрощитка, которая крепится к стене:
Электрощиток для счетчика
Саморезами указаны три пластиковые вставки, входящие в комплект щитка, к которым будет крепиться счетчика. Эти вставки свободно двигаются (и могут свободно выпадать) в своих пазах.
Счетчик СО-505 сзади имеет три отверстия для монтажа, через которые он крепится к этим вставкам:
Внешний вид электросчетчика СО505 сзади
Теперь необходимо надежно закрепить заднюю панель электрощитка на стене:
Монтаж электрощита для счетчика
Очень важно, чтобы задняя панель была закреплена без перегибов, чтобы потом без проблем одеть на неё верхнюю крышку и чтобы ровно вошли автоматы. Для монтажа используем переноску (запитанную от соседей), перфоратор, дюбеля на 6 или 8, саморезы. Я обычно соседей не тревожу, подключаюсь через двухполюсный автомат к имеющимся проводам в квартире, и аккуратно делаю нужные отверстия под дюбеля
Этот способ также рассмотрен в статье про прокладку кабеля до счетчика, см. ссылку в начале статьи
Я обычно соседей не тревожу, подключаюсь через двухполюсный автомат к имеющимся проводам в квартире, и аккуратно делаю нужные отверстия под дюбеля. Этот способ также рассмотрен в статье про прокладку кабеля до счетчика, см. ссылку в начале статьи.
Счетчики полукосвенного включения
В электрических сетях, предназначенных для энергоснабжения мощных потребителей, таких как тепловые пушки, сварочное оборудование, станки и т.д., приборы учета подключаются с использованием разделительных трансформаторов тока. Эта необходимость обусловлена тем, что суммарная нагрузка электроприемников превышает номинальный ток счетчика. Трансформаторы устанавливаются в разрыв питающих проводов.
Счетчики полукосвенного включения могут устанавливаться по следующим распространенным схемам:
- Десятипроводная схема;
- Соединение трансформаторов тока «звездой»;
- Подключение через испытательный блок.
Десятипроводная схема предусматривает раздельные цепи тока и напряжения, что делает ее безопасной в использовании и обслуживании, однако она требует большого количества проводов.

Контактные зажимы:
- Фазовых проводов (A; B; C): 1, 4, 7 – входные, 3, 6, 9 – выходные;
- Измерительных обмоток фаз (A; B; C): 2, 5, 8 – входные;
- Входной нулевой провод: 10;
- Нулевой провод: 11.
Контакты трансформатора: Л1 – вход силовой линии, И1 – вход измерительной обмотки, Л2 – выход силовой линии, И2 – выход измерительной обмотки.
PE – заземляющий проводник, подключается к нулевой шине.
При соединении «звездой» все выходы измерительных обмоток трансформаторов И2 сходятся в один узел тока и подключаются к 11 зажиму счетчика. Выходные зажимы фазовых проводов 3,6, 9 и входной 10 нулевого провода соединяются между собой и подключаются к нулевой шине.

Согласно ПУЭ, п. 1.2.23 цепи приборов учета должны выводиться на самостоятельные сборки или отдельные секции в общем ряду зажимов. При их отсутствии должна применяться испытательная колодка (блок), позволяющая закорачивать вторичные обмотки трансформаторов тока, обесточивать все токовые цепи прибора во время его обслуживания или замены и подключать эталонный счетчик при включенной нагрузке. Схема подключения прибора – десятипроводная, испытательный блок устанавливается между счетчиком и трансформаторами.

Также встречается устаревшая семипроводная схема подключения счетчика, в этом случае его первичные и вторичные цепи гальванически связаны медными перемычками, что представляет угрозу поражения персонала электрическим током при обслуживании оборудования, поэтому применение такого способа крайне нежелательно.

Счетчики косвенного включения применяются в промышленных условиях и в бытовом хозяйстве не встречаются.





































