Где используются пеллеты, какие лучше и как хранить
Большая область применения пеллет — бытовая теплоэнергетика. Благодаря высоким энергетическим свойствам они могут сжигаться в любых твердотопливных котлах.

Западная и отечественная промышленность специально под этот вид топлива разработала котлы длительного горения с полной автоматизацией теплотехнических процессов выработки тепловой энергии на нужды отопления и ГВС.
Поэтому топливные гранулы не имеют большого количества минпримесей, а также, при производстве, следят за тем, чтобы в них отсутствовали металлические включения.
Пеллеты можно различать по качеству исходя из их цвета, на который влияет сырьевые отходы:
- Черного цвета получаются при большом содержании коры, гнили несоблюдением технологии.
- Серые гранулы выходят из неокоренного дерева.
- Светлые, получаются из хорошей древесины. Они обладают наибольшей теплоотдачей, не в такой степени разламывается, и имеют более высокую цену, чем первые два варианта гранул.
Пеллеты следует сохранять в сухих, вентилируемых помещениях. Температура внутреннего воздуха не имеет значение. Самое главное чтобы мешки с гранулами не соприкасались с грунтом либо бетоном. Наилучшее расположение — на деревянных поддонах.
Преимущество и недостатки отопления пеллетами
К плюсам пеллетного отопления можно отнести следующее:
- На установку твердотопливного пеллетного котла не нужно получать разрешение, как для газового оборудования.
- Агрегат не нуждается в особом техническом обслуживании. Достаточно 1-2 раза в месяц очищать его от золы, если нет функции автоматической очистки.
- В ходе работы твердотопливный нагреватель не выделяет вредные соединения и не загрязняет атмосферу.
- КПД нагревательного оборудования, работающего на твердом топливе, составляет 75-95%.
- Топливо легко транспортировать и хранить. Единственное условие для места хранения состоит в том, что там должно быть сухо.
- Некоторые модели котлов могут не только отапливать дом, но и решать проблему горячего водоснабжения.
- Агрегат можно установить своими руками без привлечения специалистов.
Но недостатки у пеллетного отопления тоже есть:
- В сравнении с газовыми и электрическими котлами пеллетные агрегаты стоят дороже.
- Модели без системы автоочищения нужно регулярно чистить от золы. Обычно частота этой процедуры составляет 1 раз в неделю.
- Если сравнивать стоимость газового и пеллетного отопления дома, то последняя разновидность обойдется дороже.
- Импортные котлы на пеллетах не переносят перебои с подачей электроэнергии и суровые зимы, поэтому преждевременно выходят из строя.
- В некоторых населенных пунктах не так легко купить гранулы.
Удаление золы
Пеллетные котлы оснащены специальными зольными контейнерами для сбора золы. Существует два метода удаления отходов:
- ручной;
- автоматический.
Первый способ применяется в простых моделях. Чтобы убрать золу нужно остановить котел, вынуть контейнер и удалить из него содержимое. На частоту уборки влияет качество пеллетов.
Некоторые пеллетные котлы отопления обладают функцией автоматического удаления золы, в которых шнековый транспортер перемещает отходы в наружный контейнер. Во время транспортировки происходит уплотнение золы, вследствие чего происходит уменьшение ее объема.

Особенности установки
Устанавливают пеллетный котел примерно по следующей схеме. Сначала выполняют монтаж самого агрегата, после чего подключают к нему горелку. Затем устанавливают бункер для пеллет. Далее выполняют подключение шнека, подающего топливо. В последнюю очередь подсоединяют автоматику оборудования.

Дымоход
При монтаже особое внимание следует уделить системе удаления дыма. Чтобы дымоходный канал обеспечил необходимую тягу при любых погодных условиях необходимо учитывать, что его диаметр должен совпадать с размером выходного патрубка
Кроме того, в дымоход обязательно встраивается устройство для вывода конденсата.
Лучше всего для дымоходного канала использовать металлические трубы. При этом их нужно утеплить и предусмотреть возможность очистки труб. Слишком сильная или, наоборот, слабая тяга может вывести из строя пеллетный котел, поэтому необходимо установить стабилизатор тяги или шиберную заслонку.
Пеллетные котлы и камины
Для сгорания гранулированных брикетов выпускается специальное оборудование, в обычных твердотопливных котлах сжигать топливо не рекомендуется. Котлы пеллетные, как и камины, обладают своими особенностями, характеристиками.
Камины для сгорания пеллетов
Применяются в качестве дополнительного источника обогрева для помещений площади не более 25 м2.
Средний уровень мощности 6-15 кВт, различаются камины:
- конвекционного типа, прогревающие воздух;
- дополненные контуром ГВС, обогревают воздух и служат для раздачи горячей воды;
- комбинированные (универсальные) для прогрева воды и воздуха.
Твердотопливные пеллетные котлы

Это пеллетные системы отопления мощностью до 100 кВт, которые можно устанавливать в больших домах, оборудованных магистралями с водяным носителем или контурами теплых полов. Из-за высокой огнеопасности пеллет котлы монтируются в подвале или отдельно стоящем помещении, – котельная должна быть оборудована в соответствии с требованиями безопасности.
Теплоэффективность котлов зависит от вида оборудования, в продаже также встречаются приборы с возможностью сжигания только гранулированного топлива, дров и брикетов и универсальные агрегаты, где горит любой вид топлива.
Принцип работы и устройство котлов для сгорания пеллет
Отличие пеллетных котлов от стандартных твердотопливных в малом размере камеры сгорания. Сниженные объемы нужны потому, что все процессы протекают в конвекционном отсеке оборудования.
Принцип работы стандартный – горелка особого типа с повышенным КПД поджигает топливо, в процессе сгорания выделяется тепло, которое прогревает воду, теплоноситель направляется в приборы отопления и трубы в доме, отдавая энергию воздуху.

Для расчета нормы мощности котла применяется формула на 10 м2 площади 1 кВт тепла плюс 15%. Дополнительный запас может быть больше, если дом расположен в регионах с суровым климатом, недостаточно утеплен или оборудован большими окнами. Камины мощностью в 15 кВт применяются для отопления домов до 100 м2 только при подключении контура системы отопления. Но чаще всего для домов от 25 м2 используются котлы, камины служат для локального прогрева комнат или в качестве альтернативного источника тепла с возможностью раздачи горячей воды.
Бизнес план производства пеллет
Рассмотрим бизнес план производства пеллет в России.
Анализ рынка
С 2012 по 2018 год рынок пеллет в России вырос почти в два раза, и тенденция к росту сохраняется — у биотопливной отрасли огромный потенциал. Если перерабатывать хотя бы 1/2 всех древесных отдоходов в РФ, можно производить в год 8 млн тонн пеллет (при нынешнем уровне производстве менее 2 млн тонн). В таком случае РФ может вытеснить США с позиции лидера по объемам производства пеллет.
Долгое время этот рынок в нашей стране был монополизирован — до 40% экспорта приходилось всего на одну компанию, производяющую 900 тонн продукции ежегодно. Сейчас на рынке более 10 крупных компаний, на долю которых приходится до 60% экспорта пеллет. У всех этих компаний разные рынки сбыта и сырьевая база, поэтому у новой компании есть шансы занять свое место в нише.
Какое помещение нужно для пеллетного производства
Для производства пеллет вам понадобится просторное помещение, в котором поместится производственная линия. Есть определенные требования: высота потолка должна быть не ниже 10 метров, площадь цеха – минимум 150 кв. м. Кроме того, продумайте помещение для хранения сырья и готовой продукции.
СоветДля таких требований лучше арендовать промышленный корпус за чертой города или земельный участок, на котором можно построить производственное здание. Важным условием считается наличие электроэнергии и водопровода.
Оборудование для производства пеллет
Список оборудования зависит от технологических особенностей и специфики производства. Есть промышленные линии и мини пресс грануляторы (с дизельным или электродвигателем, а также с приводом от вала отбора мощности трактора). У каждого из них свои плюсы и минусы. Пресс грануляторы с электрическим двигателем можно остановить только в цеху, а с дизельным двигателем реально перевезти на лесопилку или другое место сбора древесных отходов.
Производственные линии стоят дороже всего, но они обеспечивают максимальную производительность и возможность выпускать пеллеты в промышленных масштабах.
Если покупать измельченное сырье нужной влажности, вам понадобится только гранулятор, который можно смастерить самостоятельно. На покупке дробилки в таком случае можно сэкономить. Если вы хотите изготавливать пеллеты «с нуля», понадобится сушилка и дробилка. Сушилку можно изготовить своими руками, используя две сваренных между собой металлические бочки.
Для упаковки лучше использовать холщовые или бумажные пакеты объемом в 20 кг. После того как вы начнете производить пеллеты для собственных нужд, можете рассматривать варианты продажи излишек.
Персонал
Вам понадобятся:
- операторы на производственной линии (в зависимости от масштабов производства),
- работник склада,
- водитель,
- грузчики,
- начальник производства.
- менеджер по продажам,
- бухгалтер.
Какие документы нужны
Для небольшого производства достаочно открыть ИП. Это можно сделать в течение 3 рабочих дней, подав заявление по месту постоянной регистрации собственника и заплатив пошлину 800 рублей. Если же речь о заводе по производству пеллет, необходимо открыть ООО. Также нужны разрешения от пожарных, СЭС. Обязательно разработать ТУ (технические условия) на производство.
Код ОКВЭД 20.10.2. После регистрации подайте документы о переходе на упрощенную систему налогообложения.
Из чего делают
Любое сырье с содержанием лигнина подойдет для изготовления пеллет. Самым распространенным в России является древесное сырье, причем чаще используют хвойные породы, несмотря на то, что из лиственных получается более качественное топливо. Популярность хвойных пород объясняется тем, что переработка древесины лиственных пород требует более сложного и дорогого оборудования: почти все лиственные породы не очень хорошо прессуются, потому требуется более мощное оборудование, часто приходится экспериментальным путем подбирать режим переработки/увлажнения/прессования, а это время и средства. Причем стоимость пеллет при реализации на внутреннем рынке от материала зависит незначительно.

Сырьем для производства пеллет являются любые горючие отходы
Чем отличаются березовые пеллеты от хвойных? Березовые пеллеты имеют незначительно большую выделяемую теплоту при сгорании, чем хвойные, но разница невелика. Зато в при горении березовых нет смол, которые при длительном использовании сосновых оседают в дымоходе, из-за чего требуется его чистка.
Агропеллеты чаще изготавливают из соломы. Хотя теплоотдача таких гранул меньше, чем у древесных, но стоят они значительно дешевле. Большей теплоотдачей среди агропеллет отличаются гранулы из рапсовой соломы. Пелеты из шелухи (лузги) подсолнечника являются отличными конкурентами гранулам из бурого угля. Преимуществ у них много: гранулы из лузги дешевле, у них меньше зольность во много раз, да и тепла выделяют они больше и зола лузги экологически чистая, являющаяся отличным удобрением для агрокультур.
| Удельная теплота сгорания, ккал/кг | Удельная теплота сгорания, КВт/кг | Стоимость 1 тонны, $ | |
| Пеллета древесная | 4100 | 4.7 | 80-125 |
| Пеллета из соломы | 3465 | 4.0 | 75-80 |
| Пеллета из лузги подсолнуха | 4320 | 5.0 | 75-115 |
Торфяные гранулы — это безотходный, экономический и экологический вид топлива. Но их используют, в основном, в промышленности из-за высокой зольности. Также широко распространено применение торфяных гранул для усиления действия минеральных удобрений.
Пеллеты из макулатуры изготовляют по иной технологии. Вместо просушки, их увлажняют, а затем помещают в пресс-гранулятор. Из-за особенностей сырья для гранулирования бумаги требуется больше затрат.
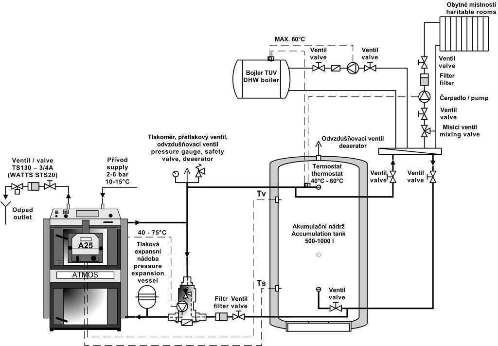
Схема подключения пеллетного котла
Схема подключения пеллетного котла в систему отопления дома идентична схеме подключения любого теплогенератора, будь то газовый котел или котел на дизельном топливе.
Нижний патрубок котла врезается в обратку, верхний патрубок врезается в подачу. Горение пеллет в горелке котла строго контролируется при помощи двух факторов:
- подача топлива шнеком,
- подача воздуха вентилятором.
А потому перегрев котла в штатной ситуации невозможен. Значит, обвязывать металлом подачу котла нет необходимости. Схема пеллетного котла с полипропиленовыми или металлопластиковыми трубами прекрасно работает у многих хозяев долгие годы.



А для внештатных ситуаций, вызванных авариями в линиях электропередач или отказом контроллера котла, стоит предусмотреть схему аварийного отключения подачи топлива и воздуха в камеру сгорания котла. То , которое на момент аварии будет находиться в топке котла, уже неспособно вызвать перегрев теплоносителя в системе отопления.
При такой простоте обвязки, монтаж пеллетных котлов может производить не специализированная организация, а любая строительная организация с лицензией.
Выбор производства пеллет как бизнес
В первую очередь необходимо оценить востребованность продукции, которую будет производить новое предприятие, и определиться с тем, в каком регионе открывать его наиболее целесообразно. Основной тенденцией мирового развития является повышение интереса к альтернативным и возобновляемым источникам энергии, а также существенным ужесточением требований к их экологической безопасности.
Пеллеты являются продуктом переработки отходов предприятий различного назначения:
- деревообрабатывающих;
- лесопильных;
- ряда пищевых производств;
- с/х.
Часто указанную продукцию именуют древесными гранулами или «евродровами», но производство пеллет может быть организовано с использованием отходов любого из упомянутых выше производств.
Основными сферами использования пеллет являются, в первую очередь, энергетика:
- генерация тепловой и электроэнергии;
- когенерация на электростанциях и котельных;
- частные домовладения (котлы, работающие на пеллетах, или комбинированные, пеллетно – газовые);
- продукция широко востребована производителями такого продукта, как наполнитель для кошачьих туалетов.
Возможны варианты использования пеллет в отраслях вспомогательного значения. Например, для работы парогенераторов промышленного назначения, абсорбентов и т.п.
Линия по производству пеллет, ориентированная на внутренний российский рынок является сегодня не особенно прибыльным, так как объём потребления крайне незначителен. Основными потребителями упомянутой продукции выступают государства Западной Европы и Китай.
Можно организовать пеллетное производство, значительно различающихся по составу из-за исходного сырья (чистые древесные опилки, древесина с определённым процентом коры, соломы. жмыха и т.п.). Чем больше примесей, тем существеннее зольность готовой продукции и, соответственно, ниже её качество, а значит и стоимость.
Наиболее дорогими и высококачественными считаются пеллеты, у которых упомянутый показатель не превышает полутора процентов. Именно эта продукция является наиболее востребованной для пеллетных котлов, установленных в частных домах, а также для производства наполнителя.
Если показатель в 1,5% по зольности превышен (1,5 – 5,0) %, то использовать пеллеты в качестве топлива можно только на крупных промышленных установках.
При этом следует иметь в виду, что единых международных стандартов на данную продукцию не существует. Поэтому следует внимательно ознакомиться с требованиями действующих нормативов именно в той стране, в которую планируется организовать поставку готовых пеллет. И именно с этим учётом подбирать оборудование по производству пеллет.
Диаметр готовой продукции может задаваться диапазоном 5,0 – 10,0 мм, а её длина, соответственно 6,0 – 75,0 мм. Различаются требования к зольности продукции (высший сорт в USA ≤ 1,0%, в Европе ≤ 1,5 %. Сорт «стандарт» соответственно ≤ 3,0%);
- сырьевой рынок;
- ведущие производители, уже работающие на данном рынке (уровень конкуренции);
- наличие платёжеспособного спроса (описание потребителей упомянутой продукции);
- анализ существующих цен, их динамика и ёмкость имеющегося рынка;
- выбор технологий, по которым будут организовано производство гранул. Определение поставщиков необходимого для этого оборудования.
Реализовать проект можно в любом регионе России.
Для анализа сбыта продукции требуется получение возможно более полной характеристики целевого рынка, на которые планируется выходить с пеллетами.
По результатам анализа собранной информации разрабатывается стратегия маркетинга, которой будет следовать новый завод или производственный комплекс, и проводится выбор бизнес-модели будущего предприятия, которая будет положена в основу производства древесных гранул.
Что лучше — дрова или пеллеты?
Увидеть отличия между дровами и пеллетами поможет сравнение стоимости одной единицы тепла. К примеру, 1 куб дров весит около 600 кг и стоит около 1500 рублей, а 1 куб брикетов — 1000 кг и 3000 рублей. Но древесина содержит на 40−50% реального топлива меньше.

При этом древесина выделяет количество тепла в 2900 ккал в час, а брикеты — 5200 Вт в час. Цена за 1 Вт этих двух топливных материалов будет незначительно различаться, а эффект практически одинаковый.
Но при выборе учитывают и качество. Чаще продается свежеспиленная древесина с влажностью около 50%, что уменьшает их теплотворность. Дополнительно, они требуют много места для хранения, а их перевозка обходится еще дороже.
Описание сырья
Пеллеты — гранулы из отходов древесины Пеллеты – это древесные гранулы, обработанные специальным материалом. По сути представляют собой отходы деревообрабатывающего производства. Пеллеты являются экологически чистым природным сырьем, в составе которого нет опасных химических веществ и соединений. Они нетоксичны и безопасны для здоровья и окружающей среды.
Лучшим сырьем для изготовления пеллет являются опилки, отрезки, стружка, горбыль, древесная мука и прочие отходы. В зависимости от породы дерева гранулы могут быть белыми, черными, серыми. Фермеры могут создавать пеллеты из сена, лузги подсолнечника, камыша, рисовой шелухи и других сельскохозяйственных отходов. Их переработка не вызывает сложностей и не требует специального оборудования. Также производить пеллеты можно из торфа. Это более затратный процесс, так как требует наличия специального оборудования и хороших ресурсов.
К основным параметрам относятся:
- Зольность. Чем она ниже, тем лучше для котла – он не требует частой очистки.
- Влажность. Количество воды в пеллетах составляет около 60.
- Общая длина гранул.
- Плотность.
- Насыпная масса.
- Класс истираемости.
Свойства также зависят от породы, из которой выполнено топливо.
Преимущества и недостатки топливных пеллет
Пеллеты представляют собой экологически чистое топливо природного происхождения с уровнем содержания золы не более 3%. В качестве исходного материала для производства топливных гранул в большинстве случаев используют отходы деревообрабатывающих производств и сельскохозяйственной промышленности. Ранее данные виды отходов просто вывозились на полигоны захоронения, где впоследствии гнили и по прошествии некоторого количества времени воспламенялись или в лучшем случае начинали тлеть.
Топливные гранулы не содержат в своем составе пыли и спор, менее подвержены самовозгоранию и не вызывают аллергических реакций у людей во время горения. Основным отличием топливных гранул от древесины является более высокий уровень сухости, так как уровень влажности пеллет, в отличие от древесины, составляет всего 8–11% против 30–50% у сухих дров. Кроме этого, уровень плотности топливных гранул более чем в два раза выше, чем у древесины. В результате чего данные качества обеспечивают топливным гранулам более высокий уровень теплопроводности в отличие от дров или щепы, так как в процессе сгорания одной тонны топливных гранул выделяется более 3,5 тысяч киловатт/часов тепла, что более чем в 1,5 раза больше, чем могут обеспечить традиционные дрова.
Помимо всего прочего в качестве преимущества топливных гранул можно считать высокую и постоянную насыпную плотность, обеспечивающую максимально удобную транспортировку данного материала на большие расстояния. Небольшие размеры, правильная форма и однородность консистенции топливных гранул обеспечивают удобство пересыпания данного материала через специальные рукава, тем самым предоставляя возможность полной автоматизации процессов погрузки–разгрузки и сжигания данного вида топлива.
Устройства для применения топливных пеллетов
Применяются паллеты деревянные для отопления (как и сделанные из другого типа сырья) в приборах, специально разработанных для этих целей. Это котлы, камины, обладающие собственными характеристиками, особенностями.
Камины для загрузки пеллетов
Применяются для прогрева отдельно взятых помещений или домов с площадью до 20-25 м2.
Средняя мощность приборов 6-15 кВт, различаются три типа приборов:
- конвекционные, обогревающие воздух;
- с контуром для горячего водоснабжения – могут прогревать воду;
- комбинированные – применяются для прогрева воды и воздуха.
Котлы для загрузки пеллетов
Это пеллетные системы отопления с мощностью до 100 кВт, поэтому применяются в домах площади до 100 м2, допускают формирование контуров с жидким теплоносителем для теплых полов или автономной системы отопления. Устанавливать котлы рекомендуется в подвальных или специально оборудованных помещениях, а также отдельно стоящих зданиях.

Эффективность котлов зависит от типа оборудования, в продаже встречаются приборы работающие:
- только на гранулах;
- на гранулах, дровах или брикетах;
- комбинированные типы оборудования, допускающие применение любого вида твердого топлива.
Главная проблема пеллетных котлов
Главный враг котлов на пеллетах – низкокачественное топливо. Теоретически качество пеллет зависит от сырья и соблюдения технологии производства. Самыми хорошими считаются белые пеллеты, которые изготавливаются в основном из древесины хвойных пород. Они отличаются высокой теплотворностью, очень низкой влажностью и минимальным содержанием примесей. Пеллеты с небольшим количеством серых и коричневых включений не намного уступают им по характеристикам: у них чуть выше зольность (количество несгораемого остатка), по теплотворности они немного уступают белым, но зато стоят дешевле. Самыми низкокачественными считаются агропеллеты – они темного цвета, изготавливаются из коры, веток, обрези бревен и другого самого «бросового» сырья.
На практике положение дел куда сложнее. Предлагаемые в продаже пеллеты могут содержать не только древесную стружку и опилки, но и солому, торф, различную шелуху, даже строительный мусор. Практически все отечественные пеллеты содержат в том или ином количестве песок. Могут не соблюдаться производственные технологии и условия хранения на складе поставщика, в результате пеллеты попадут к потребителю влажными. Примеси в пеллетах опасны тем, что при их сгорании в топке образуются твердые отложения и обильная зола, которые снижают КПД котла и могут привести к поломке. Особенно плохо низкое качество топлива сказывается на котлах иностранного производства, прежде всего немецких.
Производство пеллет
Благодаря использованию отходов сельскохозяйственного и лесного производства сами гранулы топливных пеллет получаются экологически чистыми, соответственно, характеристики золы и продуктов сгорания выглядят очень неплохо и не представляют опасности для бытовых потребителей. Немаловажный вклад в столь важную характеристику добавляет использование специфического оборудования для производства пеллет. Зачастую компактное, но мощное прессовое оборудование позволяет наладить использование отходов непосредственно по месту их получения. Например, рядом с лесопилкой или цехом деревоперерабатывающего комбината.
Оборудование
Чтобы перейти на пеллетное отопление, нужно установить специализированное оборудование. Это пеллетные котлы и пеллетные печи. В продаже появились даже пеллетные камины, которые не уступают по комфорту и дизайну своим классическим моделям.
Цена пеллетных котлов варьируется в зависимости от производителя, вместимости бункера, максимальной мощности и типа горелки от 100 000 до 250 000 рублей.
Несмотря на высокую цену оборудования, пеллетные котлы окупятся уже через пару лет использования и начнут работать на существенную экономию средств на отопление. Их основным преимуществом является полная автоматизация использования. Бункер пеллетного котла можно наполнять всего раз в неделю. При наличии твердотопливного котла можно переоборудовать его и обойтись установкой самой пеллетной горелки.
Пеллеты могут гореть и в обычной печи или камине, но при этом часть пеллет будет вылетать в трубу, а часть проваливаться сквозь отверстия колосника. Поэтому все же лучше использовать специальное оборудование.
Основные преимущества
Активный рост популярности пеллетного топлива, наблюдаемый в последнее время, объясняется целым рядом его преимуществ.
- Высокая экологичность топливных гранул заключается в том, что при их сгорании в атмосферу выделяются преимущественно водяной пар и углекислый газ, которые не представляют вреда для растений и живых организмов.
- Поскольку пеллетное топливо отлично поддается пиролизу, его удается успешно использовать в высокоэффективном топливном оборудовании длительного горения. Также благодаря данному качеству процесс загрузки пеллет в отопительный котел можно легко автоматизировать, тем самым минимизировав участие человека в функционировании такого оборудования.
- Благодаря компактным размерам топливных пеллет для их хранения не надо выделять значительные площади. Кроме того, транспортировка гранул не вызывает особых сложностей и, соответственно, не требует значительных финансовых затрат.
- Гранулирование топливных пеллет осуществляется без использования дополнительных химических веществ, клеящих составов и модификаторов, что способствует чистоте такого топлива, которое не имеет неприятного запаха и не вызывает аллергических реакций. Данные характеристики позволяют организовывать процесс хранения пеллет даже в непосредственной близости от жилых помещений.
- Значение тепловой отдачи, которой отличаются качественные пеллеты, превосходит аналогичный параметр многих видов натуральной древесины и каменного угля.
- При организации правильного хранения пеллеты не подвергаются процессам внутреннего прения и гниения, что минимизирует вероятность их самопроизвольного возгорания.
- Во многих регионах, где имеется мощная сырьевая база для производства пеллет, а также функционируют крупные предприятия по выпуску подобной продукции, такие гранулы являются самым недорогим видом качественного топлива, которое позволяет эффективно и с незначительными финансовыми затратами обогревать как жилые строения, так и здания промышленного назначения.

Относительная стоимость единицы тепловой энергии, производимой различными видами топлива
Требования к качеству
Основными требованиями к качеству топливных пеллетов являются:
- Гранула должна быть ровной и гладкой.
- Отсутствие трещин в гранулах, их коробления и осыпания.
- Гранула должна быть плотно спрессована.
- Готовый продукт должен иметь правильный процент влажности (она не должна превышать 15%).
- Желательно чтобы гранулы были одного размера (в основном производители изготавливают топливные гранулы длинной от 5 мм до 70 мм, а в диаметре от 6 мм до 10 мм) независимо от вида топливного пеллета.
- Отсутствие или наименьшее содержание примесей (пыль, песок) в готовой продукции, которые ухудшают качество пеллетов.
- Цвет. У древесных топливных гранул он должен быть светлым (более светлый – более качественный), так как чем меньше темных или коричневых вкраплений в пеллете, тем меньше в нем содержится коры и примесей. У торфяных и растительных гранул он темно-серый либо черный.
- На пеллетах не должно быть грибка либо плесени.
- Не должно быть никаких химикатов.
Другие виды котлов

наиболее популярны модели с верхним горением
Их преимущество в том, что на одной закладке топлива такой котел может работать 20–60 часов.
Минус их в том, что на режим полной мощности они выходят через 15–25 часов, в зависимости от:
- вида топлива;
- скорости его горения.
Еще один популярный вид котлов – пиролизные, в которых топливо сгорает в условиях сильной нехватки кислорода. Это приводит к выделению большого количества пиролизных газов, которые затем сжигают в специальной камере.
Благодаря такому способу сжигания:
- увеличивается КПД котла;
- снижается расход топлива.
Время горения одной закладки топлива 3–7 часов.
Они более эффективны при работе на брикетах из-за особенностей движения:
- воздуха;
- пиролизных газов
в топке и камере дожига.
Третий вид котлов – классические и максимально простые устройства. Единственное их преимущество в невысокой цене, самые дешевые модели можно купить за 5–15 тысяч рублей.
КПД таких котлов составляет 75–80 процентов, что заметно ниже, чем котлов любого другого типа. Поэтому их используют лишь в качестве временного источника тепла, пока ожидают поставку нормального котла. Время горения одной закладки топлива в них составляет 1,5–2,5 часа.
Можно ли топить пеллетами обычную печь?
Ранее упоминалось, что пеллеты крайне активно входят в повседневную жизнь, однако требуется специальная система печи и горелки для обеспечения нормального пламени и равномерного процесса теплоотдачи.
Несмотря на целый ряд ограничений, пеллеты можно без особого труда сжигать и в обычной печи, однако нередко теряются преимущества топлива в таком формате использования.
Главными положительными особенностями материала являются:
- Долгий срок горения;
- Малое выделение дыма и токсических веществ;
- Высокое количество тепловой энергии;
- Равномерность прогорания.

Если вы планируете сжигание пеллетов в стандартной печи без ее существенной модернизации, то они будут попросту гореть как обычные дрова. Из-за их высокой стоимости такой формат использования становится не выгодным.
Чаще всего требуются незначительные доработки согласно проверенным схемам. Все они отличаются друг от друга своей сложностью, стоимостью выполнения и необходимостью в дополнительном оборудовании. Несмотря на все сложности, уже в первые часы после модернизации вы сможете забыть о тех трудностях, что преследовали вас ранее.














![Пеллеты: что это такое и их топливные преимущества [2019]](https://terradream.ru/wp-content/uploads/b/d/b/bdb8511965337069bd296864eb0ca9db.jpeg)





















