Нюансы использования
Испытательные коробки как конструкции простейшего типа не нуждаются в особом обслуживании, что не означает их абсолютной надежности. Согласно требованиям действующих нормативов, в процессе эксплуатации ИКК рекомендуется регулярно подтягивать контакты винтовых зажимов. В процессе эксплуатации проводники нагреваются и слегка деформируются, что вызывает ослабевание соединений.
К коробкам с контактами зажимного типа таких требований обычно не предъявляется. К тому же обращаться с ними намного удобнее, поскольку для отключения измерителя дополнительного инструмента не потребуется.
Правила использования
Монтаж, демонтаж, открытие и установка пломб коробки выполняются только специалистами в этой сфере, имеющими лицензию, полученную от Энергонадзора, и получившие нужный уровень допуска на работу.
Все испытательные боксы можно распределить по различным характеристикам. Для начала их делят по типу сети, где они будут использоваться.
Далее можно встретить коробки, необходимые для использования в сетях 220 В и 380 В. Также их различают по весу, внешнему виду, размерам.

Подключение трансформаторов к электричеству
Испытательные коробки ИКК могут быть круглой, овальной или квадратной формы. Кроме этого, их разделяют по:
- предназначению. Для применения вместе с контрольно-измерительными приборами или только для коммутационных действий;
- способу монтажа. Можно встретить боксы, используемые для монтирования в распределительный блок;
- числу контактных категорий. Производимые ИКК могут быть с тремя электроконтактами и более;
- виду крепления. Могут быть винтовые, нажимные, барьерные и фиксированные крепления. Также некоторые приборы имеют защиту для кабелей;
- числу контактных рядов. Могут быть как с одним и более ярусами;
- исполнению — прямые и угловые;
- виду используемого кабеля.
Обратите внимание! Главным различием коробок всегда является схема, по которой они подключаются. В зависимости от фабрики и применения ИКК может подключаться разными способами. Все крупные предприятия в сфере энергетических ресурсов занимаются созданием и распространением испытательных коробок
Основные различия могут заключаться в использованных материалах при изготовлении
Все крупные предприятия в сфере энергетических ресурсов занимаются созданием и распространением испытательных коробок. Основные различия могут заключаться в использованных материалах при изготовлении.
Если человек не обладает подходящим инструментом или навыками электрика, то не желательно пытаться самостоятельно установить испытательную переходную коробку. Неправильная установка может привести к некорректной работе счетчика или короткому замыканию проводов. Если через прозрачную крышку был обнаружен дефект в проводах или клеммниках, то нужно вызывать специалиста на дом незамедлительно.
Важно! Срывать пломбы самостоятельно не разрешается. Этим занимается специалист с допуском. Самоуправство может привести к наложению штрафов
Самоуправство может привести к наложению штрафов.
Многие мастера рекомендуют приобретать приборы с дополнительной защитой для проводов, чтобы при возгорании огонь не проходил по ним. Стоимость таких изделий варьируется в пределах 250 руб. Изделия из более дорогого материала имеют цену от 300 до 500 руб.*

Схема подключения коробки переходной
Подключить ИКК можно самостоятельно без трудностей. Но выполнять вскрытие и пломбировку может только специальный человек. Такая коробка поможет не только упростить работу со счетчиком, но и сделать ее более безопасной.
*Цены в статье указаны на апрель 2021 г.
Назначение разветвительных коробов
Электрическая проводка должна разделяться на отдельные группы в зависимости от потребителя электроэнергии. В этих целях используются специальные электротехнические изделия, выполняющие важные функции:
- повышение уровня пожарной безопасности;
- эстетичность.
Под корпусом коробки прячут кабели, что обеспечивает надежную защиту от механических повреждений и существенно продлевает срок службы проводки в целом. Если рассматривать принцип монтажа, то приборы делятся на встраиваемые и наружные, подходящие для открытой проводки. Первые размещают внутри заранее подготовленных ниш, вторые крепят к поверхности любой стены. Также существует специальная уличная коробка.
Основная функция распределительной коробки
При помощи данного электротехнического изделия можно существенно снизить расходы на организацию электропроводки. Без этого элемента пришлось бы соединять каждый электроприбор с отдельным кабелем, что привело бы к приумножению количества каналов, требуемых для укладки, и испортило внешний вид.
Грамотное распределение кабеля внутри коробки повысит безопасность жилых и нежилых комнат. Это обусловлено изоляцией соединительных точек с горючими материалами, содержащимися в стене. Конструкция оборудования продумана до мельчайших деталей, поэтому гарантирует легкость проведения ремонтных работ.
Но основная функция коробки связана с равномерным распределением электрической энергии между всеми потребителями, установленными в помещении. Кроме того, структура изделия учитывает потенциальное расширение за счет добавления новых ветвей электрической цепи.
Почему называется по-разному
Данное электротехническое оборудование называют по-разному, начиная от распределительной и заканчивая ответвительной или распаячной коробкой. Принцип действия всегда идентичен: коробка представляет собой головной центр, в который поступает электрическая энергия от источника, после чего распределяется по разным ветвям, подавая напряжение на розетки, переключатели и осветительные приборы. Именно поэтому она и получила свое название – «распределительная». Альтернативное название «ответвительная» появилось из-за того, что в коробку входит один провод, а выходят – несколько кабелей.
Другим синонимом прибора стало слово «расключительная». Услышать его можно исключительно в среде людей, занятых в сфере электромонтажа. На деле слово образовано от двух других терминов – распределение и подключение: сначала провода распределяются по ветвям, а затем выполняется их подключение. Следуя данному принципу, легко догадаться, откуда появилось другое наименование коробки – «соединительная».
Таким образом, отправляясь в магазин за распределительной коробкой, не нужно удивляться, если на прилавке будет стоять нужное вам изделие, но под другим названием
Также обратите внимание на габариты прибора, в соответствии с которыми придется создавать углубление в стене. Например, прямоугольные коробки для квартиры обычно производятся стандартного размера – 100х100х50 мм
Можно ли обойтись без монтажных распределительных коробок
Теоретически такой вариант возможен и допустим, но чтобы убедиться в том, что реализовать его практически невозможно, достаточно представить простую картину: на входе в квартиру установлен вводный электрический щиток, коробки в комнатах не используются, поэтому приходится тянуть отдельные кабели до каждого выключателя, розетки и осветительного прибора. Это приведет к существенным затратам на покупку кабеля, расширению и углублению штроб (либо установке более широких кабель-каналов, что нарушит эстетичность). Вывод: установка распределительной коробки – экономически целесообразное и рациональное решение.
Многие люди ошибочно полагают, что дополнительный соединительный узел, появляющийся внутри распределительной коробки (на линии от вводного щита от конкретной розетки), приведет к ухудшению безопасности, в то время как цельный кабель намного лучше. На деле, если все выполнено грамотно и правильно, то выбранный метод коммутации не будет представлять угрозы. Наконец, подобное изделие облегчает поиск неисправностей на линии, поэтому вам не придется долбить всю стену, чтобы найти поврежденный участок электрической цепи.
Вариант подключения
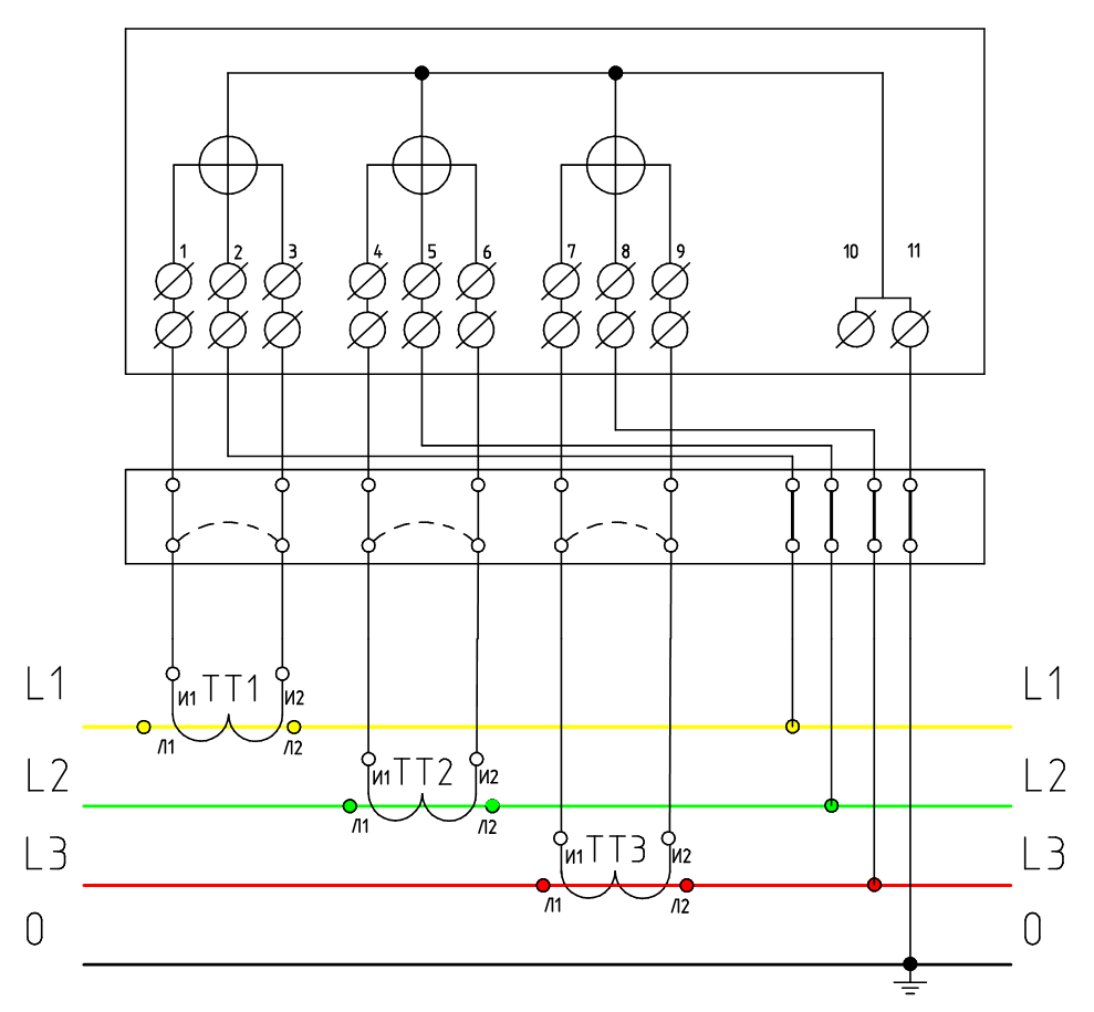
На рисунке 4 показана наиболее распространенная схема подключения приспособления учета, при помощи КИП.
Рисунок 4. Типовое подключение трехфазного приспособления учета
Обозначения:
- T1, T2, T3 – трансформаторы тока;
- Сч1 – трехфазное приспособление учета;
- К1 – бокс, через который выполняется подключение приспособления контроля.
Особенности схемы:
На рисунке 4 показано, что три фазы и нулевой провод подключаются к соответствующим местам на боксе и идут от него, непосредственно, к приспособлению учета. Очень важный фактор в данном случае – чередование фаз, оно не должно быть нарушено.
При подключении трех ТТ к боксу используется тип соединения «звезда».
Перемычки следует установить также, как продемонстрировано на рисунке 4.
Это интересно: Тензодатчик — устройство, принцип работы, схема подключения
Типовые различия

Испытательная коробка в электрощитке
Все испытательные клеммные коробки прежде всего различают по типу сетевого питания. В соответствии с этим показателем они делятся на следующие виды:
- колодки, устанавливаемые в цепях питания 380 Вольт;
- те же изделия, но рассчитанные на 220 Вольт;
- низковольтные образцы, предназначенные для установки в сети 110 Вольт.
Изделия принято отличать по форме и рабочим размерам. Согласно этим признакам они могут быть круглыми, прямоугольными или квадратными, небольшого размера или укрупненной серии.
В общем случае испытательные коробки классифицируются по следующим характерным признакам:
- назначение;
- способ монтажа;
- количество рядов на подложке;
- число контактных групп в каждом из них;
- тип фиксации и марка провода;
- исполнение (угловые коробки или прямые).
По назначению изделия используются совместно измерителями либо предназначаются для обычных коммутационных операций. Они могут монтироваться на DIN рейку или устанавливаться в кросс-модуль. Возможное количество рядов и контактных групп в этих приспособлениях – один или два с числом контактов от 3-х и более.
В соответствии с используемым способом фиксации все коробки бывают для винтового, барьерного и фиксированного (нажимного) крепления. Марка подключаемого провода выбирается в зависимости от типа используемых в коробке клемм. Винтовые и концевые крепления подходят для всех типов проводников, а в пружинные и ножевые зажимы обычно вставляются их одножильные аналоги. Однако основное различие испытательных колодок для счетчиков в схеме подключения, согласно которой они применяются для одного учетного устройства либо сразу для нескольких образцов.
Как произвести правильное подключение?
При установке и подключении испытательных блоков необходимо соблюдать строгий порядок, в соответствии с правилами ПЭУ. Там четко указано, что цепи учета электроэнергии нужно выводить на специально предназначенные для этого зажимы, либо вот на такие испытательные коробки.
В соответствии с правилами, подключение трехфазных индукционных или электрических счетчиков через испытательную коробку чрезвычайно важно. Как уже было сказано выше, это позволит не отключать нагрузку потребления, если необходимо включить образцовый счетчик для проверки
Также это поможет закоротить вторичную цепь трансформатора тока, либо отключить цепь напряжения (при том, на каждую фазу счетчика при его замене).
Будьте внимательны, все работы по: монтажу, демонтажу, подключению и отключению счетчиков и переходных испытательных коробок могут производиться только квалифицированными специалистами. Также эти люди должны иметь специальный допуск (для электроустановок, напряжение которых доходит до 1000 В).
При этом, стоит отметить, что в правилах устройства электроустановок нет конкретных схем по подключению. Но там есть строгие требования к такого рода схемам (в том числе, по возможному закорачиванию, пломбированию). Поэтому, эти требования также необходимо соблюдать.
Зачастую, благодаря установке приборов учета для потребителей, через трансформаторы тока (ТТ), стоимость электроснабжения удешевляется. Но при этом, повышается его надежность. Это связано с тем, что сила тока приборов учета, предназначенных для прямого включения, не высока. Но это ограничение снимается, если использовать трансформаторы тока.
Благодаря этому, непосредственно на том месте, где и происходит установка счетчика, можно будет: заменить и проверить схему присоединения, определиться с погрешностью в измерениях. И при этом нагрузочный ток будет оставаться в наличии, нет необходимости отключать потребителей.
Наиболее универсальным, распространенным способом подключения, который способен обеспечить безопасность обслуживания, является: подключение счетчиков через ТТ, при помощи переходной коробки для низковольтной сети (220В).
Здесь приведена возможная схема подключения.
Для того, чтобы «закоротить» токовую цепь, достаточно будет просто вкрутить винт в отверстие. Напомню, цепь учета нужно выводить на специально предназначенные для этого зажимы (выбрав отдельные сборки, или же секции из общего ряда). Когда зажимов нет, выбирается установка испытательного блока.
Отсоединять провода и кабель, когда включен образцовый счетчик, не требуется, если есть такие зажимы. Вторичная цепь трансформатора тока будет закорочена, а токовая цепь и цепь напряжения счетчика отключена.
После закорочения токовой цепи, можно будет снять перемычки. Если будет нужно отключить цепь напряжения по каждой из фаз, то достаточно сначала открутить винт, а потом уже снять конкретную необходимую перемычку. Пломбирование также не составит труда, сборки и коробки зажимов электросчетчиков имеют специально предназначенную для этого конструкцию.
Подводя итог:
• Для начала нужно закоротить токовую цепь трансформатора тока при помощи специальных винтов;
• Затем снять перемычки для отключения токовой цепи прежнего счетчика. Это делается для того, чтобы исключить его влияние на показатели образцового счетчика;
• Временно подключить к переходной коробке образцовый счетчик;
• Выкрутить винты, тем самым разомкнув цепь трансформатора.
Обратите внимание, цепь вторичных обмоток трансформатора тока обязательно должна быть заземлена и закорочена, а напряжение снято. Это делается для безопасности
Для этого используются специальные колодки. Использование таких колодок позволит безопасно отключить и снять электрический счетчик для дальнейшей проверки и замены.
Дополнительно, чтобы защитить общую шинку от замыкания, на корпусе коробки, с обратной стороны, имеется картонная прокладка. Стоит отметить, что использование таких переходных коробок происходит только, если счетчик включается через измерительные трансформаторы тока. Если счетчик имеет прямое включение, такую коробку никогда не используют.
С помощью такого устройства можно подключить прибор для снятия замеров, при этом не нарушая схемы.
В целом, переходная коробка является очень полезной вещью. С помощью нее можно проверить все прямо на месте, при этом не потребуется демонтаж. Также можно будет заменить счетчик с непрямым включением, при этом потребитель не будет обесточен. Это действительно удобно.
Типы трехфазных счетчиков
Вообще, тип счетчика, а иногда и его марка, указан в проекте электрификации. Очень редко случается, но у вас могут спросить, какой трехфазный счетчик вы желаете. Такие либеральные проэктанты встречаются крайне редко, и все же, стоит хоть немного разбираться в теме. Есть трехфазные счетчики для подключения трех и четырех проводов. Первые подключаются если нет «нулевого» повода. С этим разобраться несложно.
Далее необходимы выбрать тип счетчика:
- Трехфазные счетчики прямого включения. Наиболее простое подключение, так как подсоединяются напрямую к сети. Мощность подключаемой нагрузки не более 60 кВт, ток не более 100 А. К ним можно подключать провода сечением 15 мм² (не более 25 мм²). Это ограничивает область применения — в основном их ставят в домах и квартирах, на небольших предприятиях.
- Трехфазные счетчики косвенного включения. Их можно подключать только через трансформаторы тока и напряжения. Ставят обычно на предприятиях, потому что ограничений по мощности такой тип не имеет.
- Полукосвенного (трансформаторного) подключения. Также требуют включения через трансформаторы, но не настолько мощные, как косвенные, поэтому могут применяться в частных домах. При определении платы за электроэнергию показания необходимо умножать на передаточный коэффициент.
Выбирать вам особо не придется, так как тип счетчика, обычно, тоже указывается в проекте. Для частных домов либо прямого, либо полукосвенного подключения, в квартирах преимущественно прямого. Прямое подключение проще в реализации (просто завести провода на клеммы), элементарно считать показания — просто списывать их. При установке полукосвенного счетчика, нужны трансформаторы тока (ТТ) или напряжения (зависит от проекта) и рекомендовано подключение через испытательную коробку. Под все эти устройства требуется место в щите. Что еще надо помнить, что при расчете показаний требуется учитывать коэффициент трансформации для каждой фазы. То есть, надо будет показания умножать на этот коэффициент.
Правила использования
Монтаж, демонтаж, открытие и установка пломб коробки выполняются только специалистами в этой сфере, имеющими лицензию, полученную от Энергонадзора, и получившие нужный уровень допуска на работу.
Все испытательные боксы можно распределить по различным характеристикам. Для начала их делят по типу сети, где они будут использоваться.
Далее можно встретить коробки, необходимые для использования в сетях 220 В и 380 В. Также их различают по весу, внешнему виду, размерам.

Подключение трансформаторов к электричеству
Испытательные коробки ИКК могут быть круглой, овальной или квадратной формы. Кроме этого, их разделяют по:
- предназначению. Для применения вместе с контрольно-измерительными приборами или только для коммутационных действий;
- способу монтажа. Можно встретить боксы, используемые для монтирования в распределительный блок;
- числу контактных категорий. Производимые ИКК могут быть с тремя электроконтактами и более;
- виду крепления. Могут быть винтовые, нажимные, барьерные и фиксированные крепления. Также некоторые приборы имеют защиту для кабелей;
- числу контактных рядов. Могут быть как с одним и более ярусами;
- исполнению — прямые и угловые;
- виду используемого кабеля.
Обратите внимание! Главным различием коробок всегда является схема, по которой они подключаются. В зависимости от фабрики и применения ИКК может подключаться разными способами. Все крупные предприятия в сфере энергетических ресурсов занимаются созданием и распространением испытательных коробок
Основные различия могут заключаться в использованных материалах при изготовлении
Все крупные предприятия в сфере энергетических ресурсов занимаются созданием и распространением испытательных коробок. Основные различия могут заключаться в использованных материалах при изготовлении.
Если человек не обладает подходящим инструментом или навыками электрика, то не желательно пытаться самостоятельно установить испытательную переходную коробку. Неправильная установка может привести к некорректной работе счетчика или короткому замыканию проводов. Если через прозрачную крышку был обнаружен дефект в проводах или клеммниках, то нужно вызывать специалиста на дом незамедлительно.
Важно! Срывать пломбы самостоятельно не разрешается. Этим занимается специалист с допуском. Самоуправство может привести к наложению штрафов
Самоуправство может привести к наложению штрафов.
Многие мастера рекомендуют приобретать приборы с дополнительной защитой для проводов, чтобы при возгорании огонь не проходил по ним. Стоимость таких изделий варьируется в пределах 250 руб. Изделия из более дорогого материала имеют цену от 300 до 500 руб.*

Схема подключения коробки переходной
Подключить ИКК можно самостоятельно без трудностей. Но выполнять вскрытие и пломбировку может только специальный человек. Такая коробка поможет не только упростить работу со счетчиком, но и сделать ее более безопасной.
*Цены в статье указаны на апрель 2021 г.
Монтаж устройства

Приспособления востребованы при прокладке новых электрических линий и при необходимости их модернизации. При монтаже обязательно выполняются требования ПУЭ, касающиеся правил эксплуатации испытательных коробок. Согласно нормативам, для размещения ИКК потребуется подготовить специально оборудованное место, защищенное от проникновения посторонних лиц и доступное для обслуживающего персонала.
На клеммах коробки допускается объединять только провода из однородных металлов, имеющих электрохимическую совместимость.
Усилие затяжки контактных винтовых соединений не должно быть более 2,5 Nm, что гарантирует сохранность клемм. Кроме того, они не должны иметь повреждений и следов явных дефектов. Фиксация корпуса ИКК в месте установки выполняется только механическим способом – его прикручиванием или закреплением с помощью специальных защелок. Коробка обычно монтируется в электрическом шкафу сразу же после электросчетчика.
Источники
- https://grand-electro.ru/elektrooborudovanie/shema-podklyucheniya-schetchika-s-ispytatel-noy-korobkoy.html
- https://oxotnadzor.ru/skhema-podklyucheniya-ispytatel-noy-korobki-s-transformatorami-toka-merkuriy-230/
- https://odstroy.ru/ispytatelnaa-korobka-perehodnaa-dla-elektroscetcikov-montaz-korobki/
- https://molotok34.ru/osnovy/podklyuchenie-ispytatelnoj-korobki.html
- https://dzgo.ru/montazh/korobka-ispytatelnaya-perehodnaya.html
- https://RadioLisky.ru/dom/shema-podklyucheniya-ispytatelnoj-korobki.html
- https://stroycollege12.ru/ikk/
- https://StrojDvor.ru/elektrosnabzhenie/sxema-podklyucheniya-i-raznovidnosti-ispytatelnyx-korobok/
- https://ToolProkat43.ru/elektromontazh/korobka-ispytatelnaya-perehodnaya-kip.html
Конструкция приспособления

Конструкция ИКК
Типовые переходные коробки выпускаются в нескольких исполнениях, различающихся своим видом и формой. Чаще всего они имеют вид прямоугольной колодки с толстыми стенками, изготовленными из прочного и негорючего материала (карболита или пластика). В таком исполнении коробка напоминает подложку с размещенными на ней группами клемм, образующих так называемую «зажимную клеть».
По ее краям делаются сквозные отверстия, используемые для крепления ИКК к стенкам распределительного щита. Ее соединительные контакты изготавливаются на основе латуни или оцинкованной стали (иногда для этого используется фосфористая бронза). Некоторые модели коробок комплектуются такими дополнительными элементами, как фланец или рычажок, упрощающий процесс монтажа.
Переходные контакты выполняются в виде подпружиненных пластин или винтовых фиксаторов, размещаемых на токопроводящих пластинах из латуни, жести или стали. Их применение объясняется устойчивостью этих материалов к коррозии и высокой проводимостью. Сверху колодка закрывается прозрачной крышкой из пластика, надежно фиксируемой на основании. При эксплуатации испытательного приспособления совместно с электросчетчиком его крышка также опечатывается. Для этого в ней предусмотрены сквозные ушки для навешивания пломбы или небольшое отверстие под контрольный винт (шуруп). Прозрачность защитного покрытия позволяет визуально контролировать расключение контактных групп.
https://youtube.com/watch?v=ayUOPy6v9NM
Подключение счетчика электроэнергии в низковольтную сеть большой мощности
В одной из предыдущих статей мы уже рассматривали измерительные трансформаторы тока, их сферы применения, технические характеристики и особенности режима работы.
Как отмечалось ранее, для подключения счетчика в сеть большой мощности (с большими токами) необходимо применять специальные устройства — измерительные трансформаторы тока. Речь идет о низковольтных сетях до 0,66 кВ, где уровень номинального тока 100 А и выше. Счетчики прямого включения не предназначены для использования в таких мощных сетях, поэтому и требуется снизить уровень рабочего тока до величины, удобной для измерения приборами учета — 5 А.

Способ подключения в сеть счетчика, при котором токовые обмотки счетчика подключаются к измерительным выводам трансформатора тока называют полукосвенным. При этом способе подключения счетчика используется рабочее напряжение сети (обмотки напряжения подключаются к электросчетчику напрямую).
Существует также и косвенный способ подключения счетчика, однако он применяется для учета электроэнергии в установках с напряжением более 1 кВ. При косвенном подключении счетчика кроме трансформаторов тока применяются трансформаторы напряжения, снижающие высокое значение напряжение до 100 В.
Класс точности и его значение для учета электроэнергии
Правила Устройства Электроустановок (сокращенно ПУЭ) устанавливают классы точности для трансформаторов тока различных категорий применений. Так, для коммерческого учета должны устанавливаться трансформаторы тока с классом точности не более 0,5, а для технического учета необходим класс точности не выше 1,0.
Также встречаются трансформаторы тока с практически одинаковыми классами точности 0,5 и 0,5S. В чем заключается между ними разница? Погрешность обмотки ТТ с классом точности 0,5 не нормируется ниже 5%. Это значит, что при нагрузке в главной цепи ниже 5% электрическая энергия не будет учитываться. Класс точности 0,5S говорит о том, что трансформатор тока будет передавать сигнал на счетчик при уровне нагрузки не ниже 1%.
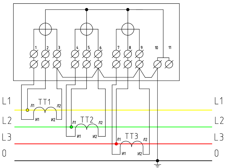
Схемы подключения счетчика через трансформаторы тока
Подключить трехфазный счетчик электроэнергии в мощную низковольтную сеть с глухозаземленной нейтралью можно по приведенным ниже схемам.

Цепи тока и напряжения в этой схеме, которую еще называют «десятипроводной» (по количеству используемых проводов), разделены. Подобное разделение цепей напряжения и тока позволяет повысить электробезопасность и легко проверять правильность подключения.
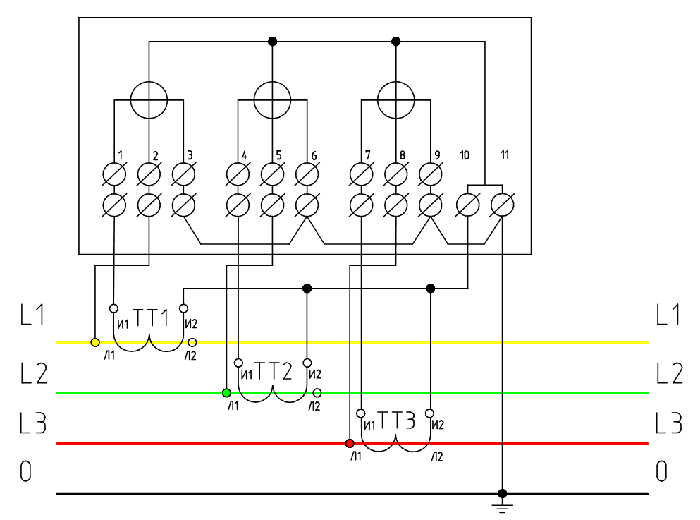
Следующая схема, в которой все выводы И2 измерительных трансформаторов тока соединяются в общую точку и присоединяются к нулевому проводнику, называется «звезда» (т. к. трансформаторы тока соединены по одноименной схеме). Она экономична с точки зрения использования проводов, однако усложняет проверку схемы включения счетчика представителями энергоснабжающих организаций.

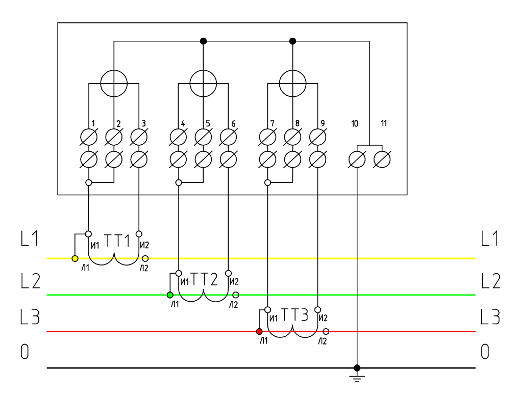
«Семипроводная» схема на сегодняшний день является устаревшей, но так или иначе до сих пор встречается. Эта схема, будучи самой экономичной, опасна для обслуживающего персонала и потому должна быть модернизирована до десятипроводной.

Подключения счетчика электроэнергии через переходную испытательную коробку (КИП)

Как указано в ПУЭ (п 1.5.23.), подключать трехфазные счетчики электроэнергии следует через испытательные коробки, упомянутые выше. Они (коробки испытательные переходные) позволяют производить замену счетчика, не отключая нагрузку, так как все необходимые переключения можно произвести в КИП.

Также встречаются низковольтные сети с изолированной нейтралью (система IT). Если быть более точным, то в сети с такой системой заземления нейтральный проводник может быть как полностью изолирован, так и заземлен при помощи специальных приборов, обладающих большим электрическим сопротивлением.
Такая система (IT) применяется на объектах, к которым предъявляются высокие требования по надежности и безопасности электроснабжения. Например, изолированная система IT применяется для электрических установок угольных шахт, для мобильных дизельных и бензиновых электростанций, а также для аварийного освещения и электроснабжения больниц. Подключить счетчик электроэнергии к трансформаторам тока в сеть с изолированной нейтралью можно по следующей схеме.

Измерительные трансформаторы тока — это устройства, преобразующие большие значения тока главных цепей до величины 5 А, удобной для измерения счетчиками электроэнергии. Именно это и определяет их основное назначение: питание цепей учета электроэнергии (коммерческий и технический) в мощных установках, там где счетчики прямого включения просто не могут применяться.





































