Геотермальное отопление дома

Для практического применения по-настоящему полезного бесплатного отопления дома рекомендована установка геотермальных систем. Они представляют собой три контура, каждый из которых выполняет определенную функцию.
Наружный контур. Должен располагаться в грунте на глубине не менее 10 м. Альтернатива – погружение труб в близлежащий водоем
Важно, чтобы температура среды была на 7-8°С выше, чем на поверхности;
Средний контур. В нем с помощью теплообменника энергия от нагретой воды (не менее 10-12°С) передается хладагенту
После сжатия в компрессоре его температура повышается до 65-70°С;
Внутренний контур. Для бесплатного отопления своими руками с помощью геотермальной установки нужно передать температур хладагента воде в системе отопления. Эту функцию выполняет второй теплообменник.
Однако еще на этапе проектирования нередко сталкиваются с проблемой самостоятельной организации бесплатного отопления частного дома. Прежде всего – в установке труб наружного контура. Предварительно выполняется расчет глубины залегания магистрали, где температура будет оптимальной в зимнее время. Использование водоема, как основной среды с повышенной температурой не всегда возможно физически.
Для бесплатного отопления, сделанного своими руками, с тепловым насосом типа «вода-земля» нужно предварительно проверить глубину замерзания водоема. Трубы должны располагаться ниже этой точки на 15-20 см.
Также для отопления дома с помощью бесплатной энергии нужно выполнить земляные работы. Для сверления вертикальных скважин потребуются услуги специализированной компании. И, кажется, что сделать самостоятельно без проекта отопление частного дома бесплатно невозможно. Стоимость комплексной услуги вместе с оборудованием в среднем составляет 750-800 тыс. руб. Но эту цифру можно существенно уменьшить, если сделать грамотное распределение средств при организации бесплатного автономного отопления частного дома:
- Тепловой насос можно приобрести самостоятельно. В среднем, на 1 кВт потребляемой электрической мощности он будет вырабатывать 10 Квт тепловой энергии. Стоимость грунтовых моделей составляет 290-300 тыс. руб. Насосы типа «земля-земля» обойдутся дороже – от 340 тыс. руб;
- Для расчета продолжительности наружной магистрали в бесплатном отоплении частного дома можно воспользоваться онлайн калькулятором. Но при этом точность будет значительно ниже, чем при заказе платного проекта геотермальной установки. Подобная документация может обойтись в 25-30 тыс. руб;
- Сверление скважин в грунте можно поручить компании по организации систем автономного водоснабжения. Они могут заниматься монтажом элементов бесплатного отопление дома. Своими руками сделать эту работу проблематично.
Все остальное делается самостоятельно. Пример организации бесплатного отопления частого дома своими руками показан на видео:
Для самостоятельного проектирования и монтажа бесплатного отопления частного дома своими руками лучше всего ознакомиться с фото и видео материалами. Наглядный пример поможет оценить трудоемкость будущей работы, а также станет основой для организации всего процесса.
Бесплатное отопление дома солнцем Вся правда!
Котел как одно из лучших решений обогрева загородного дома своими руками
Существует несколько типов котлов:
Несмотря на высокую стоимость эксплуатации, электрические котлы не несут с собой пыли и грязи и очень удобны в использовании.
- Газовый. Достаточно популярен у множества потребителей, поскольку очень прост и удобен в применении. Более того, методика установки обогрева на основе газового котла представляется самой простой. Но, ввиду того что далеко не все села и города газифицированы, использование данного типа котлов является ограниченным.
- Дизельный. Подобные устройства функционируют при помощи жидкого топлива. Можно выполнять их настройку в необходимом режиме благодаря специальной системе управления. Жидкое топливо для этих приборов не займет большое пространство. Такой вариант котлов является довольно гигиеничным и простым в использовании. Однако как неприятный недостаток следует выделить отчетливый запах сгораемых продуктов.
- Электрический. Эти приборы не требуют сооружения котельной, не несут с собой пыли и грязи и очень удобны в использовании. Таким образом, они являются неким лидером на фоне других комплексов. Однако один весомый недостаток таких систем заключается в большой стоимости их эксплуатации.
- Твердотопливный. Достаточно известны в нынешнем мире потребителей. Они используют твердое топливо для своей работы и обладают наиболее высоким КПД.
Основное достоинство газовых и дизельных отопительных комплексов заключается в автоматическом функционировании данных котлов.
Газовые и дизельные отопительные комплексы для загородного дома выделяются среди прочих практичностью и надежностью. Они функционируют в автоматическом режиме. При этом рабочий котел не подразумевает постоянное вмешательство в процесс (по сравнению с печью). Соответственно, он может без проблем обогревать домик непрерывно на протяжении нескольких недель. В этом и заключается основное достоинство данных котлов.
Цена на установку котлов будет напрямую зависеть от большого количества различных факторов, среди которых объем дома, сложность выполняемой работы и, естественно, тип используемого оборудования.
Как обогреть дом
В индивидуальном доме люди находятся круглый год, поэтому в нем возможно использование водяных систем – радиаторной и обогрева пола. Нередко в качестве дополнительного источника тепла используют камин. Электрический обогрев очень удобен и не требует постоянного присмотра, но обходится дорого.
















Оптимальный вариант отопления своими руками в частном доме – устройство «теплого пола». Радиаторная система отопления легко монтируется, но она менее экономична.

Кроме того, в средних и северных широтах при модернизации старого неутепленного дома «теплый пол» может не обеспечить достаточный обогрев дома, и придется использовать дополнительные источники обогрева, вплоть для монтажа радиаторов. Электрическая система напрямую зависима от бесперебойного электроснабжения.

Халявное отопление, сэр!?
Приветствую всех читателей блога! Сегодня на улице прохладно, идет дождь, и поэтому сама погода наводит на мысль поговорить о том, как обогреть квартиру или дом. При этом — желательно с существенной экономией средств. Ко всему халявному человек питает особые теплые чувства. А если говорить об экономии средств на отопление, то в преддверии наступающей зимы эти чувства стимулируют работу мозга, и эта тема становится сверхактуальной. Интернет аж перегрелся от количества запросов по этой теме. Одних интересуют идеи, как утянуть у государства больше электроэнергии, а заплатить за нее меньше, другие изобретают способы обойти закон сохранения энергии
Если у первых эта идея реализуется успешно, но с риском встретиться с инспектором Энергонадзора, то у другой группы кулибиных дела обстоят, мягко говоря, неважно. Можно только удивляться тем идеям, которые рождаются в голове у наших изобретателей

Взять, например, электрическую индукционную плиту. Вещь на кухне во всех отношениях очень полезная. Она совмещает в себе достоинства электрической и газовой плиты. Мне кажется, что сам изобретатель и производители этой продукции никогда не могли предположить, что у кого-то в России появится идея использовать индукционную плиту для обогрева квартиры.
А идея заключается в следующем. Электрическая индукционная плита используется в качестве нагревателя для водяного котла. Котел врезается в существующую систему водяного отопления. Здесь все, как обычно. Вся хитрость, по утверждению автора изобретения, состоит в преобразовании энергии для питания индукционной плиты.

Плита включается в электрическую розетку не напрямую, а через зарядное устройство, пару аккумуляторов, инвертор. Используется индукционная плита на 2000 Вт, которую можно приобрести за 1500 рублей. Здесь ничего изобретать не надо. Мощность тока в ней можно изменять на панели управления, а встроенный таймер в автоматическом режиме регулирует нагрев. Для стабильной работы потребуется инвертор на 4000 Вт и 12 В, два аккумулятора на 250 А-ч.
Последовательность сборки электрической цепи понятна из рисунка. Вопрос в другом, насколько «халявной» будет тепло, полученное в такой системе обогрева квартиры. Судите сами: потери энергии от розетки до плиты неизбежны, а это значит, что КПД системы отопления снижается. Эффективней, на мой взгляд, плиту включить сразу в розетку. Что касается частых отключений электричества, то данная система действительно способна некоторое время работать автономно. Или я не прав?
Но это еще не все. Вот еще один вариант отопления «теплый пол», где используется данная схема подключения электрической индукционной плиты.

Вряд ли получится одной электрической индукционной плитой выполнить эффективный обогрев квартиры. Было бы интересно узнать мнение тех, кто уже испытал такую систему отопления на практике. Пишите, делитесь своими идеями. Думаю, что проблема отопления жилища с ежегодным ростом тарифов на энергоносители волнует большинство россиян.
Судя по такому закату, похожему на огромное зарево, ночью будут заморозки, а значит, решение этой проблемы является актуальным.
Солнечный коллектор для отопления частного дома своими руками

Гелиосистема отопления частного дома является хорошей альтернативой для организации дополнительного источника получения тепла. Для того чтобы сделать бесплатное отопление своими руками такого вида понадобится солнечный коллектор.
Принцип работы заводских моделей основан на передаче тепловой энергии от теплоносителя воде через теплообменник. Циркуляция жидкости, находящейся в сети трубок, происходит за счет разницы температур в верхней и нижней точках конструкции. В качестве дополнительного устройства для повышения КПД в бесплатное отопление частного дома на солнечном коллекторе может быть включен насос.
В вакуумных установках тепло от солнечного света передается особой газообразной смеси. Так уменьшается показатель инертности – нагрев воды через теплообменник происходит намного быстрее, чем для жидкостных моделей
Стоимость уже готовых моделей напрямую зависит от их номинальной мощности, конструктивных особенностей.

Учитывая столь высокую стоимость – можно ли сделать отопления дома бесплатной энергией самостоятельно? Для этого понадобится следующее:
- Деревянная рама. Оптимальный размер – 2000*1500 м;
- Трубки из прозрачного полимера – сшитого полиэтилена. К ним нужны фитинги и переходники;
- Теплообменник. Можно использовать от старого котла отопления. Лучше всего – от газового;
- Накопительная емкость.
На раму устанавливаются трубки, причем они должны располагаться вертикально. С помощью фитингов и переходников они формируют змееобразный контур. Для уменьшения тепловых потерь лицевая часть защищается листом прозрачного поликарбоната, который потом красится в черный цвет. Подробнее о технологии изготовления бесплатного отопления дома своими руками можно ознакомиться в видеоматериале:
Однако подобные проекты отопления частного дома бесплатно малоэффективны. Главным недостатком является зависимость от погодных условий.
Солнечный коллектор должен быть заполнен антифризом или газом. Воздействие отрицательных температур не должно сказываться на его агрегатном состоянии.
Обогрев с принудительной циркуляцией за 8 шагов
Установка насоса в систему отопления будет оправдана и в случае одноконтурной разводки. Однако максимальную эффективность системе с принудительной циркуляцией обеспечит только двухтрубная разводка, обустраиваемая по следующим правилам:
- Котел можно установить на пол или повесить на стену в любой комнате, не отслеживая уровень размещения отопительного прибора.
- Далее от напорного и обратного патрубков котла на уровень пола спускают две трубы, используя либо муфты, либо угловые фитинги.
- К торцам этих труб монтируют две горизонтальные линии – напорную и обратную. Они идут вдоль несущих стен дома, от котла до месторасположения крайней батареи.
- На следующем этапе нужно развесить батареи, не обращая внимания на уровень расположения патрубков относительно соседнего радиатора. Вход и выход из батареи можно расположить на одном уровне или на разных, на эффективность отопления этот факт не повлияет.
- Далее врезаем в напорную и обратную ветвь по тройнику, расположив их под входом и выходом каждой батареи. После этого соединяем тройник напорной трубы с входом в батарею, а фитинг на обратке – с выходом. Причем эту операцию придется проделать со всеми батареями. По аналогичной схеме в системе монтируем и отводы для подключения теплого пола.
- На следующем этапе устанавливаем расширительный бак. Для этого в участок напорной трубы между котлом и первой батарей врезаем тройник, отвод которого соединяем вертикальной трубой с входом в расширительный бак.
- Далее можно заняться монтажом циркуляционного насоса. Для этого в обратную линию между первой батарей и котлом монтируем вентиль и два тройника, собирая байпас для насоса. Далее от тройников отводим два Г-образных отрезка, между торцами которых и монтируем насос.
- В финале обустраиваем отвод для залива воды в систему. Для этого нужно врезать еще один тройник между насосом и котлом, подключив к его отводу шланг от водопровода.
Четко следуя простым шагам, можно самостоятельно с первого раза получить рабочую систему
Действуя по этому плану, можно собрать двухтрубную разводку в доме любой площади. Ведь конструкция подобной системы не зависит от количества батарей – принцип монтажа будет идентичен и для двух, и для 20 радиаторов.
Отопление частного дома своими руками: схемы.
Монотрубная система (однотрубная).

Принцип движения воды в однотрубной системе таков. Вода из котла перемещается по трубе из одного радиатора в другой. Естественно, на пути движения температура воды в системе падает за счет передачи тепла в помещение. Как правило, температура в последнем радиаторе уже недостаточна, чтобы должным образом обогреть помещение. В этом и заключается ее основной недостаток. Если один радиатор выйдет из строя, придется отключать всю систему. Также ее практически невозможно отрегулировать. Монотрубная система самая простая в монтаже и демократичная по затратам, но с низкой эффективностью и последующими неприятными нюансами эксплуатации.

↑ Отопительные системы
Конструкции отопительных систем для частных домостроений подразделяются на два типа:
- Однотрубные. Тип системы отличается присоединением радиаторов к единственному коллектору. Коллектор сразу и обрабатывает, и подаёт тепло. Система образует одно замкнутое кольцо.
- Двухтрубные. Теплоноситель подаётся и возвращается по разным трубам. Эта сеть более эффективная и прогрессивная.
Если дом имеет малые габариты, а также для дачи, подойдёт первая, однотрубная схема отопления. Но, использовать её можно только в случае, если в помещении установлено до 4-5 радиаторов. Если их количество большее, система будет неэффективной, замыкающие батареи будут попросту холодными, как и комнаты, в которых они установлены.
Система эффективна в том случае, если стояк вертикальный и используется в доме со вторым этажом. Такая схема эффективно отапливает помещение.
Двухтрубная система распределяет тепло наиболее однородно. Для этого не нужно увеличивать количество секций. Оснащение термостатическими вентилями позволяет автоматизировать работу схемы отопления.
Двухтрубные схемы имеют несколько видов, различных по разводке.
- Самым дорогим вариантом является лучевая схема. По ней каждый радиатор подсоединяется к коллектору отдельно.
- Другая, тупиковая схема предполагает разделение трубопровода на ветви и циркуляцию тепла лоб в лоб.
- Ну и третья, попутная схема, отличается циркуляцией теплоносителя в одном направлении.
Система может работать инерционно, то есть самотеком. Для этого требуется прокладка диаметрально крупных горизонтальных магистралей. Уклон при этом должен составлять около 5 миллиметров. Такая схема не требует наличия циркуляционного насоса.
Достаточно распространённой является открытый тип схемы отопления. В этом случае в наивысшей доступной точке устанавливается расширительный бак. Он должен сообщаться с воздухом. Эта схема используется в самотечных сетях.
Для того чтобы система работала под давлением и перешла в класс закрытой, требуется установить в непосредственной близости к котлу мембранную расширительную ёмкость. Такой вариант применим в тех сетях, которые отличаются принудительным движением тепла в системе.
Особенно популярной сегодня является сеть обогрева при помощи тёплых полов. Главный её недостаток – дороговизна. Высокая стоимость обусловлена надобностью укладки труб под стяжкой в каждой комнате. Вследствие этого водяной контур обогревает каждую отдельную комнату дома. Все трубы сходятся в распределительном коллекторе, оснащённом насосом и смесительным узлом.
Плюс такой системы отопления – возможность применения в любых зданиях. Помимо этого, отопление при помощи тёплых полов, пожалуй, самое комфортное.
Что нужно для сборки – 3 главные детали
Любая система отопления состоит из трех базовых компонентов:
- источника тепла – в этой роли может выступать котел, печь, камин;
- теплопередающей магистрали – обычно в этом качестве выступает трубопровод, по которому циркулирует теплоноситель;
- нагревательного элемента – в традиционных системах это классический радиатор, преобразующий энергию теплоносителя в тепловое излучение.
Компоновка котельной в доме
Разумеется, существуют схемы, исключающие первый и второй элементы этой цепочки. Например, общеизвестное печное отопление, когда источник является и нагревательным элементом, а теплопередающая магистраль отсутствует в принципе. Или конвекционный обогрев, когда из цепочки исключают радиатор, поскольку источник греет до нужной температуры сам воздух в доме. Однако печная схема считалась устаревшей еще в начале ХХ века, а конвекционный вариант очень сложно реализовать своими руками без специальных знаний и специфических умений. Поэтому большинство бытовых систем строится на базе водогрейного котла и водяного контура (трубопровода-разводки).
В итоге для строительства системы нам потребуется один котел, несколько радиаторов (обычно их количество равно числу окон) и арматура для трубопровода с сопутствующими фитингами. Причем, чтобы собрать отопление частного дома, вам придется своими руками соединить все эти компоненты в рамках одной системы. Но перед этим было бы неплохо разобраться с параметрами каждого элемента – от котла до труб и радиаторов, чтобы знать, что покупать для дома.
Солнечный коллектор для отопления частного дома своими руками
Солнечный вакуумный коллектор
Гелиосистема отопления частного дома является хорошей альтернативой для организации дополнительного источника получения тепла. Для того чтобы сделать бесплатное отопление своими руками такого вида понадобится солнечный коллектор.
Принцип работы заводских моделей основан на передаче тепловой энергии от теплоносителя воде через теплообменник. Циркуляция жидкости, находящейся в сети трубок, происходит за счет разницы температур в верхней и нижней точках конструкции. В качестве дополнительного устройства для повышения КПД в бесплатное отопление частного дома на солнечном коллекторе может быть включен насос.
В вакуумных установках тепло от солнечного света передается особой газообразной смеси. Так уменьшается показатель инертности – нагрев воды через теплообменник происходит намного быстрее, чем для жидкостных моделей
Стоимость уже готовых моделей напрямую зависит от их номинальной мощности, конструктивных особенностей.
| Модель | Характеристики | Стоимость, тыс. руб. |
| Вакуумный с рамой | Только конструкция | От 62 |
| Коллектор для ГВС, 3600 л/сут | Вместе с магистралями | От 180 |
| ГВС+отопление | Включая накопительный бак | От 325 |
Конструкция самодельного солнечного коллектора
Учитывая столь высокую стоимость – можно ли сделать отопления дома бесплатной энергией самостоятельно? Для этого понадобится следующее:
- Деревянная рама. Оптимальный размер – 2000*1500 м;
- Трубки из прозрачного полимера – сшитого полиэтилена. К ним нужны фитинги и переходники;
- Теплообменник. Можно использовать от старого котла отопления. Лучше всего – от газового;
- Накопительная емкость.
На раму устанавливаются трубки, причем они должны располагаться вертикально. С помощью фитингов и переходников они формируют змееобразный контур. Для уменьшения тепловых потерь лицевая часть защищается листом прозрачного поликарбоната, который потом красится в черный цвет. Подробнее о технологии изготовления бесплатного отопления дома своими руками можно ознакомиться в видеоматериале:
https://youtube.com/watch?v=H9eBcnAzXmY
Однако подобные проекты отопления частного дома бесплатно малоэффективны. Главным недостатком является зависимость от погодных условий.
Какая циркуляция будет оптимальной и почему – принудительная или естественная
Рассматривая этот вопрос, обращаем внимание на следующие обстоятельства:
- Схема отопления с естественной циркуляцией применяется в строениях небольшого размера. Насосные установки для такого жилья устанавливаются при необходимости регулирования температуры, как в целой системе, так и в отдельных ее контурах.
- Произвольная циркуляция используется вынужденно при отсутствии электроэнергии или длительных перебоях в ее подаче.
- Когда по условиям эксплуатации требуется повышенное давление в отопительной системе, применяются циркуляционные насосы в системах.
Для таких целей в настоящее время используются циркулярные установки с мокрым ротором. Их выбор производится исходя из особенностей монтажа и условий эксплуатации.
В качестве теплоносителя для системы отопления частного дома применяются различные материалы. Это зависит от условий эксплуатации здания.
Для строений периодического посещения предпочтительны незамерзающие жидкости (антифриз, трансформаторное масло), не приводящие к разрывам трубопровода при значительном холоде.
В домах постоянного проживания можно применять воду.
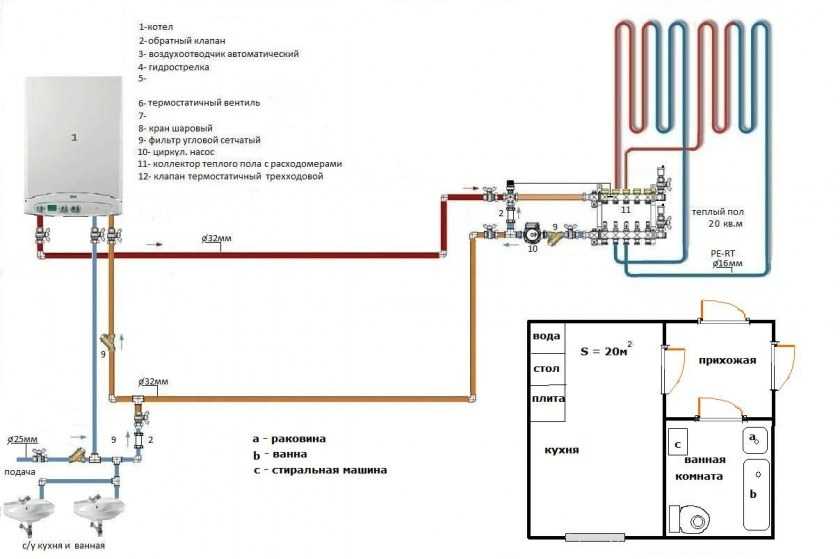
Конденсационный газовый котел + теплые полы
схема работы конденсационного котла
Конденсационный котел – устройство использующие в качестве топлива горючий газ. Особенность устройства – использование продуктов сгорания как топлива, после их конденсации. Особенный подход позволяет добиться 98-ми процентного коэффициента полезного действия (Потолок КПД для традиционных котлов составляет 93%). В купе с теплым полом, котел может полностью полноценно отапливать здание. Такой способ отопления совершенно не бесплатный, но при покупке котла отбивается цена благодаря эффективному использованию горючего. Этот способ не такой затратный, как предыдущие два.
Система отопления частного дома своими руками
Отопление частного дома своими руками. Горизонтальная и вертикальная схема отопления
Прежде чем приступить к организации отопления, нужно составить схему прокладки коммуникаций. Для этого предстоит выбрать, какую систему установить: водяную, паровую, электрическую или открытого огня. Её выбор зависит от финансовых возможностей, личных вкусов и целесообразности установки в помещении. В схеме должны учитываться все элементы отопительной системы. Также на стадии проектирования нужно провести расчет мощности.
Отопительные системы дачных домов и коттеджей отличаются типом используемой энергии, теплоносителем, методом установки, а также набором комплектующих.
Несмотря на различие в эксплуатационных характеристиках, принцип действия большинства состоит из нижеперечисленных этапов:
- В котле подогревается: вода, пар, антифриз или масло.
- Теплоноситель расходится по трубам, ведущим к радиаторам.
- При движении по трубам нагретое вещество отдает тепло радиатору и теплообменнику которые установлены в бойлере или коллекторе, за счет этого и происходит нагрев воды.
- После чего возвращается в котел, где опять нагревается и проходит весь цикл заново.
Отопление частного дома своими руками. Горизонтальная и вертикальная схема отопления
Вода, по праву, считается лучшим теплоносителем, благодаря следующим качествам:
- доступности;
- большой энергоемкости;
- аккумулятивным свойствам;
- экологической чистоте;
- безопасности.
Несмотря на все преимущества водяного отопления, включая легкость замены теплоносителя (слива) для замены части системы, существует и весомый минус: в зимний период вода замерзает и трубы могут лопнуть. Поэтому его следует выбирать в случае, когда частный дом прогревается постоянно (плохо подходит для дач, где зимой хозяева появляются очень редко).
Использование в качестве теплоносителя антифриза или масла решит проблему с замерзанием, но при сливе понадобятся специальные емкости и стоимость замены вещества обойдется достаточно дорого. Поэтому водяному отоплению и отдают предпочтение.
Нагрев жидкостей производится в котлах, для которых используется топливо: дрова или пилеты(евродрова) а также уголь, газ, электричество или солярка.
Разводка двумя трубами
Если водяного отопления в частном доме монтируют своими руками, то этот вариант оптимален. Двухтрубная разводка проще в монтаже по сравнению с лучевой и эффективнее по отдаче тепла по сравнению с однотрубной разводкой.

Прокладывают две трубы – по одной поступает горячая вода от отопительного прибора, во вторую поступает подстывшая вода из батарей и транспортируется к котлу.

Достоинства двухтрубной системы – быстрый прогрев всех радиаторов, достаточно равномерный прогрев комнат, экономия на количестве радиаторов, возможность регулировки каждого отдельного радиатора. Труб нужно больше, но их стоимость невелика.

Количество фитингов такое же, как при однотрубной разводке. Радиаторы можно подключать сверху, снизу, диагонально или сбоку (подача сверху, обратка снизу).

Какие же существуют варианты отопления частного дома?

В первую очередь речь идет про использование отопительных котлов. Существуют универсальные котлы, которые работают на твердом топливе — угле, дровах. При желании такой чугунный котел можно переделать для работы и на других видах топлива — газе, дизеле, масле.
Чугунные котлы разнятся и в мощностях. Например, котел производится со стандартной мощностью, которую при желании можно усилить.

Из плюсов использования такого чугунного оборудования можно назвать достаточно высокий срок эксплуатации (не менее 25 лет) и возможность выбора оптимального варианта за счет габаритов — есть котлы поменьше и побольше, смотря какую площадь вам нужно обогреть.
Но, далеко не всех владельцев частных домов устраивает использование котлов. Поэтому, есть и другие варианты отопления.
Отопление электричеством
Среди таких, особенно выделяются схемы электронного отопления — это когда используется большое количество различных приспособлений вроде теплых полов. Также существует схема воздушного отопления — когда дом отапливается с помощью теплого воздуха, разносимого конвекторами.
Как можно обогреть частный дом
Индивидуальный дом, как правило, имеет площадь до 150 м2, поэтому монтаж отопления в частном доме можно выполнить своими руками.

Вариантов обогрева частного дома существует несколько:
- с использованием печи или камина, работающих на твердом топливе;
- с использованием переносных (иногда стационарных) электрических нагревателей – масляных радиаторов, конвекторов, тепловентиляторов, инфракрасных излучателей;
- с использованием электрической системы обогрева пола;
- водяное отопления частного дома – с помощью радиаторов или труб, проложенных в стяжке пола.

В общественных и производственных зданиях используют иногда воздушную систему отопления – когда нагревательный прибор (обычно электрический) нагревает воздух и он по трубам подается в помещение. Для жилого дома эта система слишком громоздкая и шумная.













Отопление частного дома своими руками: преимущества газа как топлива
Газовое отопление частного дома своими руками
Наличие возле участка газопровода позволит вам провести газовое отопление частного дома своими руками.
Использование газа как топлива и соответствующего котла обладает рядом преимуществ:
- поддерживает необходимую температуру и долго сохраняет тепло;
- позволяет эффективно и безопасно обогревать достаточно большие здания;
- не создает необходимости заготовки дополнительных компонентов;
- позволяет корректировать и поддерживать заданную температуру, благодаря оснащению термостатами новейших газовых систем;
- снижает возможность возгорания, благодаря низкой температуре продуктов сгорания.
При газовом отоплении применяют однотрубную или двухтрубную разводку (особенности которых рассмотрены в разделе водяное отопление своими руками).
Газовое отопление частного дома своими руками
Монтаж отопления в частном доме вполне реально осуществить самостоятельно, однако выбрав газовый тип отопления, следует помнить, что проводить работы по монтажу оборудования могут лишь организации, имеющие необходимые разрешения.
Какой котел выбрать
Котел – главная часть отопительной системы. Выполнить правильно отопление частного дома своими руками невозможно без тщательного выбора нагревательного котла. Котел для отопления может быть универсален, приспособлен под местные, доступные и недорогие сорта топлива. При выборе котла для отопления рассчитываются размеры и объемы обогреваемого помещения, учитывается высота потолков, теплопроводность материалов, из которых сооружено строение, положение постройки относительно сторон света. Безошибочно выполненные расчеты, правильный выбор котла – гарантия получения максимального количества тепла.
Классификация систем
Принцип работы водяного отопления довольно простой. Сборка является замкнутой системой, которая состоит из водонагревательного котла, трубы и батарей. Циркуляция носителя тепла, что является основой рассматриваемой системы, осуществляется 2 методами— естественным и принудительным.
Открытого типа с естественной циркуляцией теплоносителя
Такой подход дает возможность уменьшить траты во время создания отопления. В этих целях требуется соблюсти такие требования:
- котел находится ниже относительно батарей;
- трубы должны иметь наклон, который создает сам отсек носителя тепла в сторону радиатора;
- трубы должны надежны фиксироваться;
- трубопровод для горячего водоснабжения должен иметь большее сечение, чем для обратки.

Основным преимуществом системы станет автономность, так как она не связана с электричеством, и простота сборки. К минусам следует отнести применение большого числа труб.
Закрытого типа с принудительной циркуляцией теплоносителя
В такую систему включен циркуляционный насос, побуждающий носитель тепла двигаться с конкретной скоростью. Насос можно установить в любых участках отопительной линии. Для монтажа насос покупается лишь от надежных разработчиков.

Преимущества такой схемы: небольшой объем носителя, меньшее расходование труб. Также есть опция регулирования температурного режима нагревания батарей. Главным недостатком станет зависимость от электроэнергии, при помощи которой функционирует насос.





































