Задачи автоматики для вентиляции зданий

Сервопривод куплен наа Aliexpress за 2 usdИсточник youtube.com
Сегодня на любом современном предприятии есть множество приборов и узлов для управления приточной вентиляцией и набор их функций порой не просто помогает, но даже может спасать здоровье и человеческие жизни. ПУ модуля ШУПВВ или ЩУВ оснащаются элементами электронного интеллекта для следующих действий:
- постоянное поддержание микроклимата помещения в заданном режиме (температура, влажность, загазованность);
- возможность дистанционного управления тем или иным блоком (запуск/блокировка, смена режима) удаленно (оператором при помощи ПУ);
- автоматически переход оборудования на другой режим при смене сезона (зима – лето);
- контроль всех фильтров на уровень загрязнение и автоматическая подача сигнала о необходимости их очистки/замены;
- автоматическое управление приточной вентиляцией при помощи заслонок;
- блокировка притока воздуха при срабатывании пожарных датчиков безопасности;
- отключение электропитания при возникновении скачков напряжения.
Автоматизация систем вентиляции и кондиционирования.
Разновидности ЩУВ и ШУПВВ

Сборка щитов должна обеспечивать полную видимость каждого прибора и максимально быстрый доступИсточник oboiman.ru
Современный рынок электрооборудования предлагает широкий выбор самых разных ЩУВ и ШУПВВ, классифицируя их по размерам и по категориям. Все модификации можно разделить, как минимум, на четыре пункта:
- Оборудование для проветривания и удаления задымленности в помещениях. Такой климат-контроль нужен на производстве, например, для обустройства рабочего места сварщика или в кузне.
- ЩУ, контролирующие запуск, остановку и частоту вращения (мощность) систем вентиляции. Как правило, устройства такого типа имеют обширный функционал и могут устанавливаться как в подвесных, так и напольных шкафах управления. Возможна работа с фреонными установками, водяными калориферами и управление приточной вентиляцией.
- ЩУ электроснабжением приточно-вытяжной вентиляции. Сюда включается рекуператор для поддержания заданной температуры входящих и выходящих газовых потоков. Существуют также модификации, на основе гликоля (CₙH₂ₙ(OH)₂), где в системе теплоснабжения применяется циркуляция незамерзающих жидкостей типа антифриза. Сюда также входит циркуляционный насос и автоблокировка от неконтролируемых температурных перепадов.
- Модель с использованием обычного рекуператора рассматривается, как ЩУ приточной вентиляцией. Его легко перевести в любой режим. Сам рекуператор здесь выполнен в виде оцинкованного стального куба (квадратного или прямоугольного) с четырьмя патрубками – по два с каждой стороны. К ним подсоединяются металлические или пластиковые воздуховоды.
Рекомендации по сборке ЩУВ и ШУПВВ

Монтажом и тестированием ЩУВ должны заниматься специалистыИсточник ivctl.ru
В любом случае все работы по сборке и установке ЩУВ и ШУПВВ должны производится квалифицированными специалистами с соблюдением ТУ 3431-001-67762877-2013 и ТУ 4371-001-67762877-2016. Самостоятельный монтаж и сборка устройств управления категорически запрещена. Корпусы щитов или шкафов тоже нельзя изготавливать по собственному усмотрению – их заказывают в соответствии с предполагаемым оборудованием. В тех случаях, когда не хватает каких-то проводов, креплений или тумблеров (такое часто случается) их замена должна в точности соответствовать заданным техническим характеристикам.

Комплект элементов ЩУВ сопровождается схемойИсточник oboiman.ru
К комплектации всех ЩУВ и ШУПВВ заводом-изготовителем всегда прилагается монтажная схема, которой будет руководствоваться специалист при сборке. Но её сохраняют на предприятии на случай необходимости проведения каких-либо ремонтных работ.
Щит автоматики поддержание постоянного расхода воздуха.
Автоматика системы отопления в частном доме
Еще на этапе будущего строительства частного дома возникает вопрос, какое именно отопления выбрать, чтобы обеспечить и комфортную обстановку в доме и минимизировать затраты на содержание всей отопительной системы. Обычно выбор отопления частного дома сводится к трем основным аспектам выбора:
- Какой выбрать котел;
- Какая будет конфигурация отопительной системы;
- Автоматика системы отопления в частном доме.
Что касается выбора котла, который является основным источником тепла в доме, то выделяют три его основных вида, которые больше всего пользуются популярностью среди потребителей. Каждый из видов имеет как преимущества, так и недостатки.
- Газовый котел. Это будет самый выгодный вариант, если имеется магистральная линия подачи топлива. При отсутствии этой линии, можно использовать сжиженный газ в баллонах, но это не лучшим образом отражается на стоимости обслуживания отопительной системы;
- Электрический котел. Это довольно дорогой вариант, который требует большого расхода электричества. Чтобы минимизировать затраты и обеспечить в помещении комфортную остановку, прибегают к установке электрических теплых полов, который значительно экономней;
- Твердотопливные котлы. Пользуется большой популярностью среди потребителей, так как позволяет легко организовать автономную систему отопления. Но есть и некоторые нюансы: обслуживание такой системы вызывает некоторые неудобства. К тому же, такие котлы лучше всего использовать для обогрева небольших домов или же использовать его в зависимости от сезона.

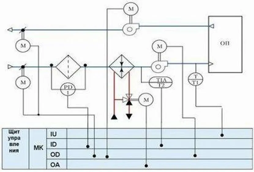
Общий алгоритм управления работой вентиляционной системы
Переход в автоматический режим производится переключателем на двери щита управления — система по датчику температуры переходит в режим «зима/лето». Режим «лето» включается при температуре 11-13 °С, при понижении температуры до 8 °С осуществляется переход в режим «зима».
«Зима»
При запуске системы в зимнем режиме воздушный клапан закрыт, вентилятор приточной установки выключен, трехходовой клапан открыт на 100 %, циркуляционный насос работает постоянно, пока в работе водяной калорифер (в том числе и в дежурном режиме). Водяной калорифер должен прогреться до заданной температуры, определяемой по датчику обратной воды теплоносителя.
После прогрева калорифера поступает команда на запуск вентустановки. При этом вентиляторы не включаются, идет открытие воздушного клапана. Одновременно с этим начинается отсчет задержки перед запуском приточного вентилятора. После его запуска происходит регулирование температуры воздуха в приточном канале при помощи ПИД-регулятора. Управление нагревом вентиляционной установки осуществляется по датчику температуры в приточном воздуховоде.
«Лето»
При включении этого режима воздушный клапан закрыт, вентилятор приточно установки выключен, циркуляционный насос не работает. При пуске системы, также как и в режиме «зима», открывается воздушный клапан и одновременно (с задержкой) подается команда на включение вентилятора.
При возникновении угрозы заморозки водяного нагревателя алгоритм работы системы автоматики следующий — вентилятор останавливается, воздушная заслонка закрывается, регулирующий клапан теплоносителя открывается на 100 %, в журнал событий заносится аварийное сообщение об угрозе заморозки. Также в журнал заносится расшифровка аварийного сигнала, что конкретно послужило причиной аварийной ситуации (термостат, низкая температура обратной воды, низкая температура притока).
Для вентиляторов предусмотрены следующие виды аварийных сигналов:
- о перегрузке электродвигателя, по срабатыванию встроенного термоконтакта.
- об аварии с преобразователя частоты. При этом контроль электрических параметров электродвигателя осуществляется встроенными функциями самого частотного преобразователя. При поступлении данного сигнала установка переходит в дежурный режим, снимается сигнал подачи питания на преобразователь частоты, аварийное сообщение заносится в журнал событий. В системах, где используется резервирование вентиляторов вместо перехода в дежурный режим включается резервный вентилятор.
- об обрыве ремня по срабатыванию датчика перепада давления на вентиляторе.
При поступлении сигнала аварии насоса с термоконтакта или при размыкании дополнительного контакта автоматического выключателя насос выключается, вентустановка переходит в дежурный режим и в журнал контроллера записывается данное событие.
Управление и контроль за системой вентиляции могут осуществляться удаленно через систему диспетчеризации здания, куда передаются все необходимые сигналы с контроллера. Также в щит управления вентиляцией могут приходить сигналы с системы пожарной сигнализации. При срабатывании сигнала о пожаре приток свежего воздуха в помещение должен прекращаться, поэтому вентиляционная установка остановится, перейдя в дежурный режим.
Схема устройства
Подключение шкафов управления выполняется по стандартной схеме и регламентируется ГОСТ Р51321-1. Шкафы, стенды и щиты устанавливают в коридорах, щитовых комнатах или подсобных помещениях. При наличии технических условий вентиляционные и противопожарные блоки контроля располагают в одном шкафу, который размещают в диспетчерской. Это обеспечит быстрый доступ к панелям управления аварийной и рабочей вентиляции и позволит быстрее среагировать на неполадки в системе.

К помещениям, в которых производится установка щитов, предъявляются особые требования по уровню влажности и температуре. Приборы должны быть надёжно защищены от попадания прямых ультрафиолетовых лучей, капель воды и пыли. Магнитные колебания и радиопомехи тоже могут негативно отражаться на корректной работе устройств, поэтому их воздействие на приборы следует ограничить. Диапазон температур, при котором допускается эксплуатация шкафов управления, составляет от -10 до +55 градусов. Установка прибора требует обязательного заземления, а частота сетевого тока не должна превышать 50 Гц. В качестве источника питания используются электросети напряжением 220 и 380 В.

Главными требованиями схемы размещения является нахождение всех приборов управления на одном стенде и в одной плоскости. Наиболее важные узлы, отвечающие за безопасность прибора, необходимо оснастить световыми индикаторами и желательно подключить к персональному компьютеру. Кроме того, устройства, отвечающие за корректную работу главных узлов, должны быть оборудованы двумя типами управления: ручным и автоматическим. Наиболее удобными для эксплуатации являются шкафы, оснащённые пультом дистанционного управления, позволяющие человеку, не имеющему большого опыта в управлении вентиляцией, осуществлять контроль за её работой. Кроме того, схема подключения устройств должна быть простой и предельно доступной для понимания. Это поможет в случае аварийной ситуации отключить установку самостоятельно, не дожидаясь прибытия ремонтных служб.

Диспетчеризация вентиляции и кондиционирования
Диспетчеризация – это сбор сигналов с датчиков и на их основе управление всеми процессами. Основными функциями диспетчеризации вентиляции и кондиционирования являются:
- Индексация поступающих сигналов от датчиков, их обработка и настройка.
- Подача сигнала диспетчеру, если в системе произошли отклонения от заданных параметров или возникла нестандартная или аварийная ситуация.
- При необходимости производится перевод работы всей схемы в аварийный режим.
- Если возник пожар в здании, включается система отвода дыма.
- Строго отслеживаются параметры воздуха, которые поддерживаются на всем протяжении работы оборудования.
- При необходимости регулировка заданных параметров.
- В часы пониженных нагрузок системы вентиляции и кондиционирования переводятся в режим экономии электроэнергии и других видов энергоносителей (пар, горячая вода).
- Обрабатываются данные в момент включения или отключения.
В зависимости от того, какие требования заказчик предъявляется к кондиционированию, автоматизация может производиться с использованием свободно-контролируемых приборов (контроллеров) или с добавлением так называемых программно-аппаратных комплексов. Второй вариант дороже, но он дает возможность объединить в одном пункте контроля все рычаги управления.
При этом необходимо понимать, что ситуации в больших зданиях с несколькими подсистемами могут быть разными. Поэтому кондиционирование и вентиляция разделяется на модули в плане обеспечения диспетчеризации. И каждый модуль при возникновении внештатной ситуации может работ автономно.
Возможности диспетчеризации:
- можно организовать управление большим количеством модулей, которые по мере необходимости подключаются параллельно;
- настройка сбора данных, которые необходимы пользователю;
- возможность передача данных на другие компьютеры;
- контролируется телефонная и компьютерная сети;
- автоматизация процессов передачи данных от нижних уровней к пульту управления;
- передача данных на телефон.
Контроллеры для автоматизации и диспетчеризации
В принципе, необходимо отметить, что технологическая схема кондиционирования и вентиляции здания, в которую входит контроллер, является стандартной, а точнее базовой. Ее можно изменять под нужные требования с дополнением. К примеру, можно изменить контроль температуры внутри помещений не через канальный датчик, установленный в воздуховодах системы отводной вентиляции, а через каскадный, который устанавливается непосредственно в самом помещении. Или можно внести в конфигурацию подогрев жалюзи в кондиционировании, которые открывают или закрывают проемы.
То есть, диспетчеризацию систем вентиляции и кондиционирования с учетом установленных контролеров можно развивать по разным схемам. И при этом можно подобрать такую технологическую цепочку, которая будет выгодна именно для определенного вида зданий, где установлены разные требования к отдельным помещениям.
Автоматизация в быту
Сегодня все чаще звучит термин – «умный дом». По сути, это автоматизация контроля над всеми сетями, которые обеспечивают нормальную жизнедеятельность человека в собственном доме. Конечно, это обширная сеть, в задачи которой входит:
- безопасность внешняя и внутренняя (последняя – это слежение за сотрудниками, выполняющих бытовую работу в доме);
- контроль и слежение за аварийными ситуациями: утечка газа, холодной или горячей воды;
- создания благоприятного климата внутри помещений, а это касается кондиционирования, отопления и вентиляции.
При этом диспетчеризация строго контролирует всю работу инженерных сетей. И если есть необходимость изменить какой-либо параметр, нет нужды бегать по этажам к щитам автоматики, чтобы провести настройку. «Умный дом» снабжается отдельно установленным мини-пультом или мини-блоком, через который и проводится регулирование и настройка требуемых режимов.
Самое главное, что вся автоматизация завязана на диспетчеризации с установленных в нее контроллеров. То есть, технологическая схема здесь точно такая же, как и на любом объекте, где присутствуют модульные схемы кондиционирования и вентиляции.
Базовый комплект оборудования, которое входит в систему автоматизации
Датчики – это первичные преобразователи, служащие для получения информации о реальном состоянии регулируемых параметров в системе. С их помощью осуществляется обратная связь системы регулирования с объектом по следующим параметрам: температура, влажность, давление, уровень СО, СН и пр. Их выбирают в зависимости от типа сигнала, требуемой точности, необходимого диапазона.
· Датчики температуры бывают для внутреннего и уличного применения; накладными на трубопровод (для контроля температуры поверхности трубопровода) или канальными (для измерения температуры воздуха в воздуховоде). Внутри помещений датчики температуры устанавливаются в нейтральных, относительно источников тепла или холода местах, снаружи здания в местах где датчик будет защищен от ветра или прямого попадания солнечных лучей.
Датчик температуры
· Датчик влажности – это блок с электронным прибором, измеряющим относительную влажность, и преобразующий данные в электрический сигнал. Они также бывают наружного и уличного исполнения.
· Датчики давления подразделяются на реле давления (механическое измерение перепада давлений и электрическое преобразование) и аналоговые датчики давления (преобразование давления сразу в электрический сигнал 4…20 mA). И те, и другие применяются для измерения давление как в одной точке, так и разность давлений в двух точках (дифференциальные)
· Датчики потока измеряют скорость движения жидкости или газа в трубопроводе или воздуховоде. Расход жидкости вычисляется по формуле внутри процессорного блока исходя из разности давлений и других параметров (температуры, сечения трубопровода, плотности).
К этой же группе можно отнести и такие элементы как: капиллярный и комнатный термостаты, прессостаты (реле дифференциального давления)
Сервопривод (электропривод) – это механизм, преобразующий электрический (гидравлический, пневмонический) сигнал в механический (вращение, линейное движение и пр.). Они необходимы для непосредственного выполнения функций регулирования. Как правило они управляют воздушными клапанами (заслонками), трехходовыми (двухходовыми) клапанами для регулирования потока теплоносителя.
Сервопривод (электропривод)
Регулятор – это один из основных элементов системы автоматизации для вентиляции, который обеспечивает управление исполнительным механизмом по показаниям датчиков, термостатов и реле.
По функциональному они подразделяются на регуляторы скорости и регуляторы температуры.
· регуляторы температуры в зависимости от способа управления бывают пороговыми, которые управляют температурой с помощью полностью открытой или полностью закрытой заслонки, и с пропорционально дифференциальным управлением (ПИД-регуляторы), которые позволяют плавно управлять температурой в рабочем диапазоне.
· Регуляторы скорости бывают однофазными и трёхфазными; с плавным или ступенчатым регулированием. Выбор способа регулирования зависит от мощности вентилятора или насоса. Наиболее современным и экономичным является способ скорости вращения насосов и вентиляторов с помощью преобразователей частоты (ПЧ). Несмотря на высокую стоимость, ПЧ экономически оправдывают себя.
Преобразователь частоты (ПЧ)
Шкаф (блок) управления: бывают силовые, управляющие или совмещенные, если система небольшая. Вот одни из основных функций любого шкафа управления:
· Включение и выключение системы вентиляции;
· Индикацию состояния оборудования;
· Защиту от короткого замыкания;
· Защиту от нестабильного питающего напряжения;
· Управление производительностью вентиляционной установки;
· Индикацию состояния воздушных фильтров;
· Защиту от переохлаждения испарителя;
· Защиту водяного калорифера от замерзания;
· Контроль и поддержание температуры воздуха в воздуховоде после калорифера и в помещении;
· Защита от перегрева электрокалорифера;
· Контроль (управление) за работой насоса;
· Контроль (управление) за работой рекуператора;
Шкаф управления вентиляцией
Что такое автоматика для вентиляционных систем
Сегодня автоматические системы управления вентиляцией представлены большим комплексом всевозможных технических устройств. Все они, от термостатов до сложных компьютерных модулей, предназначены для облегчения управления и контроля систем принудительной вентиляции. Разнообразие устройств позволяет удовлетворить потребности в автоматизации любого объекта, независимо от его характеристик и сферы применения.

Исходя из эксплуатационных и технических требований, возможны различные подходы к производству автоматических панелей управления вентиляцией:
- На некоторых объектах можно использовать стандартные модули в виде шкафов с устройствами управления.
- В других случаях монтажники должны вручную собирать сложные, специфические системы для сложных приложений приточной и вытяжной вентиляции.
Разница в подходах обусловлена необходимостью обеспечить эффективную вентиляцию и создать комфортные условия для жильцов или сотрудников внутри здания, независимо от времени года или внешних погодных условий.
Системы вентиляции управляются набором датчиков, установленных в помещениях. Некоторые из них работают по принципу термостата — когда температура внутри здания повышается, вентиляторы включаются автоматически, обеспечивая приток свежего воздуха.
Современные автоматизированные системы оснащены элементами искусственного интеллекта и более сложными контрольно-измерительными приборами.
Структурно такие модули состоят из трех групп блоков:
- Датчики — устройства, передающие информацию об окружающей среде — термостаты, измерители влажности, газоанализаторы. Собранные данные передаются в аналитический центр.
- Центр управления собирает и обрабатывает информацию от датчиков управления и на основе полученного анализа выдает команды механизмам управления на изменение режима работы.
- Приводы — это устройства, выполняющие механические действия. В эту группу входят регуляторы скорости вращения вентиляторов, сервоприводы для регулирования положения ворот и т.д.
Центры управления анализируют соотношение кислорода и углекислого газа в воздухе и процент влажности, выдавая при необходимости команду на проветривание помещения. При обнаружении пожара высокоинтеллектуальная электроника самостоятельно блокирует подачу свежего воздуха, предотвращая распространение огня.
Во время нормальной работы автоматика обеспечивает бесперебойную работу всего оборудования и механизмов вентиляционной системы, не требуя вмешательства оператора.
Компьютеризированные модули передают информацию о режиме работы и показания датчиков на единую панель управления. Это позволяет оператору, при необходимости, корректировать работу автоматики и изменять настройки удаленно.
В зависимости от обстоятельств, можно использовать один из 3 режимов управления:
- Руководство. Управление вентиляцией может осуществляться оператором в диспетчерской или с помощью дистанционного управления.
- Отдельно. Блоки работают в соответствии со своими настройками независимо от других инженерных систем, установленных в здании.
- Автоматическая. Средства управления интегрированы в общее управление всеми системами здания. Вентиляция синхронизируется с другими устройствами и датчиками в доме, такими как пожарная сигнализация и другие аварийные датчики.
Таким образом, автоматика действует как центр управления. Он запускает и останавливает вентиляцию, обрабатывает показания датчиков и устанавливает режим вентиляции в зависимости от температуры, влажности и других параметров.
Что именно может автоматическое регулирование воздухообмена?
Если коротко описать сам процесс, то он сводится к установке в самом помещении, воздуховодах, иных важных точках датчиков. Устанавливаются различные их виды, в зависимости от параметров, которые будут находиться под контролем системы. Эти приборы обладают чувствительностью в отношении:
- влажности
- углекислого газа
- температуры
- наличию примесей в воздухе
- табачного дыма
- гари.
Данные с датчиков поступают на микропроцессорный контроллер, после чего включаются
- заслонки
- подача и вывод воздуха
- охладители
- подогрев воздуха и т.д.
после поступления сигнала о наличии гари система автоматически выключается, либо активируется аварийный режим.
Если автоматическая система вентиляции устанавливается на производстве, это хорошее решение для постоянного контроля над уровнем пыли в воздухе. Можно подобрать наборы датчиков, которые будут отслеживать наличие в воздухе химических испарений, вредных для человека веществ, излишней влажности или сухости.
Энергии автоматика потребляет немного, и это, вместе с отсутствием необходимости оплачивать услуги персонала по его обслуживанию, делают такую вентиляцию очень экономичным решением.
Что такое автоматика для вентиляционных систем
Сегодня автоматические системы управления вентиляцией представлены большим комплексом всевозможных технических приборов. Все они, начиная от термостатов, и заканчивая сложными компьютеризированными модулями, предназначаются для облегчения управления и контроля над работой принудительных вентиляционных систем. Разнообразие оборудования даёт возможность решения задач по обеспечению автоматизации на любом объекте, вне зависимости от его характеристик и назначения.
Исходя из эксплуатационно-технических требований, возможен различный подход к изготовлению пультов автоматизированного управления вентиляцией:
- На одних объектах можно обойтись стандартными модулями, выпускаемыми в виде шкафов с установленными в них приборами управления.
- В других случаях монтажникам приходится вручную собирать комплексы, адаптированные под сложные приточно-вытяжные вентиляции с учетом конкретных задач.
Разница в подходах обусловлена необходимостью обеспечить эффективное функционирование вентиляции и созданием комфортных условий для жильцов или работников во внутренних помещениях здания, вне зависимости от времени года и внешних погодных условий.
Управление работой вентиляционных механизмов происходит с помощью комплекса датчиков, установленных внутри помещений. Одни из них действуют по принципу термостата — с повышением температуры внутри здания автоматически включаются вентиляторы, чем обеспечивается приток свежего воздуха.
Рекомендуем ознакомиться: Вытяжка для кухни рециркуляционная без воздуховода
Современные автоматизированные системы оснащаются элементами искусственного интеллекта и более сложными контрольно-измерительными приборами.
Конструктивно подобные модули состоят из трех групп узлов:
- Датчики — приборы, передающие информацию об окружающей среде — термостаты, измерители влажности воздуха, газоанализаторы. Собранные данные они передают в анализирующий центр.
- Центр управления собирает и обрабатывает информацию, поступающую от контрольных датчиков, и на основании полученного анализа выдает команды механизмам управления на изменения режима работы.
- Исполнительные механизмы — узлы, осуществляющие механические действия. К этой группе относятся: преобразователь частоты вращения вентилятора, сервоприводы для регулировки положения задвижек и т.д.
Центры управления анализируют соотношение в воздухе кислорода и углекислого газа, процент влажности, при необходимости выдавая команду проветрить помещение. При обнаружении возгорания высокоинтеллектуальная электроника самостоятельно блокирует приток свежего воздуха, препятствуя распространению пожара.
В обычном режиме автоматика обеспечивает слаженное функционирование всех узлов и механизмов вентиляционных систем без привлечения оператора.
Компьютеризированные модули передают информацию о режиме работы, о показаниях датчиков на единый пульт управления. Это позволяет оператору, при необходимости, корректировать работу автоматики, и менять настройки в удаленном режиме.
В зависимости от конкретной ситуации, используется один из 3-х режимов управления приборами:
- Ручной. Управление вентиляцией осуществляет оператор, находящийся непосредственно в щитовой комнате, либо за удалённым пультом управления.
- Автономный. Аппаратура работает в соответствии с установленными настройками, вне зависимости от прочих инженерных систем, установленных в здании.
- Автоматический. Приборы управления интегрированы в общее управление всеми инженерными комплексами здания. Работа вентиляции синхронизирована с прочими приборами и датчиками, расположенными в доме — например, с пожарной сигнализацией, иными аварийными датчиками.
Таким образом, автоматизированный комплекс исполняет роль управляющего контрольного центра. Он запускает вентиляцию в работу, останавливает её, обрабатывает показания датчиков и устанавливает нужный режим в зависимости от температуры, влажности и прочих параметров.
Щитовая для обслуживания автоматики с водяными калориферами
Автоматика приточной вентиляции призвана обеспечивать безопасность при эксплуатации приборов подогрева воздуха, вентиляции помещения. Основной прибор щита – это контроллер AQUA шведского производства. Остальные составляющие устанавливают для решения следующих вопросов:
- производят управление вентиляторными устройствами;
- поддерживают заданную температуру воздушных масс;
- переключают режимы эксплуатации;
- управляют приводами клапанов с возвратными пружинами, обеспечивающими закрытие воздухозаборными клапанами, в случае выключения вентиляторных установок, коротком замыкании фазы на корпус;
- управляют работой насоса циркуляции воды в калорифере, устанавливаемом в узле обвязки;
- осуществляют контролирование за температурой воды в обратной магистрали при разных режимах работы, при выключении калорифера;
- выключают подачу энергии при загрязнении воздушного фильтра.
Автоматизация вентиляции позволяет решать сложные задачи в любых условиях и при различных режимах эксплуатации оборудования. Каждая схема вентилирования воздуха монтируется с автоматической системой управления процессом.
В заключение, отметим основные моменты, на которые следует обращать пристальное внимание при покупке приборов оснащения щита автоматического управления устройством вентилирования зданий. Основной критерий выбора – это надежность комплектующих
Обязательно попросите у менеджера сертификат качества данных приборов, а также гарантии компании изготовителя щитов вентиляции и каждой отдельной детали. Обращайте внимание на наличие производственной базы для выполнения ремонта, гарантийного сервисного обслуживания вентиляционного оборудования, схемы автоматического управления процессом
Основной критерий выбора – это надежность комплектующих. Обязательно попросите у менеджера сертификат качества данных приборов, а также гарантии компании изготовителя щитов вентиляции и каждой отдельной детали
Обращайте внимание на наличие производственной базы для выполнения ремонта, гарантийного сервисного обслуживания вентиляционного оборудования, схемы автоматического управления процессом
Каждый прибор должен иметь паспорт, инструкцию, схему подключения. Сегодня на рынке вентиляционного оборудования, различные производители предлагают разнообразный ассортимент комплектующих и схем устройств щитов вентиляции. Сделав правильный выбор, качественно выполнив монтаж автоматических шкафов, вы получаете надежное, безопасное оборудование, на достаточно долгое время.
Система приточной вентиляции – техническая система, главная функция которой – обеспечение в течение заданного времени качественного состава воздуха в определенных точках помещения здания/сооружения путем забора и транспортировки к ним атмосферного воздуха в достаточном объеме из окружающей среды.
Избыточный воздух, закачанный приточной вентиляцией из помещений может удаляться:
- пассивным способом – за счет естественным оттока воздуха при избыточном давлении через двери, окна, вентиляционные отверстия/каналы, (энергоэффективность такого решения – нулевая);
- активным способом – за счет принудительного отбора воздуха из помещения (энергоэффективность такого решения определяется степенью рекуперации энергии, затраченной на нагрев или охлаждение воздуха.)
Базовыми элементами системы приточной вентиляции являются:
- система забора атмосферного воздуха – вентилятора с электрическим приводом (забор и нагнетание его в систему подготовки воздуха и распределения);
- воздушные клапаны (перекрывает возможность циркуляции воздуха в системе приточной вентиляции при её отключении).
- очистки воздуха;
- кондиционирования воздуха (нагрев, охлаждение);
- увлажнения воздуха;
- воздуховодов (обеспечивают транспортировку поступающего воздуха в пространстве здания);
- нагнетательных вентиляторов в системе воздухопроводов (для компенсация потерь давления и скорости движения воздушного потока в воздуховоде);
- шумоподавления.
В некоторых случаях система вытяжной вентиляции, как и система приточной вентиляции, оборудуется системой очистки воздуха, например при удалении воздуха из зоны приготовления пищи в кафе и ресторанах, устанавливаются системы очистки воздуха от жира.Для предотвращения потерь тепла через входы/выходы здания в холодное время года устанавливаются тепловые завесы.
Основные задачи автоматики для вентиляции
Поскольку на современном рынке представлено большое количество всевозможных технических устройств для автоматизации вентиляции, набор их функций также чрезвычайно широк.
Основные функции модуля управления, оснащенного элементами электронного интеллекта:
- Поддержание заданных параметров микроклимата внутренних помещений — температуры и влажности воздуха, насыщенности углекислым газом и т.д.
- Возможность для оператора удаленного управления вентиляторами, дистанционного их включения и отключения.
- Осуществление автоматизированного контроля над датчиками работы всех узлов и агрегатов вентиляционного оборудования.
- Самостоятельный перевод оборудования в летний или зимний режим.
- Контроль над уровнем загрязнения фильтрующих устройств с функцией подачи сигнала о необходимости прочистки.
- Открывание и закрывание заслонок воздуховодов, регулировка производительности приточных и вытяжных вентиляторов.
- Прекращение подачи свежего воздуха при срабатывании пожарной сигнализации.
- Отключение электропитания при аварийных ситуациях — резких скачках или понижении напряжения. Это позволяет предотвратить выход из строя приборов, датчиков и отдельных узлов вентиляционной системы.
Дополнительные функции
Современные производители для максимально полного удовлетворения запросов покупателей, уделяют особое внимание не только надежности выпускаемого оборудования. Немаловажным фактором в конкурентной борьбе за потребителя является оснащение продукции как можно большим дополнительным функционалом
Сегодня стали доступны такие высокоинтеллектуальные функции, как:
Сегодня стали доступны такие высокоинтеллектуальные функции, как:
- Подключение вентиляции к единому электронному диспетчеру управления «умный дом».
- Управление настройками через интернет-приложения, при помощи Wi-Fi и блютуз.
Оснащенная современным функционалом автоматическая аппаратура становится понятной и простой в управлении, подобно прочей бытовой технике.





































